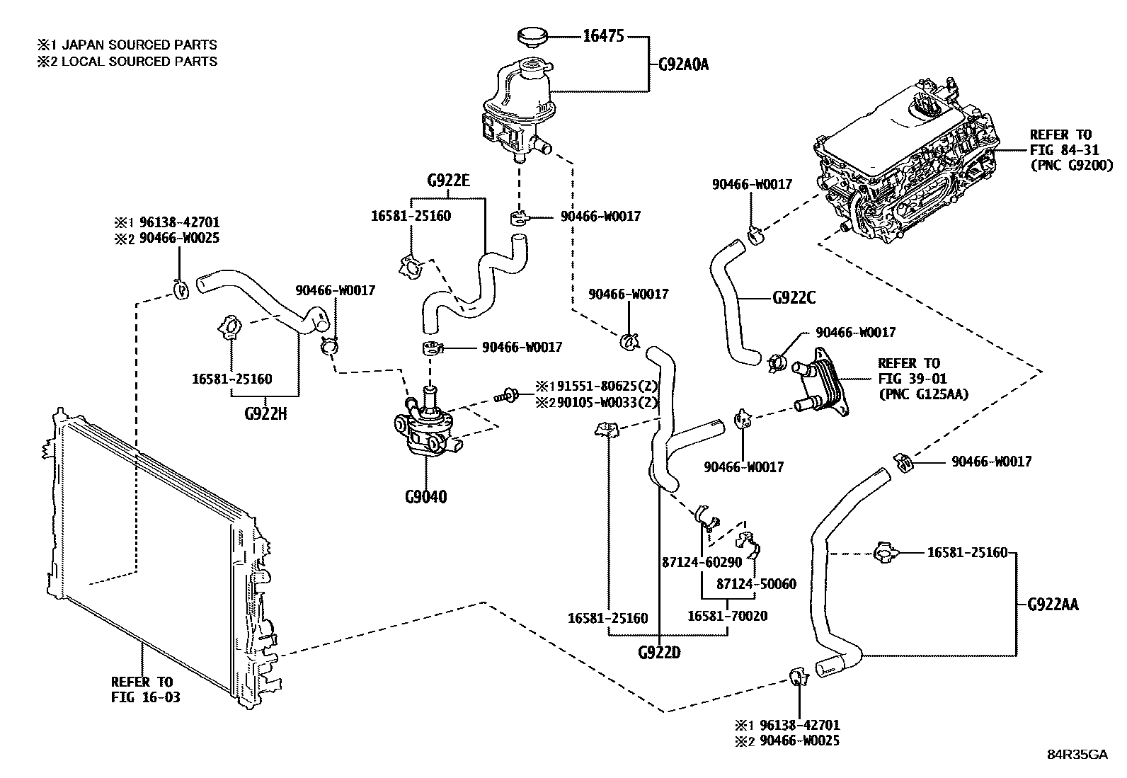
Toyota C-HR — INVERTER COOLING

1603
16475CAP, RESERVE TANK
3901
8431
G9040INVERTER WATER PUMP ASSY(W/MOTOR)
G922AAHOSE, INVERTER COOLING INLET, NO.1
G922DHOSE, INVERTER COOLING OUTLET, NO.2
G922EHOSE, HYBRID WATER PUMP INLET
G92A0ATANK ASSY, INVERTER RESERVE
1658125160CLAMP, HOSE(FOR WATER HOSE)
1658170020CLAMP, HOSE(FOR WATER HOSE)
8712450060CLAMP, HEATER
8712460290CLAMP, HEATER
main87124-60290
90105W0033
90466W0017
main90466-W0017
90466W0025
main90466-W0025
9155180625
9613842701
20 parts on this diagram · 3 diagrams in section