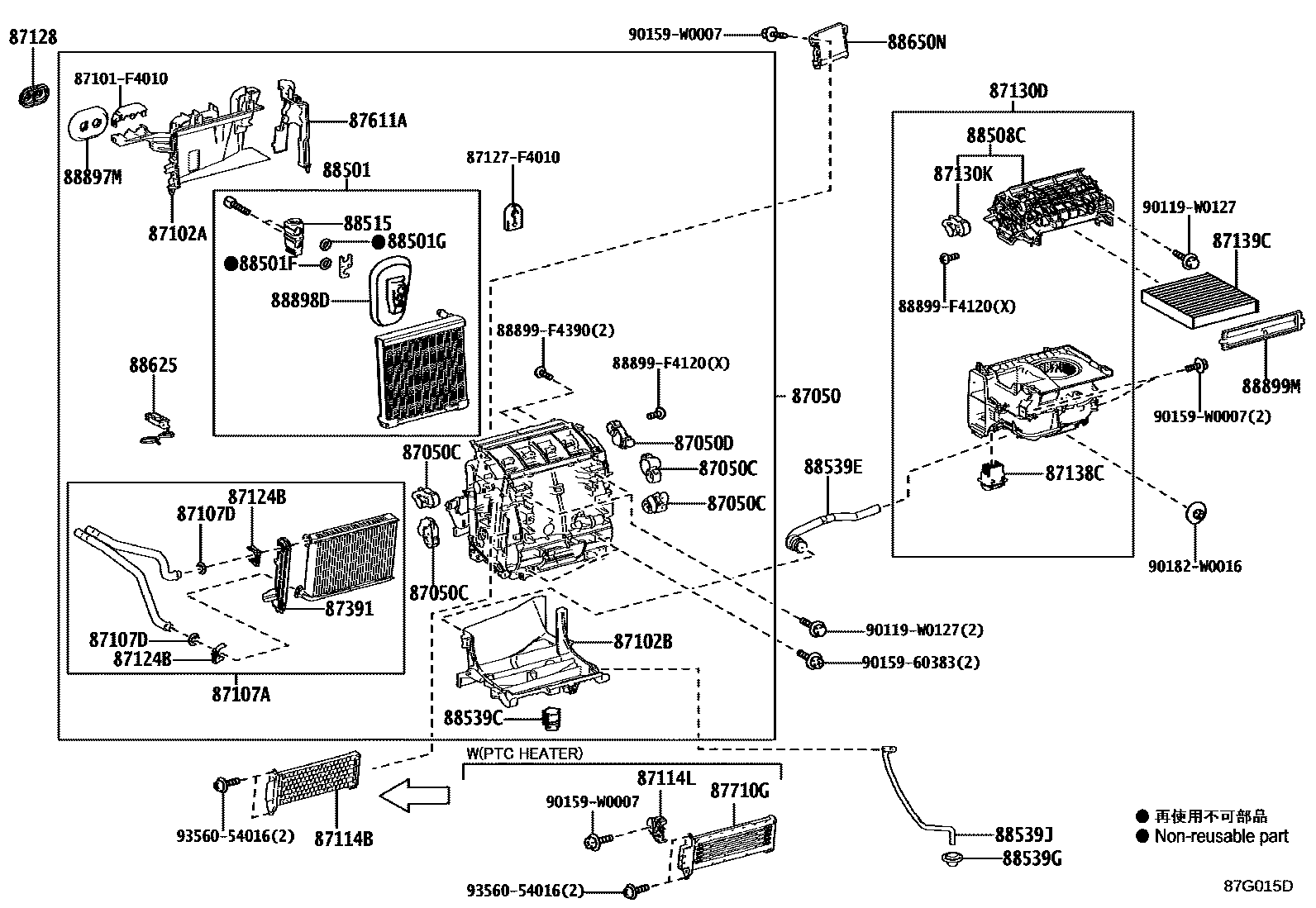
Toyota C-HR (TUP) — HEATING & AIR CONDITIONING - COOLER UNIT

87050RADIATOR ASSY, AIR CONDITIONER
87050CDAMPER SERVO SUB-ASSY, AIR CONDITIONER RADIATOR, NO.1
87050DDAMPER SERVO SUB-ASSY, AIR CONDITIONER RADIATOR, NO.2
87102ACASE SUB-ASSY, RADIATOR
87102BCASE SUB-ASSY, RADIATOR, NO.2
87107AUNIT SUB-ASSY, HEATER RADIATOR
87107DRING, O (FOR HEATER RADIATOR UNIT)
ID=15.47,OD=22.27
87114BCOVER, HEATER
87114LCOVER, HEATER, NO.2
87124BCLAMP, HEATER
87128GROMMET, HEATER
87130DBLOWER ASSY
87130KDAMPER SERVO SUB-ASSY, BLOWER, NO.1
87138CRESISTOR, BLOWER
87139CFILTER, CLEAN AIR
POLLEN FILTER,OE PART
87391COVER, BLOWER MOTOR
87611ACASE, HEAT EXCHANGER
87710GQUICK HEATER ASSY
88501EVAPORATOR SUB-ASSY, COOLER, NO.1
88501FO-RING, COOLER EVAPORATOR NO.1(DISCHARGE)
ID=10.82,OD=14.46
88501GO-RING, COOLER EVAPORATOR NO.1(SUCTION)
ID=14,OD=17.64
88508CFILTER SUB-ASSY, AIR
88515VALVE, COOLER EXPANSION
88539CHOSE, COOLER UNIT DRAIN, NO.2
88539EHOSE, COOLER UNIT DRAIN, NO.3
88539GGROMMET (FOR COOLER UNIT DRAIN HOSE)
88539JHOSE, DRAIN COOLER
88625THERMISTOR, COOLER, NO.1
88650NAMPLIFIER ASSY, AIR CONDITIONER
88897MGROMMET (FOR HEATER PIPE)
88898DGROMMET
88899MPLATE, COVER(FOR AIR FILTER)
87101F4010BRACKET SUB-ASSY, VISCOUS HEATER NO.1
main87101-F4010
87127F4010PACKING, HEATER AIR DAMPER
main87127-F4010
88899F4120COVER, EVAPORATOR
main88899-F4120
88899F4390COVER, EVAPORATOR
main88899-F4390
90119W0127
9015960383
90159W0007
90182W0016
9356054016
41 parts on this diagram · 1 diagram in section