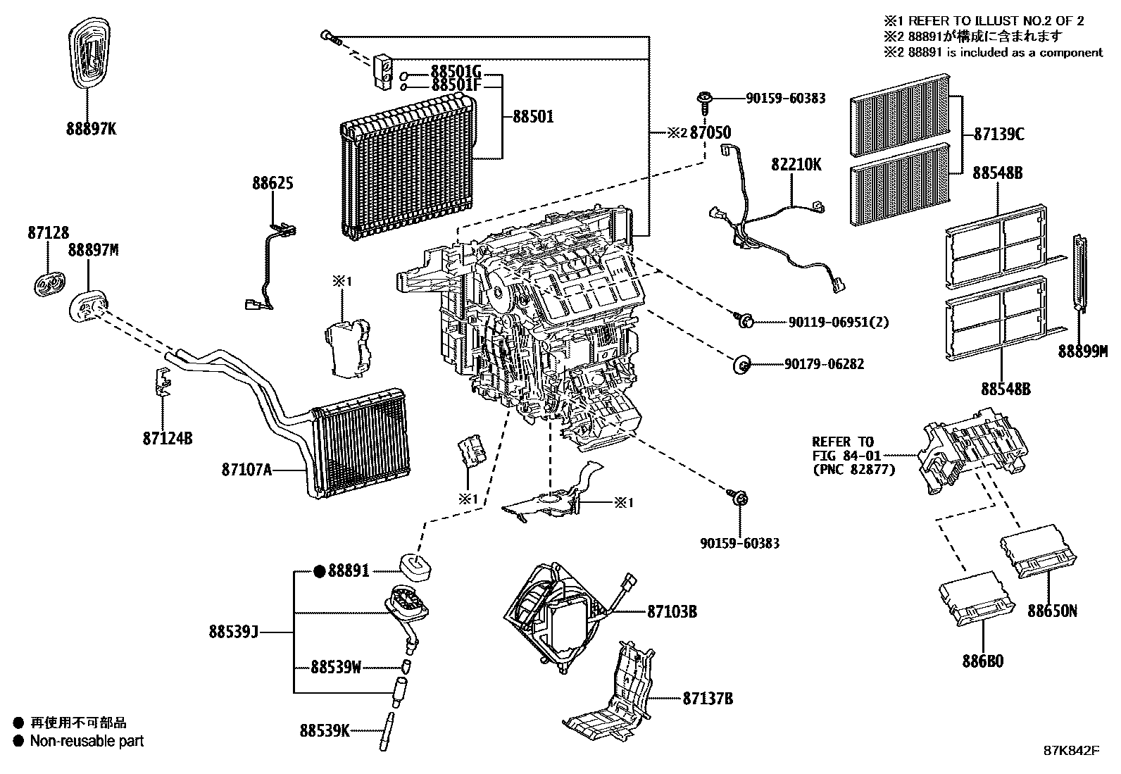
Toyota BZ4X — HEATING & AIR CONDITIONING - COOLER UNIT

82210KHARNESS ASSY, AIR CONDITIONER
8401
87050RADIATOR ASSY, AIR CONDITIONER
87103BMOTOR SUB-ASSY, BLOWER W/FAN
87107AUNIT SUB-ASSY, HEATER RADIATOR
87124BCLAMP, HEATER
87128GROMMET, HEATER
87137BCOVER, HEATER BLOWER
87139CFILTER, CLEAN AIR
MICRO DUST FILTER
DEODORANT FILTER
88501EVAPORATOR SUB-ASSY, COOLER, NO.1
88501FO-RING, COOLER EVAPORATOR NO.1(DISCHARGE)
ID=10.8,OD=15.6
88501GO-RING, COOLER EVAPORATOR NO.1(SUCTION)
ID=13.4,OD=18.2
88539JHOSE, DRAIN COOLER
88539WHOSE, DRAIN COOLER, NO.2
88548BCASE, AIR FILTER
88625THERMISTOR, COOLER, NO.1
886B0COMPUTER ASSY, HEAT MANAGEMENT
88891PACKING (FOR COOLER)
88897KGROMMET, (FOR COOLER PIPE)
88897MGROMMET (FOR HEATER PIPE)
88899MPLATE, COVER(FOR AIR FILTER)
9011906951
9015960383
9017906282
26 parts on this diagram · 2 diagrams in section