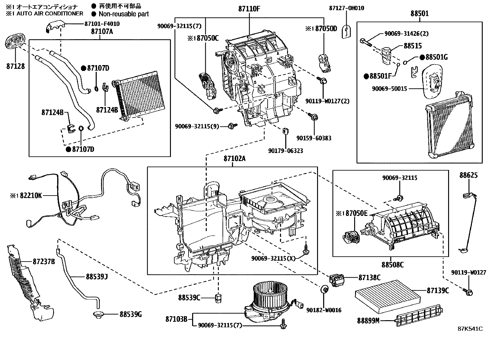
Toyota AYGO X — HEATING & AIR CONDITIONING - COOLER UNIT

82210KHARNESS ASSY, AIR CONDITIONER
WITH(EUROPE S RANK)&HEATER CONTROL PANEL-AUTO(PAINTED)
HEATER CONTROL PANEL-AUTO(PAINTED)
HEATER CONTROL PANEL-AUTO(PAINTED)
87050CDAMPER SERVO SUB-ASSY, AIR CONDITIONER RADIATOR, NO.1
WITH(EUROPE S RANK)&HEATER CONTROL PANEL-AUTO(PAINTED)
HEATER CONTROL PANEL-AUTO(PAINTED)
87050DDAMPER SERVO SUB-ASSY, AIR CONDITIONER RADIATOR, NO.2
WITH(EUROPE S RANK)&HEATER CONTROL PANEL-AUTO(PAINTED)
HEATER CONTROL PANEL-AUTO(PAINTED)
87050EDAMPER SERVO SUB-ASSY, AIR CONDITIONER RADIATOR, NO.3
WITH(EUROPE S RANK)&HEATER CONTROL PANEL-AUTO(PAINTED)
HEATER CONTROL PANEL-AUTO(PAINTED)
87102ACASE SUB-ASSY, RADIATOR
87103BMOTOR SUB-ASSY, BLOWER W/FAN
87107AUNIT SUB-ASSY, HEATER RADIATOR
87107DRING, O (FOR HEATER RADIATOR UNIT)
ID=15.47,OD=22.27
ID=15.47,OD=22.27,WITH(EUROPE S RANK)
ID=15.47,OD=22.27
ID=15.47,OD=22.27,WITH(EUROPE S RANK)
87110FHEATER ASSY
HEATER CONTROL PANEL-AUTO(PAINTED)
87124BCLAMP, HEATER
WITH(EUROPE S RANK)
WITH(EUROPE S RANK)
87128GROMMET, HEATER
87138CRESISTOR, BLOWER
87139CFILTER, CLEAN AIR
POLLEN FILTER,OE PART
POLLEN FILTER,OE PART
87237BCOVER, HEATER PIPING
88501EVAPORATOR SUB-ASSY, COOLER, NO.1
88501FO-RING, COOLER EVAPORATOR NO.1(DISCHARGE)
ID=10.82,OD=14.46
ID=10.82,OD=14.46
88501GO-RING, COOLER EVAPORATOR NO.1(SUCTION)
ID=14,OD=17.64
ID=14,OD=17.64
88508CFILTER SUB-ASSY, AIR
HEATER CONTROL PANEL-AUTO(PAINTED)
WITH(EUROPE S RANK)&HEATER CONTROL PANEL-AUTO(PAINTED)
HEATER CONTROL PANEL-AUTO(PAINTED)
88515VALVE, COOLER EXPANSION
88539CHOSE, COOLER UNIT DRAIN, NO.2
88539GGROMMET (FOR COOLER UNIT DRAIN HOSE)
88539JHOSE, DRAIN COOLER
88625THERMISTOR, COOLER, NO.1
88899MPLATE, COVER(FOR AIR FILTER)
87101F4010BRACKET SUB-ASSY, VISCOUS HEATER NO.1
main87101-F4010
871270H010PACKING, HEATER AIR DAMPER
main87127-0H010
9006931426
main90069-31426
9006932115
main90069-32115
9006950015
main90069-50015
90119W0127
9015960383
9017906323
90182W0016
33 parts on this diagram · 2 diagrams in section