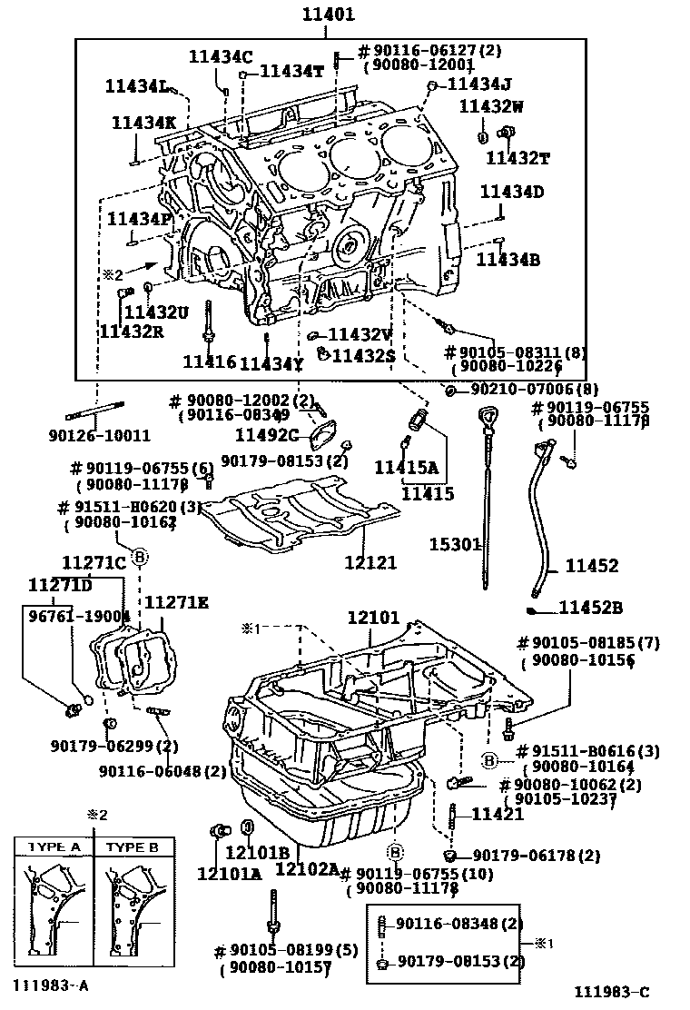
Toyota AVALON — CYLINDER BLOCK

11271CCOVER, CYLIVDER BLOCK SIDE
11271DPLUG, DRAIN COCK(FOR CYLINDER BLOCK SIDE COVER )
11271EGASKET, E.G.R COOLER
11401BLOCK SUB-ASSY, CYLINDER
TYPE A:REFER TO ILLUSTRATION,(L)
TYPE A:REFER TO ILLUSTRATION,(J)
TYPE A:REFER ILLUST.
(J)
11415COCK SUB-ASSY, WATER DRAIN(FOR CYLINDER BLOCK)
11415APLUG, WATER DRAIN COCK(FOR CYLINDER BLOCK)
11416BOLT(FOR CRANKSHAFT BEARING CAP SET)
11421BOLT, STUD(FOR OIL PAN)
(L)
11432RPLUG, W/HEAD STRAIGHT SCREW, NO.1(FOR CYLINDER BLOCK)
11432SPLUG, W/HEAD STRAIGHT SCREW, NO.2(FOR CYLINDER BLOCK)
11432TPLUG, W/HEAD STRAIGHT SCREW, NO.3(FOR CYLINDER BLOCK)
11432UGASKET, STRAIGHT SCREW PLUG NO.1(FOR CYLINDER BLOCK)
11432VGASKET, STRAIGHT SCREW PLUG NO.2(FOR CYLINDER BLOCK)
11432WGASKET, STRAIGHT SCREW PLUG NO.3(FOR CYLINDER BLOCK)
11434BPIN, STRAIGHT(FOR CLUTCH HOUSING SET)
L=22,OD=10
11434CPIN, STRAIGHT (FOR CYLINDER HEAD SET)
L=12,OD=4.0
11434DPIN, STRAIGHT(FOR ENGINE REAR OIL SEAL)
L=12,OD=4.0
11434JPIN, RING (FOR CYLINDER HEAD SET)
11434KPIN, STRAIGHT(FOR WATER PUMP)
11434LPIN, STRAIGHT(FOR ENGINE MOUNTING)
11434PPIN, STRAIGHT(FOR OIL PUMP SET)
L=12,OD=4.0
11434TPIN, RING(FOR TIMING BELT IDLER BRACKET SET)
11434YPIN, STRAIGHT(FOR OIL PAN)
11452GUIDE, OIL LEVEL GAGE
(L)
(J)
11452BRING, O(FOR OIL LEVEL GAGE GUIDE)
11492CPLATE, WATER SEAL
12101PAN SUB-ASSY, OIL
(L)
(J)
12101APLUG(FOR OIL PAN DRAIN)
12101BGASKET(FOR OIL PAN DRAIN PLUG)
12102APAN SUB-ASSY, OIL, NO.2
12121PLATE, OIL PAN BAFFLE, NO.1
15301GAGE SUB-ASSY, OIL LEVEL
9008010062
9008010156
main90080-10156
9008010157
main90080-10157
9008010162
main90080-10162
9008010164
main90080-10164
9008010226
9008011178
main90080-11178
9008012001
9008012002
main90080-12002
9010508185
9010508199
9010508311
9010510237
9011606048
9011606127
9011608348
9011608349
9011906755
9012610011
9017906178
9017906299
9017908153
9021007006
91511B0616
91511H0620
9676119004
58 parts on this diagram · 1 diagram in section