Toyota ALPHARD/VELLFIRE — FRONT SPRING & SHOCK ABSORBER

4802
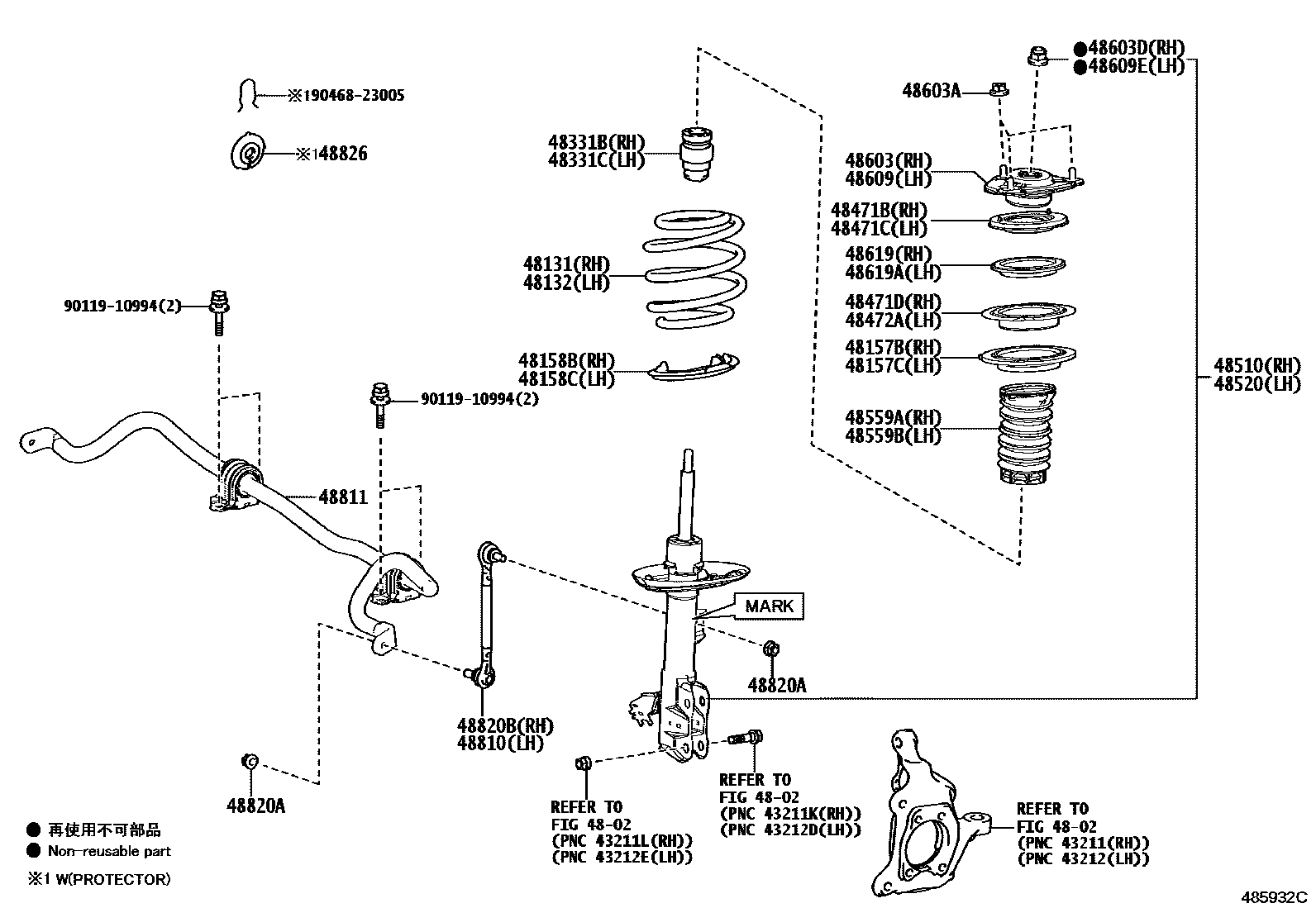
48131SPRING, FRONT COIL, RH
48132SPRING, FRONT COIL, LH
48157BINSULATOR, FRONT COIL SPRING, UPPER RH
48157CINSULATOR, FRONT COIL SPRING, UPPER LH
48158BINSULATOR, FRONT COIL SPRING, LOWER RH
48158CINSULATOR, FRONT COIL SPRING, LOWER LH
48331BBUMPER, FRONT SPRING, RH
48331CBUMPER, FRONT SPRING, LH
48471BSEAT, FRONT COIL SPRING, UPPER RH
48471CSEAT, FRONT COIL SPRING, UPPER LH
48471DSEAT, FRONT SPRING, RH
48472ASEAT, FRONT SPRING, LH
48510ABSORBER ASSY, SHOCK, FRONT RH
MARK 48510-V2020
MARK 48510-V2027
MARK 48510-V2040
MARK 48510-V2060
MARK 48510-V2190
MARK 48510-V2200
48520ABSORBER ASSY, SHOCK, FRONT LH
MARK 48520-V2020
MARK 48520-V2070
MARK 48520-V2040
MARK 48520-V2060
MARK 48520-V2190
MARK 48520-V2200
48559ACOVER, FRONT SHOCK ABSORBER DUST, RH NO.1
48559BCOVER, FRONT SHOCK ABSORBER DUST, LH NO.1
48603SUPPORT SUB-ASSY, FRONT SUSPENSION, RH
48603ANUT(FOR FRONT SUSPENSION SUPPORT)
48603DNUT(FOR FRONT SUPPORT TO FRONT SHOCK ABSORBER RH)
48609SUPPORT SUB-ASSY, FRONT SUSPENSION, LH
48609ENUT(FOR FRONT SUPPORT TO FRONT SHOCK ABSORBER LH)
48619BEARING, STRUT MOUNTING, RH
48619ABEARING, STRUT MOUNTING, LH
48810LINK ASSY, FRONT STABILIZER, LH
48811BAR, STABILIZER, FRONT
48820ANUT(FOR FRONT STABILIZER LINK)
48820BLINK ASSY, FRONT STABILIZER, RH
48826PROTECTOR, FRONT STABILIZER BAR
9011910994
9046823005
31 parts on this diagram · 1 diagram in section