Toyota 4RUNNER — RADIATOR & WATER OUTLET

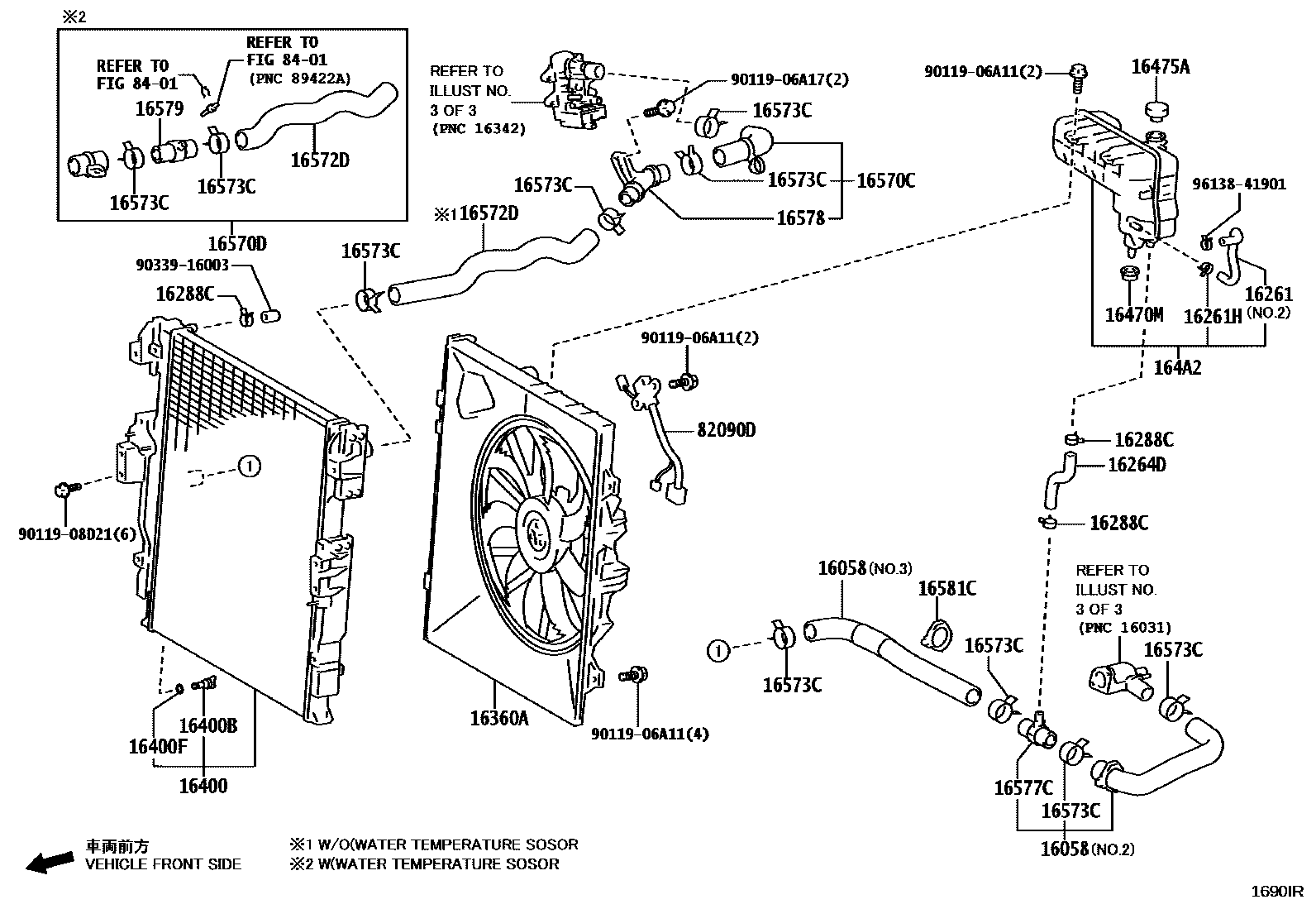
16058HOSE SUB-ASSY, RADIATOR, NO.2
NO.2:REFER ILLUST.
NO.3:REFER ILLUST.
16261HOSE, WATER BY-PASS
NO.1:REFER ILLUST.
NO.2:REFER ILLUST.
16261HCLIP(FOR WATER BY-PASS HOSE NO.1)
16264HOSE, WATER BY-PASS, NO.2
16264DHOSE, WATER BY-PASS, NO.2
16288PIPE, WATER BY-PASS, NO.4
16288CCLIP(FOR WATER BY-PASS PIPE NO.4)
TRD OFFROAD PACKAGE
16360AFAN ASSY, W/MOTOR
16400RADIATOR ASSY
16400BPLUG, RADIATOR DRAIN COCK
##
16400FPACKING(FOR RADIATOR DRAIN COCK)
##
16470MGROMMET
16475ACAP, RESERVE TANK
164A2TANK, RESERVE SEALED W/O CAP
16570CPIPE ASSY, RADIATOR, NO.1
16570DPIPE ASSY, RADIATOR, NO.2
16572DHOSE, RADIATOR, NO.2
16573CCLAMP OR CLIP, RADIATOR HOSE, NO.3
CURACAO SPEC
LATIN AMERICA SPEC
ST.MARTIN SPEC
ARUBA SPEC
CHILE SPEC
HAITI SPEC
TRD OFFROAD PACKAGE
16577CPIPE, RADIATOR
TRD OFFROAD PACKAGE
16578PIPE, RADIATOR, NO.2
16579PIPE, RADIATOR, NO.3
16581CCLAMP, HOSE(FOR RADIATOR HOSE NO.2)
82090DWIRE ASSY, EXTENSION
8401
9011906A11
9011906A17
9011908D21
9033916003
9613841901
29 parts on this diagram · 4 diagrams in section