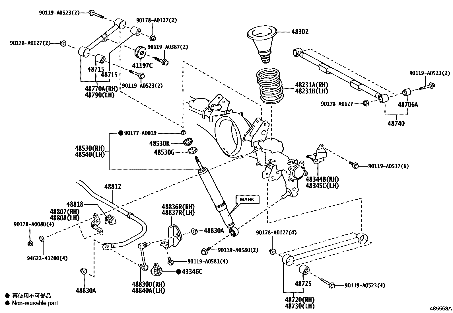
REAR SPRING & SHOCK ABSORBER

41197CDAMPER, DIFFERENTIAL TORSIONAL
main41197-0C010iVXKA70,75..DCB..S;VXKA71,72,77,VXKH71,80..L,S;VXKA70,75,76,VXKH70,75,76,85..CMAX,SRF202111-202408
43346CPROTECTOR, LOWER BALL JOINT DUST COVER
48231ASPRING, COIL, REAR RH
AUTO LEVELER & HEIGHT CONTROL-WITH
SR5-PREMIUM&AUTO LEVELER & HEIGHT CONTROL-WITH
AUTO LEVELER & HEIGHT CONTROL-WITH
SR5-PREMIUM&AUTO LEVELER & HEIGHT CONTROL-WITH
AUTO LEVELER & HEIGHT CONTROL-WITH
AUTO LEVELER & HEIGHT CONTROL-WITH
SR5-PREMIUM&AUTO LEVELER & HEIGHT CONTROL-WITH
AUTO LEVELER & HEIGHT CONTROL-WITH
AUTO LEVELER & HEIGHT CONTROL-WITH
TRD SPORT PACKAGE
AUTO LEVELER & HEIGHT CONTROL-WITH
48231BSPRING, COIL, REAR LH
SR5-PREMIUM&AUTO LEVELER & HEIGHT CONTROL-WITH
AUTO LEVELER & HEIGHT CONTROL-WITH
SR5-PREMIUM&AUTO LEVELER & HEIGHT CONTROL-WITH
AUTO LEVELER & HEIGHT CONTROL-WITH
AUTO LEVELER & HEIGHT CONTROL-WITH
AUTO LEVELER & HEIGHT CONTROL-WITH
SR5-PREMIUM&AUTO LEVELER & HEIGHT CONTROL-WITH
AUTO LEVELER & HEIGHT CONTROL-WITH
AUTO LEVELER & HEIGHT CONTROL-WITH
TRD SPORT PACKAGE
AUTO LEVELER & HEIGHT CONTROL-WITH
48302SPRING SUB-ASSY, HOLLOW
TRD OFFROAD PACKAGE&3" LIFT KIT PACKAGE
HERITAGE PACKAGE&3" LIFT KIT PACKAGE
3" LIFT KIT PACKAGE
TRD OFFROAD PACKAGE&3" LIFT KIT PACKAGE
HERITAGE PACKAGE&3" LIFT KIT PACKAGE
48344BSTOPPER, BUMPER, REAR RH
main48344-0C010iVXKA70,75..DCB..S;VXKA71,72,77,VXKH71,80..L,S;VXKA70,75,76,VXKH70,75,76,85..CMAX,SRF202111
3" LIFT KIT PACKAGE
main48344-0C010iVXKA70,75..DCB..S;VXKA71,72,77,VXKH71,80..L,S;VXKA70,75,76,VXKH70,75,76,85..CMAX,SRF202111
TRD OFFROAD PACKAGE&3" LIFT KIT PACKAGE
main48344-0C010iVXKA70,75..DCB..S;VXKA71,72,77,VXKH71,80..L,S;VXKA70,75,76,VXKH70,75,76,85..CMAX,SRF202111
HERITAGE PACKAGE&3" LIFT KIT PACKAGE
48345CSTOPPER, BUMPER, REAR LH
main48345-0C010iVXKA70,75..DCB..S;VXKA71,72,77,VXKH71,80..L,S;VXKA70,75,76,VXKH70,75,76,85..CMAX,SRF202111
3" LIFT KIT PACKAGE
main48345-0C010iVXKA70,75..DCB..S;VXKA71,72,77,VXKH71,80..L,S;VXKA70,75,76,VXKH70,75,76,85..CMAX,SRF202111
TRD OFFROAD PACKAGE&3" LIFT KIT PACKAGE
main48345-0C010iVXKA70,75..DCB..S;VXKA71,72,77,VXKH71,80..L,S;VXKA70,75,76,VXKH70,75,76,85..CMAX,SRF202111
HERITAGE PACKAGE&3" LIFT KIT PACKAGE
48530ABSORBER ASSY, SHOCK, REAR RH
MARK 48530-0C140
MARK 48530-0C150,TRD OFFROAD PACKAGE&3" LIFT KIT PACKAGE
MARK 48530-0C150
MARK 48530-0C150,3" LIFT KIT PACKAGE
MARK 48530-0C200
MARK 48530-0C200,TRD PRO PACKAGE
MARK 48530-0C200,3" LIFT KIT PACKAGE
MARK 48530-0C200,TRD OFFROAD PACKAGE&3" LIFT KIT PACKAGE
MARK 48530-0C250,TRD SPORT PACKAGE
MARK 48530-0C250
MARK 48530-0C250,TRD PRO PACKAGE
48530GCUSHION, REAR SHOCK ABSORBER, NO.1
48530KCUSHION, REAR SHOCK ABSORBER, NO.2
48540ABSORBER ASSY, SHOCK, REAR LH
MARK 48530-0C140
MARK 48530-0C150,3" LIFT KIT PACKAGE
MARK 48530-0C150,TRD OFFROAD PACKAGE&3" LIFT KIT PACKAGE
MARK 48530-0C150
MARK 48530-0C200,TRD PRO PACKAGE
MARK 48530-0C200,3" LIFT KIT PACKAGE
MARK 48530-0C200,TRD OFFROAD PACKAGE&3" LIFT KIT PACKAGE
MARK 48530-0C200
MARK 48530-0C250
MARK 48530-0C250,TRD SPORT PACKAGE
MARK 48530-0C250,TRD PRO PACKAGE
48706ABUSH SUB-ASSY, REAR LATERAL CONTROL ROD
48715BUSH, UPPER CONTROL ARM
48720ARM ASSY, LOWER CONTROL, RH
main48720-0C030iVXKA70,75..DCB..S;VXKA71,72,77,VXKH71,80..L,S;VXKA70,75,76,VXKH70,75,76,85..CMAX,SRF202111-202408
48725BUSH, LOWER CONTROL ARM
48730ARM ASSY, LOWER CONTROL, LH
48740ROD ASSY, REAR LATERAL CONTROL
main48740-0C010iVXKA70,75..DCB..S;VXKA71,72,77,VXKH71,80..L,S;VXKA70,75,76,VXKH70,75,76,85..CMAX,SRF202111-202408
48770AARM ASSY, UPPER CONTROL, REAR RH
HEADLAMP-3 LOW BEAM & 1 HIGH BEAM
AUTO LEVELER & HEIGHT CONTROL-WITH
AUTO LEVELER & HEIGHT CONTROL-WITH&HEADLAMP-3 LOW BEAM & 1 HIGH BEAM
48790ARM ASSY, UPPER CONTROL, REAR LH
main48710-0C030iVXKA70,75..DCB..S;VXKA71,72,77,VXKH71,80..L,S;VXKA70,75,76,VXKH70,75,76,85..CMAX,SRF202111-202408
48807BRACKET, REAR STABILIZER BAR, RH
48808BRACKET, REAR STABILIZER BAR, LH
48812BAR, STABILIZER, REAR
48818BUSH, STABILIZER, REAR
main48818-0C010iVXKA70,75..DCB..S;VXKA71,72,77,VXKH71,80..L,S;VXKA70,75,76,VXKH70,75,76,85..CMAX,SRF202111-202408
48830ANUT(FOR REAR STABILIZER LINK)
main90178-A0080iVXKA70,75..DCB..S;VXKA71,72,77,VXKH71,80..L,S;VXKA70,75,76,VXKH70,75,76,85..CMAX,SRF202111-202408
48830DLINK ASSY, REAR STABILIZER, RH
main48830-0C030iVXKA70,75..DCB..S;VXKA71,72,77,VXKH71,80..L,S;VXKA70,75,76,VXKH70,75,76,85..CMAX,SRF202111-202408
48836RBRACKET, REAR STABILIZER END, RH
main48836-0C030iVXKA70,75..DCB..S;VXKA71,72,77,VXKH71..L,S;VXKA70,75,76,VXKH70,75,76..CMAX202111-202408
48837RBRACKET, REAR STABILIZER END, LH
main48837-0C030iVXKA70,75..DCB..S;VXKA71,72,77,VXKH71..L,S;VXKA70,75,76,VXKH70,75,76..CMAX202111-202408
48840ALINK ASSY, REAR STABILIZER, LH
90119A0387
main90119-A0387
90119A0523
main90119-A0523
90119A0537
main90119-A0537
90119A0580
main90119-A0580
90119A0581
main90119-A0581
90177A0019
main90177-A0019
90178A0080
main90178-A0080
90178A0127
main90178-A0127
9462241200
main94622-41200
37 parts on this diagram · 3 diagrams in section