E
EPC Data

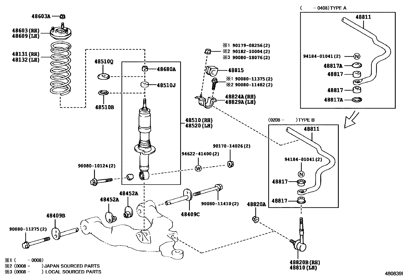
FRONT SPRING & SHOCK ABSORBER

Parts diagram
48131SPRING, FRONT COIL, RH
main48131-AF010i199902-200208
main48131-AF020i199902-200208
L=365.5
main48131-AF030i200208-200408
main48131-AF040i199902-200208
L=376.0
main48131-AF090i200208-200408
ABSORBER:BILSTEIN,L=371.5
main48131-AF150i200008-200208
L=372.5
main48131-AF170i200408
L=340.0
main48131-AF190i200208-200309
main48131-AF210i200208-200309
main48131-AF230i200208-200408
ABSORBER:BILSTEIN,L=359.0
main48131-AF250i200310-200408
L=344.5
main48131-AF270i200310-200408
L=356
main48131-AF290i200310-200408
L=352.0
main48131-AF310i200310-200408
L=363.5
main48131-AF410i200408
L=358.5
main48131-AF430i200408
L=339.5
main48131-AF450i200408-200609
L=331.0
main48131-AF470i200408
L=333.0
main48131-AF490i200408-200609
L=347.5
main48131-AF510i200408
L=351.5
48132SPRING, FRONT COIL, LH
main48131-AF050i199902-200208
main48131-AF060i199902-200208
L=370.5
main48131-AF070i199902-200208
main48131-AF080i199902-200208
L=382.5
main48131-AF100i200208-200408
ABSORBER:BILSTEIN,L=378.0
main48131-AF160i200008-200208
L=377.0
main48131-AF180i200208-200408
W(REAR STABILIZER)
main48131-AF200i200208-200309
main48131-AF220i200208-200309
main48131-AF240i200208-200408
ABSORBER:BILSTEIN,L=363
main48131-AF260i200408
L=348
main48131-AF280i200310-200408
L=360.5
main48131-AF300i200408
L=355.5
main48131-AF320i200310-200408
L=369
main48131-AF420i200408
L=363.5
main48131-AF440i200408
L=343.5
main48131-AF460i200408-200609
L=334.5
main48131-AF480i200408
L=336.5
main48131-AF500i200408-200609
L=352.5
main48131-AF520i200408
L=356.5
48409BCAM SUB-ASSY, FRONT SUSPENSION TOE ADJUST
main48409-34020×2i199902-200208
48409CCAM SUB-ASSY, FRONT SUSPENSION TOE ADJUST, NO.2
main48409-34030×2i199902-200208
48452APLATE, FRONT SUSPENSION TOE ADJUST, NO.2
main48452-35020×4i199902-200208
48510ABSORBER ASSY, SHOCK, FRONT RH
main48510-09310i199902-200008
main48510-09320i199902-200008
main48510-09350i199906-200208
MARK 48510-AF030,BILSTEIN
main48510-09490i200008-200208
MARK 48510-AF011
main48510-09500i200008-200208
MARK 48510-AF021
main48510-09730i200208-200308
MARK 48510-AF090
main48510-09740i200208-200408
MARK 48510-AF100
main48510-09750i200208-200408
MARK 48510-AF030
main48510-09760i200208-200408
MARK 48510-AF060
main48510-09770i200208-200408
MARK 48510-AF080
main48510-A9130i200008-200208
OFF ROAD PACKAGE
main48510-A9280i200408
MARK 48510-AF110
main48510-A9290i200408
MARK 48510-AF120
main48510-A9300i200408
MARK 48510-AF130
main48510-A9310i200310-200408
NO MARK,OFF ROAD PACKAGE
main48510-A9450i200308-200408
MARK 48510-AF091
main48510-A9520i200408
MARK 48510-AF180
main48510-A9530i200408
MARK 48510-AF210
main48510-A9540i200408
MARK 48510-AF220
main48510-A9550i200408
MARK 48510-AF190
main48510-A9560i200408
MARK 48510-AF200
48510BRETAINER, CUSHION, NO.1(FOR FRONT SHOCK ABSORBER)
main90948-02159×2i199902-200208
48510JCUSHION, FRONT SHOCK ABSORBER, NO.1
main90080-94077×2i199902-200008
main90080-94105×2i200008-200208
48510QRETAINER, CUSHION, NO.3(FOR FRONT SHOCK ABSORBER)
main90948-02161×2i199902-200208
48520ABSORBER ASSY, SHOCK, FRONT LH
main48510-09310i199902-200008
main48510-09320i199902-200008
main48510-09350i200008-200208
MARK 48510-AF030,OFF ROAD PACKAGE
main48510-09490i200008-200208
MARK 48510-AF011
main48510-09500i200008-200208
MARK 48510-AF021
main48510-09730i200208-200308
MARK 48510-AF090
main48510-09740i200208-200408
MARK 48510-AF100
main48510-09750i200208-200408
MARK 48510-AF030
main48510-09760i200208-200408
MARK 48510-AF060
main48510-09770i200208-200408
MARK 48510-AF080
main48510-A9130i200008-200208
OFF ROAD PACKAGE
main48510-A9280i200310-200408
MARK 48510-AF110
main48510-A9290i200408
MARK 48510-AF120
main48510-A9300i200408
MARK 48510-AF130
main48510-A9310i200310-200408
NO MARK,OFF ROAD PACKAGE
main48510-A9450i200308-200408
MARK 48510-AF091
main48510-A9520i200408
MARK 48510-AF180
main48510-A9530i200408
MARK 48510-AF210
main48510-A9540i200408
MARK 48510-AF220
main48510-A9550i200408
MARK 48510-AF190
main48510-A9560i200408
MARK 48510-AF200
48603SUPPORT SUB-ASSY, FRONT SUSPENSION, RH
main48609-0C010i199902-200008
main48609-0C020i200008-200202
main48609-0C021i200202-200208
48603ANUT(FOR FRONT SUSPENSION SUPPORT)
main90178-10015×6i200202-200208
main90179-10212×6i199902-200202
48609SUPPORT SUB-ASSY, FRONT SUSPENSION, LH
main48609-0C010i199902-200008
main48609-0C020i200008-200202
main48609-0C021i200208-200408
48680ANUT(FOR FRONT SUPPORT TO FRONT SHOCK ABSORBER)
main94184-01241×2i199902-200208
48810LINK ASSY, FRONT STABILIZER, LH
main48820-34010i200208-200408
W(REAR STABILIZER)
main48820-34020i200309-200408
OFF ROAD PACKAGE
main48820-35030i199902-200006
48811BAR, STABILIZER, FRONT
main48811-AF010i199902-200008
main48811-AF011i200008-200208
main48811-AF020i199902-200008
main48811-AF021i200208-200309
main48811-AF030i200408
W(REAR STABILIZER)
main48811-AF040i200408
48815BUSH, FRONT STABILIZER BAR, NO.1
main48815-AF010×2i199902-200008
main48815-AF011×2i200008-200208
main48815-AF020×2i199902-200008
main48815-AF021×2i200008-200208
OFF ROAD PACKAGE
main48815-AF030×2i200408
W(REAR STABILIZER)
main48815-AF040×2i200408
48817CUSHION, FRONT STABILIZER
main48817-0C010×4i200208-200408
W(REAR STABILIZER),TYPE B
main90948-01072×4i199902-200208
TYPE A
48817ARETAINER, CUSHION, NO.1(FOR FRONT STABILIZER BAR)
main90948-02131×4i199902-200208
48820ANUT(FOR FRONT STABILIZER LINK)
main90179-12141×2i199902-200008
main90179-12144×2i200008-200208
48820BLINK ASSY, FRONT STABILIZER, RH
main48820-34010i200309-200408
main48820-34020i200006-200208
main48820-35030i199902-200006
48824ABRACKET, FRONT STABILIZER, NO.1 RH
main48824-34020i199902-200008
main48824-34030i200208-200408
48829ABRACKET, FRONT STABILIZER, NO.1 LH
main48829-34010i199902-200008
main48829-34020i200008-200208
9008010124
9008011275
9008011375
9008011410
9008011482
9008018076
9017014026
9017908256
9018210004
9418401041
9462241400

34 parts on this diagram · 1 diagram in section

FRONT SPRING & SHOCK ABSORBER — Toyota Parts Diagram with OEM Numbers & Prices | EPC Data