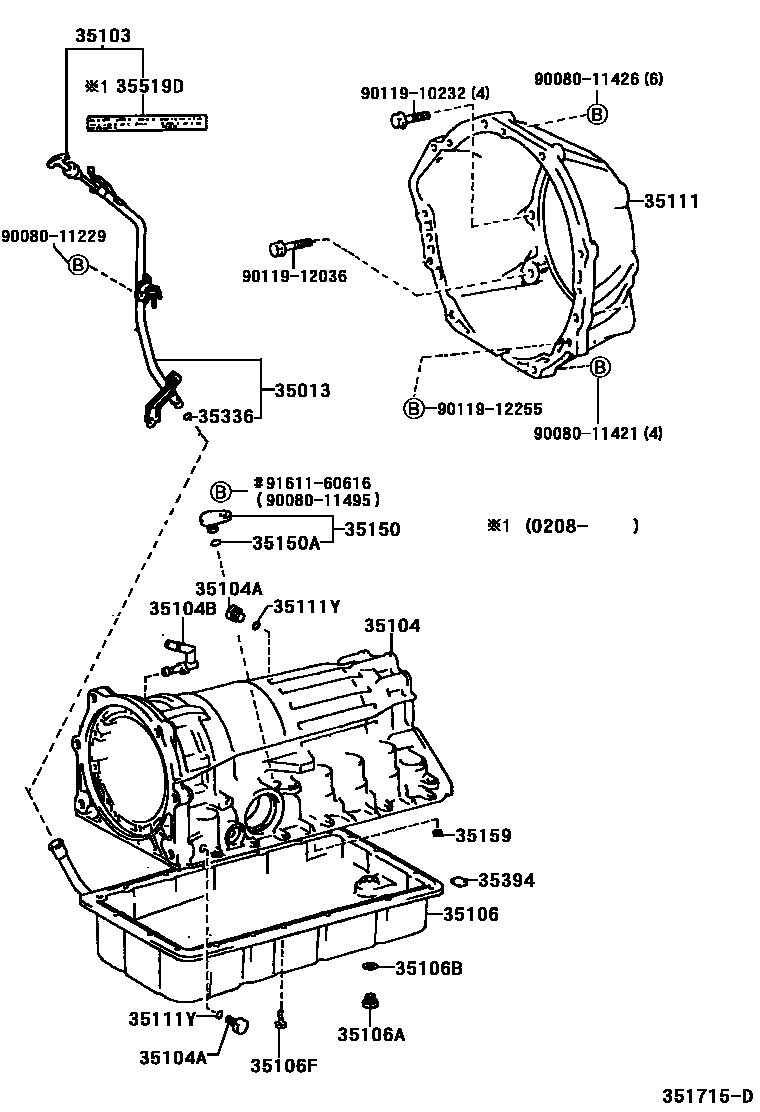
TRANSMISSION CASE & OIL PAN (ATM)

35013TUBE SUB-ASSY, TRANSMISSION OIL FILLER
CALIFORNIA SPEC
35103GAGE SUB-ASSY, TRANSMISSION OIL LEVEL
CALIFORNIA SPEC
35104APLUG, AUTOMATIC TRANSMISSION CASE
35104BPLUG, BREATHER, NO.1 (ATM)
NO.1
NO.2
NO.2
35106PAN SUB-ASSY, AUTOMATIC TRANSMISSION OIL
CALIFORNIA SPEC
35111HOUSING, AUTOMATIC TRANSMISSION
35111YRING, O (FOR AUTOMATIC TRANSMISSION CASE)
35150PLUG ASSY, TRANSMISSION CASE
35150ARING, O (FOR AUTOMATIC TRANSMISSION CASE PLUG)
35159GASKET, BRAKE DRUM
35336RING, O (FOR TRANSMISSION OIL FILLER TUBE)
35394MAGNET, OIL CLEANER (FOR TRANSMISSION)
35519DLABEL, AUTOMATIC TRANSMISSION INFORMATION
9008011229
main90080-11229
9008011421
main90080-11421
9008011426
main90080-11426
9008011495
main90080-11495
9011910232
main90119-10232
9011912036
main90119-12036
9011912255
main90119-12255
9161160616
main91611-60616
25 parts on this diagram · 5 diagrams in section