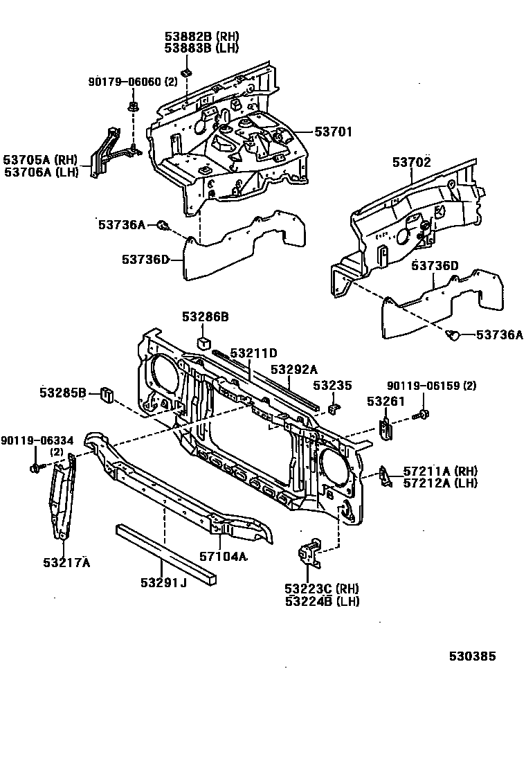
FRONT FENDER APRON & DASH PANEL

53217ABRACE, HOOD LOCK SUPPORT
53223CBRACKET, RADIATOR GRILLE MOUNTING, RH
53224BBRACKET, RADIATOR GRILLE MOUNTING, LH
53235BRACKET, HORN MOUNTING
53285BSEAL, RADIATOR SIDE AIR, NO.1
53286BSEAL, RADIATOR SIDE AIR, NO.2
53291JSEAL, RADIATOR SUPPORT
53292ASEAL, RADIATOR SUPPORT, UPPER
53701APRON SUB-ASSY, FRONT FENDER, RH
COLD AREA
W(*66=4 WHEEL)
W(*66=4 WHEEL)
53705ABRACE SUB-ASSY, FENDER APRON, RH
53706ABRACE SUB-ASSY, FENDER APRON, LH
53736ACLIP(FOR FRONT FENDER APRON SEAL)
53736DSEAL, FENDER APRON
53882BSEAL, FRONT FENDER, RH
53883BSEAL, FRONT FENDER, LH
57104AMEMBER SUB-ASSY, FRONT CROSS
57211ABRACKET, BODY MOUNTING, NO.1 RH
57212ABRACKET, BODY MOUNTING, NO.1 LH
9011906159
main90119-06159
9011906334
main90119-06334
9017906060
main90179-06060
24 parts on this diagram · 2 diagrams in section