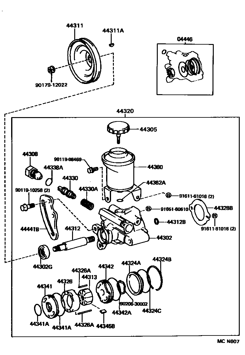
VANE PUMP & RESERVOIR (POWER STEERING)

44302HOUSING SUB-ASSY, VANE PUMP, FRONT
44308UNION SUB-ASSY, PRESSURE PORT
44311AKEY, VANE PUMP PULLEY
44313ROTOR, VANE PUMP
NO MARK
MARK 1
MARK 2
MARK 3
MARK 4
NO MARK
MARK 1
MARK 2
MARK 3
MARK 4
NO MARK
MARK 1
MARK 2
MARK 3
MARK 4
44324BRING, HOLE SNAP(FOR PUMP HOUSING REAR)
44324CRING, O(FOR PUMP HOUSING REAR)
44326RING, CAM(FOR VANE PUMP)
NO MARK
MARK 1
MARK 2
MARK 3
MARK 4
NO MARK
MARK 1
MARK 2
MARK 3
MARK 4
44326APIN, STRAIGHT(FOR VANE PUMP CAM RING)
L=28,OD=4.0
L=43,OD=4.0
L=23.3,OD=4.0
44328BEND, VANE PUMP HOUSING
44330VALVE ASSY, FLOW CONTROL
MARK A
MARK B
MARK C
MARK D
MARK E
MARK F
MARK A
MARK B
MARK C
MARK D
MARK E
MARK F
44330ASPRING, COMPRESSION(FOR FLOW CONTROL VALVE)
44338ARING, O(FOR PRESSURE PORT UNION)
44341PLATE, VANE PUMP SIDE, FRONT
44341ARING, O(FOR VANE PUMP FRONT SIDE PLATE)
INNER
OUTER
44342PLATE, VANE PUMP SIDE, REAR
44342ARING, O(FOR VANE PUMP SIDE PLATE REAR)
44345BPLATE, VANE PUMP
L=15.000
L=14.008
L=14.006
L=14.004
L=14.002
L=14.997
L=14.995
L=14.993
L=14.991
L=14.989
L=15.000
L=14.998
L=14.996
L=14.994
L=14.992
44360RESERVOIR ASSY, VANE PUMP OIL
44441BBRACKET, PUMP, FRONT
9011908469
main90119-08469
9011910258
main90119-10258
9017912022
main90179-12022
9020630002
main90206-30002
9161161016
main91611-61016
9165160610
main91651-60610
34 parts on this diagram · 3 diagrams in section