NAVIGATION & FRONT MONITOR DISPLAY

8601
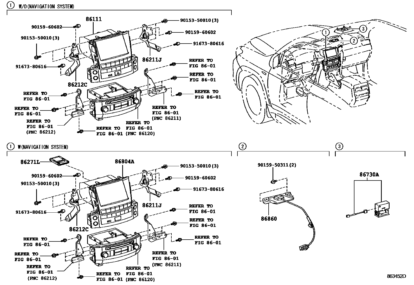
86111MULTI-DISPLAY
FUJITSU TEN,REAR SEAT ENTERTAINMENT-WITH&EMV & NAVIGATION SYSTEM-WITHOUT
FUJITSU TEN,EMV & NAVIGATION SYSTEM-WITHOUT
86211JBRACKET, RADIO RECEIVER, NO.1
86212CBRACKET, RADIO RECEIVER, NO.2
86271LHARD DISC
sub86271-50A02
sub86271-50A03
sub86271-50A52
sub86271-60141
sub86271-60143
sub86271-60211
sub86271-60212
sub86271-60213
CANADA SPEC&AUDIO(FOR OVERSEAS MARKET)-EMV + DVD + AM/FM + *MAR 19SPEAKER
sub86271-60213
sub86271-60214
86730AMICROPHONE ASSY, TELEPHONE
86804ASUB-ASSY, NAVIGATION COMPUTER
REAR SEAT ENTERTAINMENT-WITH
GUAM OR SAIPAN SPEC&AUDIO(FOR OVERSEAS MARKET)-EMV+DVD CHANGER+AM/FM+*MAR19SPEAKER
86860ANTENNA ASSY, NAVIGATION
sub86860-60300
CANADA SPEC&AUDIO(FOR OVERSEAS MARKET)-EMV & DVD & *MAR & 19SPEAKER
PUERTO RICO SPEC
GUAM, SAIPAN SPEC
HAWAII SPEC
9015350010
main90153-50010
9015950311
main90159-50311
9015960602
main90159-60602
9167380616
main91673-80616
13 parts on this diagram · 4 diagrams in section