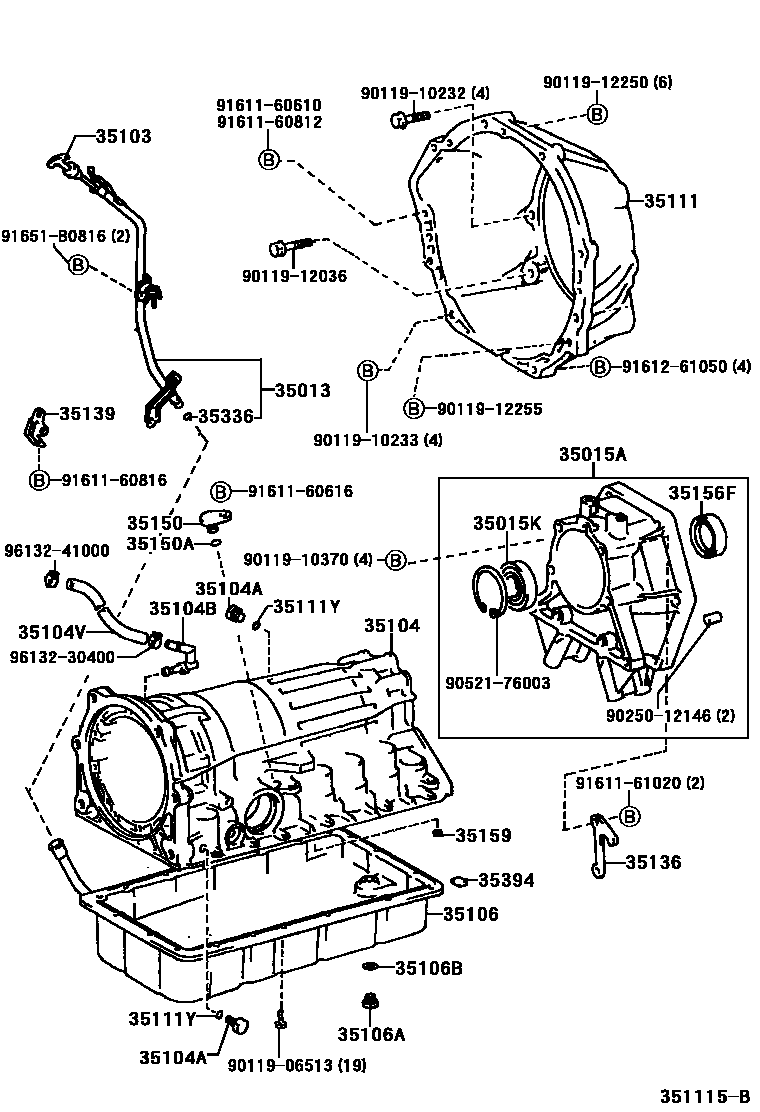
TRANSMISSION CASE & OIL PAN (ATM)

35013TUBE SUB-ASSY, TRANSMISSION OIL FILLER
35015AADAPTER SUB-ASSY, TRANSMISSION CASE, REAR
35015KBEARING, RADIAL BALL(FOR TRANSMISSION CASE ADAPTER)
35103GAGE SUB-ASSY, TRANSMISSION OIL LEVEL
35104APLUG, AUTOMATIC TRANSMISSION CASE
35104BPLUG, BREATHER, NO.1 (ATM)
35106PAN SUB-ASSY, AUTOMATIC TRANSMISSION OIL
35111HOUSING, AUTOMATIC TRANSMISSION
35111YRING, O (FOR AUTOMATIC TRANSMISSION CASE)
35136HANGER, TRANSMISSION,NO.1
35139BRACKET, OIL FILLER TUBE
35150PLUG ASSY, TRANSMISSION CASE
35150ARING, O (FOR AUTOMATIC TRANSMISSION CASE PLUG)
35156FSEAL, OIL(FOR TRANSMISSION CASE REAR ADAPTER COVER)
35336RING, O (FOR TRANSMISSION OIL FILLER TUBE)
35394MAGNET, OIL CLEANER (FOR TRANSMISSION)
9011906513
main90119-06513
9011910232
main90119-10232
9011910233
main90119-10233
9011910370
main90119-10370
9011912036
main90119-12036
9011912250
main90119-12250
9011912255
main90119-12255
9025012146
main90250-12146
9052176003
main90521-76003
9161160610
main91611-60610
9161160616
main91611-60616
9161160812
main91611-60812
9161160816
main91611-60816
9161161020
main91611-61020
9161261050
main91612-61050
91651B0816
main91651-B0816
9613230400
main96132-30400
9613241000
main96132-41000
39 parts on this diagram · 4 diagrams in section