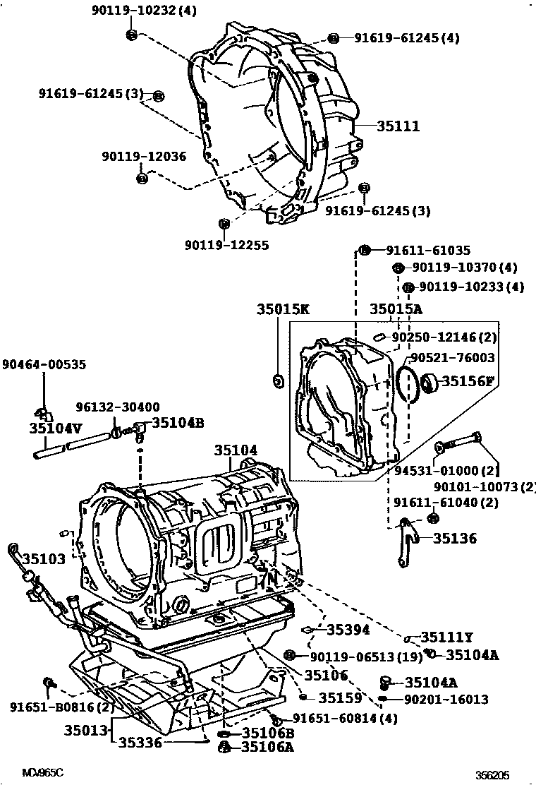
TRANSMISSION CASE & OIL PAN (ATM)

35013TUBE SUB-ASSY, TRANSMISSION OIL FILLER
35015AADAPTER SUB-ASSY, TRANSMISSION CASE, REAR
35015KBEARING, RADIAL BALL(FOR TRANSMISSION CASE ADAPTER)
35103GAGE SUB-ASSY, TRANSMISSION OIL LEVEL
35104CASE SUB-ASSY, AUTOMATIC TRANSMISSION
35104APLUG, AUTOMATIC TRANSMISSION CASE
35104BPLUG, BREATHER, NO.1 (ATM)
35104VHOSE (FOR BREATHER PLUG)
35106PAN SUB-ASSY, AUTOMATIC TRANSMISSION OIL
35106APLUG SUB-ASSY, DRAIN (ATM)
sub90341-10011
35106BGASKET, DRAIN PLUG (ATM)
35111HOUSING, AUTOMATIC TRANSMISSION
35111YRING, O (FOR AUTOMATIC TRANSMISSION CASE)
35136HANGER, TRANSMISSION,NO.1
35156FSEAL, OIL(FOR TRANSMISSION CASE REAR ADAPTER COVER)
35159GASKET, BRAKE DRUM
35336RING, O (FOR TRANSMISSION OIL FILLER TUBE)
35394MAGNET, OIL CLEANER (FOR TRANSMISSION)
9010110073
main90101-10073
9011906513
main90119-06513
9011910232
main90119-10232
9011910233
main90119-10233
9011910370
main90119-10370
9011912036
main90119-12036
9011912255
main90119-12255
9020116013
main90201-16013
9025012146
main90250-12146
9046400535
main90464-00535
9052176003
main90521-76003
9161161035
main91611-61035
9161161040
main91611-61040
9161961245
main91619-61245
9165160814
main91651-60814
91651B0816
main91651-B0816
9453101000
main94531-01000
9613230400
main96132-30400
36 parts on this diagram · 1 diagram in section