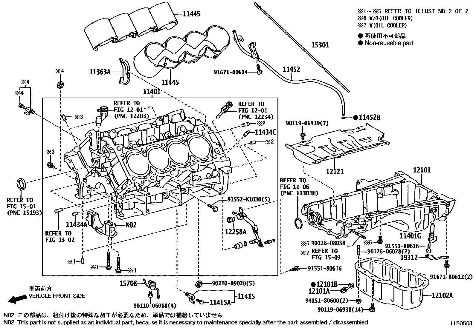
CYLINDER BLOCK

1106
11363ACOVER, FLYWHEEL HOUSING SIDE
11401GSENSOR, CRANK POSITION
*145
*119
11415COCK SUB-ASSY, WATER DRAIN(FOR CYLINDER BLOCK)
*145
*119
11415APLUG, WATER DRAIN COCK(FOR CYLINDER BLOCK)
*145
*119
11434APIN, STRAIGHT(FOR TIMING GEAR COVER SET)
L=12,OD=4.0,*145
L=12,OD=4.0,*119
L=12,OD=4.0
11434CPIN, STRAIGHT (FOR CYLINDER HEAD SET)
L=18,OD=8,*145
L=18,OD=8,*119
L=18,OD=8
11445SPACER, CYLINDER BLOCK WATER JACKET
*145
*119
11452GUIDE, OIL LEVEL GAGE
11452BRING, O(FOR OIL LEVEL GAGE GUIDE)
1201
12101APLUG(FOR OIL PAN DRAIN)
*145
*119
12101BGASKET(FOR OIL PAN DRAIN PLUG)
*145
*119
12102APAN SUB-ASSY, OIL, NO.2
*145
*119
12121PLATE, OIL PAN BAFFLE, NO.1
*145
*119
12258AGASKET, OIL RETURN PIPE
*145
*119
1302
1501
1503
15708NOZZLE SUB-ASSY, OIL, NO.1
*145
*119
19312PROTECTOR, CRANK POSITION SENSOR
*145
*119
9011006018
main90110-06018
9011906938
main90119-06938
9011906939
main90119-06939
9012606028
main90126-06028
9012608038
main90126-08038
9021009020
main90210-09020
9155180616
main91551-80616
91552K1030
main91552-K1030
9167180612
main91671-80612
9167180614
main91671-80614
9415180600
main94151-80600
35 parts on this diagram · 2 diagrams in section