E
EPC Data

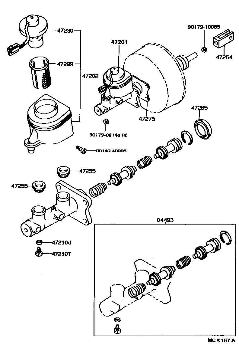
BRAKE MASTER CYLINDER

Parts diagram
04493CYLINDER KIT, BRAKE MASTER
main04493-28090i199208-199501
W(*66)
main04493-3D010i199501-199801
main04493-60210i199001-199501
47201CYLINDER SUB-ASSY, BRAKE MASTER
main47201-60410i199001-199208
main47201-60540i199208-199405
main47201-60550i199208-199501
W(*66)
main47201-60551i199501-199801
main47201-60570i199405-199501
47202RESERVOIR SUB-ASSY, BRAKE MASTER CYLINDER
main47202-60120i199001-199208
main47220-60030i199208-199405
main47220-60040i199208-199405
W(*66)
main47220-60050i199405-199501
main47220-60060i199405-199501
W(*66)
main47220-60070i199501-199801
47210JGASKET(FOR MASTER CYLINDER)
main90430-06104i199001-199801
47210TBOLT(FOR BRAKE MASTER CYLINDER)
main90109-06077i199001-199801
47230CAP ASSY, BRAKE MASTER CYLINDER RESERVOIR FILLER
main47230-20100i199208-199405
main47230-20140i199405-199501
main84460-60020i199001-199501
47255GROMMET, MASTER CYLINDER RESERVOIR
main47255-16010×2i199001-199801
47264CLEVIS, MASTER CYLINDER PUSH ROD
main47264-50010i199001-199801
47265BOOT, MASTER CYLINDER
main47265-20050i199001-199405
47275GASKET, BRAKE MASTER CYLINDER
main47275-24010i199001-199801
47299STRAINER, BRAKE MASTER CYLINDER RESERVOIR
main47299-24010i199208-199501
main47299-32010i199001-199501
9014940006
9017908146
9017910065

14 parts on this diagram · 2 diagrams in section

BRAKE MASTER CYLINDER — Toyota Parts Diagram with OEM Numbers & Prices | EPC Data