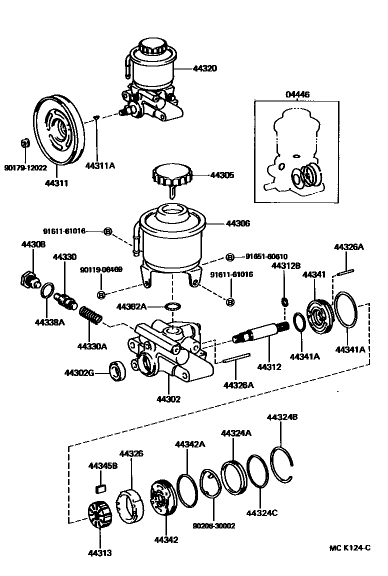
VANE PUMP & RESERVOIR (POWER STEERING)

44302HOUSING SUB-ASSY, VANE PUMP, FRONT
44302GSEAL, OIL, NO.2(FOR VANE PUMP HOUSING)
44306RESERVOIR SUB-ASSY, VANE PUMP OIL
44308UNION SUB-ASSY, PRESSURE PORT
44311PULLEY, VANE PUMP
44311AKEY, VANE PUMP PULLEY
44312BRING, SNAP, NO.1(FOR VANE PUMP SHAFT)
44313ROTOR, VANE PUMP
MARK 1
MARK 2
MARK 3
MARK 4
NO MARK
MARK 1
MARK 2
MARK 3
MARK 4
44324AHOUSING, PUMP, REAR
44324BRING, HOLE SNAP(FOR PUMP HOUSING REAR)
44326RING, CAM(FOR VANE PUMP)
NO MARK
MARK 1
MARK 2
MARK 3
MARK 4
NO MARK
MARK 1
MARK 2
MARK 3
44326APIN, STRAIGHT(FOR VANE PUMP CAM RING)
L=28,OD=4.0
L=43,OD=4.0
44330VALVE ASSY, FLOW CONTROL
MARK A
MARK B
MARK C
MARK D
MARK E
MARK F
44330ASPRING, COMPRESSION(FOR FLOW CONTROL VALVE)
44338ARING, O(FOR PRESSURE PORT UNION)
ID=19.5,OD=22.5
44341PLATE, VANE PUMP SIDE, FRONT
44341ARING, O(FOR VANE PUMP FRONT SIDE PLATE)
INNER
INNER
OUTER
44342PLATE, VANE PUMP SIDE, REAR
44345BPLATE, VANE PUMP
L=14.997
L=14.995
L=14.993
L=14.991
L=14.989
L=14.998
L=14.996
L=14.994
L=14.992
L=14.996
L=14.994
L=14.992
44362ARING, O(FOR VANE PUMP OIL RESERVOIR)
9011908469
main90119-08469
9017912022
main90179-12022
9020630002
main90206-30002
9161161016
main91611-61016
9165160610
main91651-60610
31 parts on this diagram · 3 diagrams in section