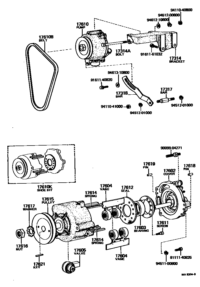
AIR PUMP

17314ABOLT, HEXAGON(FOR AIR PUMP BRACKET SETTING)
CALIFORNIA SPEC.
17317BAR, AIR PUMP ADJUSTING, NO.1
POWER STEERING
17318BAR, AIR PUMP ADJUSTING, NO.2
CALIFORNIA SPEC.
POWER STEERING
CALIFORNIA,W/POWER STEERING
17602COVER SUB-ASSY, HOUSING
17603BEARING, REAR
17604VANE SUB-ASSY
17605VALVE SUB-ASSY, RELIEF
17610PUMP ASSY, AIR
CALIFORNIA SPEC.
17610KSHOE KIT, CARBON
17611SCREW, ROTOR RING
17612SEAL, REAR(FOR AIR PUMP)
17614SPRING, SHOE(FOR AIR PUMP)
17615PULLEY(FOR AIR PUMP)
17616NUT, PULLEY LOCK
17617WASHER, PULLEY LOCK
17618PIN, KNOCK, A(FOR AIR PUMP)
17619PIN, KNOCK, B(FOR AIR PUMP)
17621KEY(FOR AIR PUMP PULLEY)
9009904271
main90099-04271
9111140825
main91111-40825
9161140820
main91611-40820
9161161032
main91611-61032
9411040800
main94110-40800
9411041000
main94110-41000
9451100800
main94511-00800
9451200800
main94512-00800
9451201000
main94512-01000
9461210800
main94612-10800
9461310800
main94613-10800
31 parts on this diagram · 4 diagrams in section