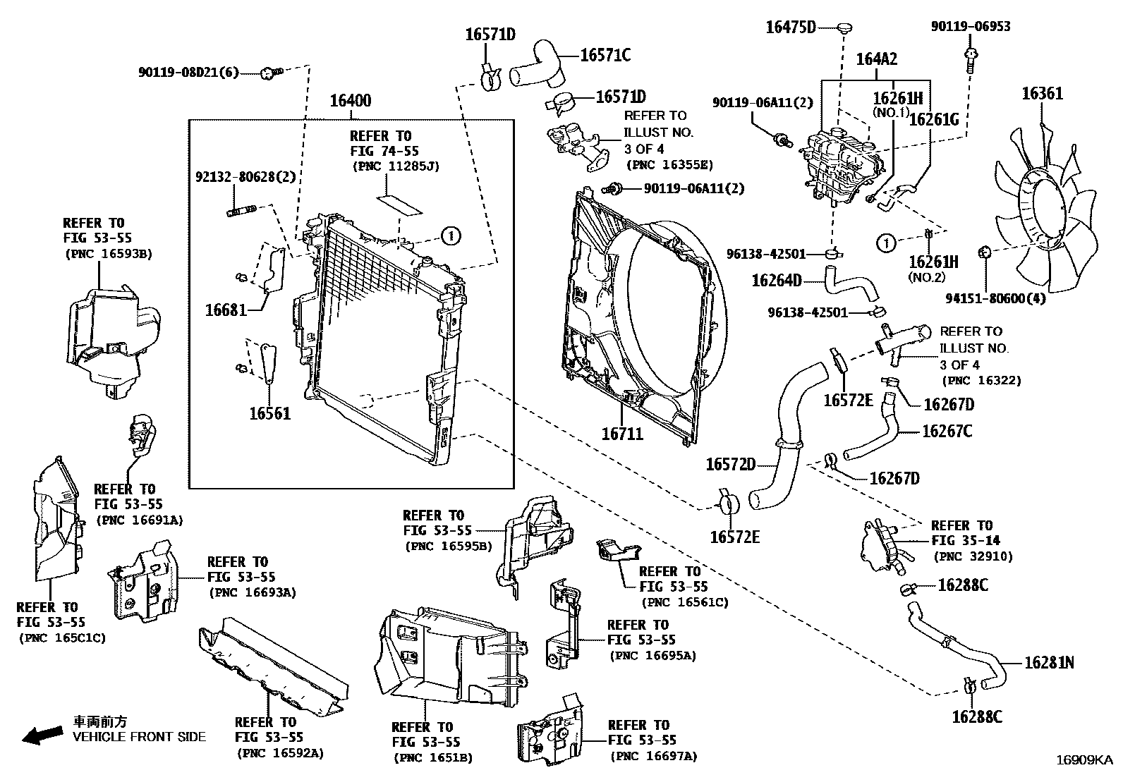
RADIATOR & WATER OUTLET

16261GHOSE, WATER BY-PASS, NO.1
16261HCLIP(FOR WATER BY-PASS HOSE NO.1)
NO.1:REFER ILLUST.
16264HOSE, WATER BY-PASS, NO.2
16264DHOSE, WATER BY-PASS, NO.2
16267HOSE, WATER BY-PASS, NO.3
16267CHOSE, WATER BY-PASS, NO.4
16267DCLIP(FOR WATER BY-PASS HOSE NO.4)
16281HOSE, WATER BY-PASS, NO.4
16281NHOSE, WATER BY-PASS, NO.4
16288PIPE, WATER BY-PASS, NO.4
16288CCLIP(FOR WATER BY-PASS PIPE NO.4)
16361FAN
16400RADIATOR ASSY
16475DCAP, RESERVE TANK
164A2TANK, RESERVE SEALED W/O CAP
16561SEAL, RADIATOR TO SUPPORT, NO.1
16571CHOSE, RADIATOR, NO.1
16571DCLIP, RADIATOR HOSE, NO.1
16572DHOSE, RADIATOR, NO.2
16572ECLIP, RADIATOR HOSE, NO.2
16681PLATE, RADIATOR UPPER AIR GUIDE
16711SHROUD, FAN
3514
5355
7455
9011906953
9011906A11
9011908D21
9213280628
9415180600
9613842501
31 parts on this diagram · 4 diagrams in section