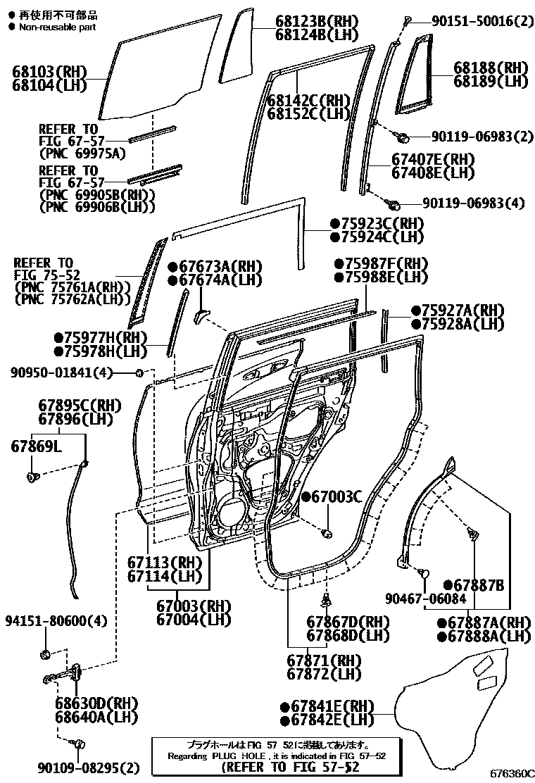
REAR DOOR PANEL & GLASS

5752
67003CCUSHION, REAR DOOR PANEL
67113PANEL, REAR DOOR, OUTER RH
67114PANEL, REAR DOOR, OUTER LH
67407EBAR SUB-ASSY, REAR DOOR WINDOW DIVISION, RH
67408EBAR SUB-ASSY, REAR DOOR WINDOW DIVISION, LH
6757
67673AGARNISH, REAR DOOR FRAME, RH
67674AGARNISH, REAR DOOR FRAME, LH
67841ECOVER, REAR DOOR SERVICE HOLE, RH
67842ECOVER, REAR DOOR SERVICE HOLE, LH
67867DRETAINER, REAR DOOR WEATHERSTRIP, RH
67868DRETAINER, REAR DOOR WEATHERSTRIP, LH
67869LCLIP, REAR DOOR WEATHERSTRIP
67871WEATHERSTRIP, REAR DOOR, RH
67872WEATHERSTRIP, REAR DOOR, LH
67887AWEATHERSTRIP, REAR DOOR, NO.2 RH
67887BCLIP(FOR REAR DOOR WEATHERSTRIP)
67888AWEATHERSTRIP, REAR DOOR, NO.2 LH
67895CWEATHERSTRIP, REAR DOOR, NO.3 RH
67896WEATHERSTRIP, REAR DOOR, NO.3 LH
68103GLASS SUB-ASSY, REAR DOOR, RH
*TEM,T=4.0,DARK GRAY
68104GLASS SUB-ASSY, REAR DOOR, LH
*TEM,T=4.0,DARK GRAY
68123BGLASS, REAR DOOR QUARTER WINDOW, RH
*TEM,T=3.5,DARK GRAY
68124BGLASS, REAR DOOR QUARTER WINDOW, LH
*TEM,T=3.5,DARK GRAY
68142CRUN, REAR DOOR GLASS, RH
68152CRUN, REAR DOOR GLASS, LH
68188WEATHERSTRIP, REAR DOOR QUARTER WINDOW, RH
68189WEATHERSTRIP, REAR DOOR QUARTER WINDOW, LH
68630DCHECK ASSY, REAR DOOR, RH
68640ACHECK ASSY, REAR DOOR, LH
7552
75923CTAPE, BLACK OUT, NO.2 RH
75924CTAPE, BLACK OUT, NO.2 LH
75927ATAPE, BLACK OUT, NO.4 RH
75928ATAPE, BLACK OUT, LH
75977HSTRIPE, REAR DOOR OUTSIDE, LOWER RH
75978HSTRIPE, REAR DOOR OUTSIDE, LOWER LH
75987FSTRIPE, REAR DOOR, OUTSIDE, RH
75988ESTRIPE, REAR DOOR, OUTSIDE LH
9010908295
9011906983
9015150016
9046706084
9095001841
9415180600
48 parts on this diagram · 2 diagrams in section