E
EPC Data

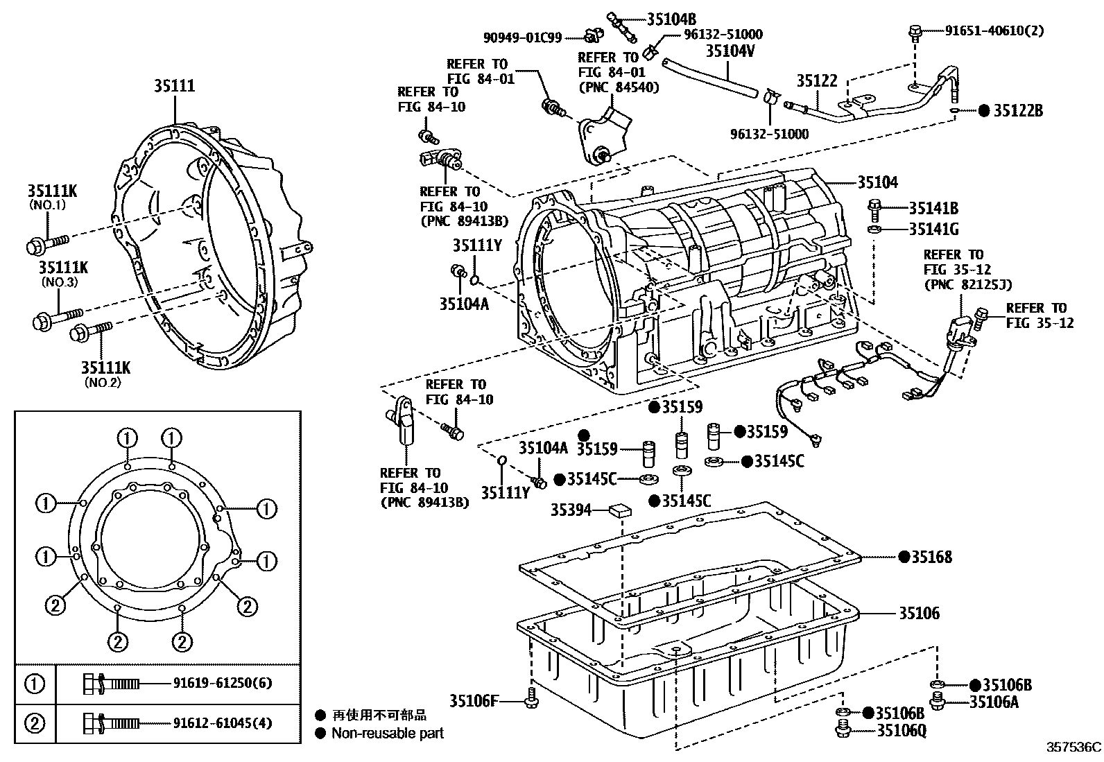
TRANSMISSION CASE & OIL PAN (ATM)

Parts diagram
35104CASE SUB-ASSY, AUTOMATIC TRANSMISSION
main35104-60221i201308-201908
35104APLUG, AUTOMATIC TRANSMISSION CASE
main90341-08001×5i200911-201308
35104BPLUG, BREATHER, NO.1 (ATM)
main90930-03188i200911-201308
35104VHOSE (FOR BREATHER PLUG)
main35121-48030i200911-201308
35106PAN SUB-ASSY, AUTOMATIC TRANSMISSION OIL
main35106-35170i200911-201308
35106APLUG SUB-ASSY, DRAIN (ATM)
main90341-10011i200911-201308
35106BGASKET, DRAIN PLUG (ATM)
main35178-30010×2i200911-201308
35106FBOLT (FOR AUTOMATIC TRANSMISSION OIL PAN)
main90119-06173×20i200911-201308
35106QPLUG (FOR AUTOMATIC TRANSMISSION OIL PAN)
main90341-10021i200911-201308
35111HOUSING, AUTOMATIC TRANSMISSION
main35111-35110i200911-201308
35111KBOLT (FOR TRANSMISSION HOUSING & CASE SETTING)
main90119-10232×6i201308-201908
*10-1.5PX35-30,NO.1
main90119-10947×2i200911-201308
*10-1.50PX35-29.3,NO.2
main90119-12378×2i200911-201308
*12-1.75PX38-30,NO.3
35111YRING, O (FOR AUTOMATIC TRANSMISSION CASE)
main90301-06196×5i200911-201308
3512
35122TUBE, BREATHER (FOR AUTOMATIC TRANSAXLE)
main35122-60020i200911-201308
35122BRING, O (FOR AUTOMATIC TRANSAXLE BREATHER TUBE UNION)
main90301-04014i200911-201308
35141BPLUG (FOR AUTOMATIC TRANSMISSION CASE)
main90341-14011i200911-201308
35141GRING, O (FOR AUTOMATIC TRANSMISSION CASE)
main90301-11030i200911-201308
35145CGASKET, TRANSAXLE CASE
main35145-60020×3i200911-201308
35159GASKET, BRAKE DRUM
main35159-60010×3i200911-201308
35168GASKET, AUTOMATIC TRANSMISSION OIL PAN
main35168-60010i200911-201308
35394MAGNET, OIL CLEANER (FOR TRANSMISSION)
main35394-30011×4i200911-201308
8401
8410
9094901C99
9161261045
9161961250
9165140610
9613251000

28 parts on this diagram · 1 diagram in section

TRANSMISSION CASE & OIL PAN (ATM) — Toyota Parts Diagram with OEM Numbers & Prices | EPC Data