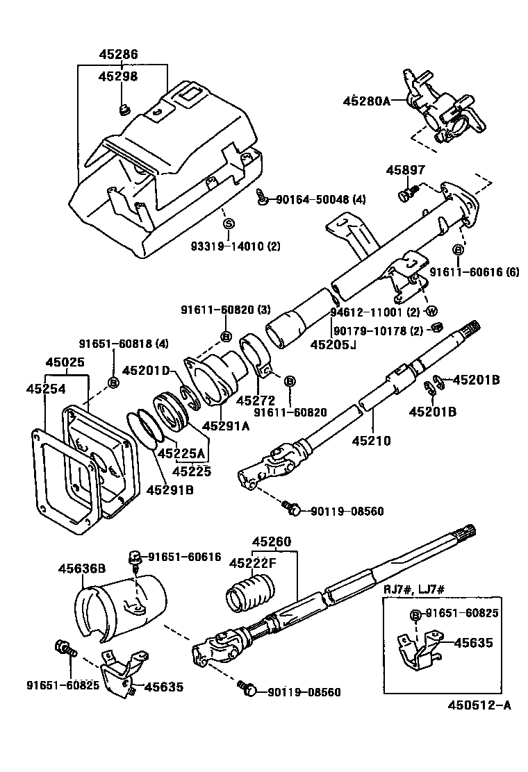
STEERING COLUMN & SHAFT

45025COVER, STEERING INTERMEDIATE SHAFT
main45025-60050iHZJ75..GEN..IV;FZJ75..LHD..IV..CBR;HZJ75..LHD..PIC..GEN..CBU;FZJ70,75,HZJ70..(HT,PIC)..GEN..CBU;FZJ73,HZJ75..(HT,SOT)..GEN..(CBR,DSL)199001-200405
W(TILT STEERING)
45201BRING, SHAFT SNAP(FOR STEERING MAIN SHAFT)
T=1.20
main90520-17042iHZJ78..ARL,GEN;FZJ71,74,78,79,HZJ71,79;FJ7#,FZJ70,73,75,HDJ7#,HJ75,HZJ70,73,75,LJ70,PZJ70,73,RJ7#..ARL,GCC,SA199001-200405
T=1.20,W(TILT STEERING)
45201DRING(FOR STEERING MAIN SHAFT)
45205JTUBE SUB-ASSY, STEERING COLUMN, UPPER
main45205-60120iHZJ75..GEN..IV;FZJ75..PIC..GEN..CBR;FZJ70,73,HZJ70..LX..GEN;HZJ75..LHD..PIC..GEN..CBU199001-200007
W(TILT STEERING(NON-COLLAPSIBLE))
main45870-60050iHZJ78..ARL,GEN;FZJ71,74,78,79,HZJ71,79;FJ7#,FZJ70,73,75,HDJ7#,HZJ70,73,75,LJ70,PZJ70,73,RJ7#..ARL,GCC199001-199908
W(TILT STEERING (COLLAPSIBLE))
W(TILT STEERING)
45210SHAFT ASSY, STEERING MAIN
sub45210-60061
W(TILT STEERING)
main45210-60061iHDJ79,HZJ79;FZJ71,78..GCC;FZJ71,78..RHD..GEN;FZJ74,79,HDJ78,HZJ71,78..CBU200404-200808
45222FCOVER, DUST
main45222-60031iFZJ75..ARL..IV;HZJ75..ARL,GCC;HZJ75..GEN..IV;FZJ75..LHD..IV..CBR;FZJ75..(ARL,GCC,GEN)..CBU;HZJ75..LHD..PIC..GEN..CBU;FZJ70,HZJ70..HT..(GCC,GEN);FZJ73,HZJ75..(HT,SOT199001-200808
45225BLOCK, BEARING
45225ARING, O(FOR BEARING BLOCK)
main96711-24053iHZJ75..RHD;HZJ78..ARL,GEN;HZJ75..LHD..CBU;FZJ70,73,75..CBR;FZJ70,75,HZJ70..ARL;FJ7#,FZJ71,74,78,79,HDJ7#,HJ75,HZJ71,73,79,LJ7#,PZJ7#,RJ7#199001-200808
45254SHIELD, STEERING COLUMN HOLE
45260SHAFT ASSY, STEERING INTERMEDIATE, NO.2
45272CLAMP, STEERING COLUMN, LOWER
45280ABRACKET ASSY, STEERING COLUMN, UPPER
main45280-60181iLJ79..LHD..LX;PZJ75..RHD..PIC;PZJ75..LHD..PIC..CBU;FZJ75,HZJ75..PIC..GEN;FZJ70,73,KZJ7#,PZJ70,RJ7#..LX..GEN199305-199501
W(TILT STEERING)
main45280-60201iHZJ75..GEN..IV;PZJ75..RHD..PIC;HZJ75..PIC..4F..CBU;FJ75,FZJ75..PIC..GEN;HZJ75,PZJ75..LHD..PIC..GEN..CBU;FJ70,73,FZJ70,73,LJ7#,PZJ70,RJ7#..LX..GEN199001-199305
W(TILT STEERING)
sub45280-60181
sub45280-60181
sub45280-60380
sub45280-60381
W(TILT STEERING)
sub45280-60381
sub45280-60381
45286COVER, STEERING COLUMN
BLUISH GRAY,TRIM1#
sub45286-60925
BLUISH GRAY,TRIM1#
sub45286-60926
SABLE,TRIM4#
sub45286-60926
main45286-60927-13iHZJ75..GEN..IV;HZJ75..PIC..4F..CBU;LJ77,79,RJ77..RHD..LX;FJ75,FZJ75,PZJ75..RHD..PIC..GEN199001-200701
W(TILT STEERING),BLUISH GRAY,TRIM1#
sub45286-60927
BLUISH GRAY,TRIM1#
sub45286-60927
main45286-60927-16iHZJ75..GEN..IV;HZJ75..PIC..4F..CBU;LJ77,79,RJ77..RHD..LX;FJ75,FZJ75,PZJ75..RHD..PIC..GEN199001-199501
W(TILT STEERING),SABLE,TRIM4#
sub45286-60927
main45286-60927-16iHZJ75..GEN..IV;HZJ75..PIC..4F..CBU;LJ77,79,RJ77..RHD..LX;FJ75,FZJ75,PZJ75..RHD..PIC..GEN199001-199501
SABLE,TRIM4#
sub45286-60927
main45286-60928-13iPZJ75..LHD..PIC..CBU;FJ75,FZJ75,HZJ75..LHD..PIC..GEN;FJ70,73,FZJ70,73,LJ7#,PZJ70,RJ7#..LHD..LX..GEN199001-199908
W(TILT STEERING),BLUISH GRAY,TRIM1#
sub45286-60928
main45286-60928-16iFZJ75..LHD..PIC..GEN;HZJ75..LHD..PIC..GEN..CBU;FZJ70,73,HZJ70,KZJ7#,LJ79,RJ7#..LHD..LX..GEN199001-199501
W(TILT STEERING),SABLE,TRIM4#
sub45286-60928
W(TILT STEERING),OAK,TRIM4#
sub45286-60928
OAK,TRIM4#
sub45286-60928
BLUISH GRAY,TRIM1#
sub45286-60930
W(REMOVABLE SASH),BLUISH GRAY,TRIM1#
sub45286-60931
W(TILT STEERING & REMOVABLE SASH),BLUISH GRAY,TRIM1#
sub45286-60932
W(REMOVABLE SASH),BLUISH GRAY,TRIM1#
sub45286-60932
W(TILT STEERING & REMOVABLE SASH),SABLE,TRIM4#
sub45286-60932
W(IMMOBILIZER),BLUISH GRAY,TRIM1#
W(IMMOBILIZER),OAK,TRIM4#
45291SEAL, MAIN SHAFT UPPER DUST
W(TILT STEERING(COLLAPSIBLE))
W(TILT STEERING)
main45282-60010iHZJ75..SA;HZJ75..GEN..IV;PZJ75..RHD..PIC;FJ75,FZJ75,HJ75..PIC..(GEN,SA);HZJ75,PZJ75..LHD..PIC..GEN..CBU199001-199908
W(TILT STEERING(NON-COLLAPSIBLE))
main45282-60010iHZJ75..SA;LJ79..RHD..LX;HZJ75..RHD..GEN..IV;FZJ75..PIC..(GEN,SA);HZJ75..LHD..PIC..GEN..CBU199401-200405
45291ASUPPORT, STEERING COLUMN TUBE
45291BRING, O(FOR STEERING COLUMN TUBE SUPPORT)
main90301-60122iHZJ78..STD;FZJ78..GCC;HZJ79..GCC,GEN;HZJ79..ARL..IV;FZJ71,78..RHD..GEN;FZJ71,HDJ79..ARL,GCC;FZJ74,79,HDJ78,HZJ71..CBU199305-200808
main90301-60122iHZJ78..ARL,GEN;FZJ71,74,78,79,HZJ71,79;FJ7#,FZJ70,73,75,HDJ7#,HZJ70,73,75,LJ70,PZJ70,73,RJ7#..ARL,GCC199001-200007
W(TILT STEERING)
45298PLUG, STEERING COLUMN COVER
main45298-60010iFJ73,FZJ73,HZJ73,PZJ73..CBR,DSL;FJ70,FZJ70,74,HZJ71,LJ72,PZJ70,RJ70..SOT199001-200701
45635SUPPORT, INTERMEDIATE LINK JOINT PROTECTOR
main45635-60050iHZJ75..ARL;FZJ75..ARL..IV;HZJ75..RHD..GEN..IV;FZJ70,HZJ7#..RHD..HT..GEN;FZJ75..RHD..(ARL,GEN)..CBU199001-200701
45636BPROTECTOR, INTERMEDIATE LINK JOINT
45897BOLT, STEERING LOCK SET
main45897-14010iHZJ75..GEN..IV;FZJ75..PIC..GEN..CBR;FZJ70,73,HZJ70..LX..GEN;HZJ75..LHD..PIC..GEN..CBU199001-200007
W(POWER STEERING)
sub45897-12030
sub45897-12030
9011908560
main90119-08560
9016450048
main90164-50048
9017910178
main90179-10178
9161160616
main91611-60616
9161160820
main91611-60820
9165160616
main91651-60616
9165160818
main91651-60818
9165160825
main91651-60825
9331914010
main93319-14010
9461211001
main94612-11001
30 parts on this diagram · 4 diagrams in section