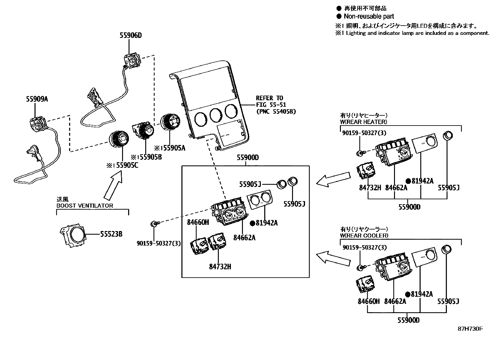
HEATING & AIR CONDITIONING - CONTROL & AIR DUCT

55523BCOVER, HEATER CONTROL OPENING
REAR WINDOW WIPER-WITH&FRONT HEATER-WITH(PTC & VISCOUS & 2LAYER TYPE)
FRONT HEATER-WITH(PTC & VISCOUS & 2LAYER TYPE)
FRONT HEATER-WITH(PTC & VISCOUS & 2LAYER TYPE)&FRONT AIR CONDITIONER-MANUAL COOLER
REAR WINDOW WIPER-WITH&FRONT HEATER-WITH(PTC & VISCOUS & 2LAYER TYPE)&FRONT AIR CONDITIONER-MANUAL COOLER
55900CONTROL ASSY, AIR CONDITIONER
MYANMAR SPEC&PREMIUM PACKAGE&REAR AIR CONDITIONER-WITH(REAR AUTO AIR CONDITIONER)&REAR SEAT-3-ROW(FOR 7 PERSONS, NO.3 SEAT:*45)
GUATEMALA SPEC&PREMIUM PACKAGE&WITHOUT(TROPIC SPEC)&REAR AIR CONDITIONER-WITH(REARAUTO AIR CONDITIONER)&REAR SEAT-3-ROW(FOR 7 PERSONS, NO.3 SEAT:*45)
LAOS SPEC&PREMIUM PACKAGE&REAR AIR CONDITIONER-WITH(REAR AUTO AIR CONDITIONER)&REAR SEAT-3-ROW(FOR 7 PERSONS, NO.3 SEAT:*45)
55900DCONTROL ASSY, AIR CONDITIONER, NO.2
main55900-26780iGRH322..6FC..(N,Q);GRH322..LHD..6F..N;GDH322..6FC..Q..GCC;GDH301..GSOB..6FC..N;GDH322..LHD..6FC..N..GEN;GDH322..LHD..SG..6F..(N,Q);GDH301,328,GRH301,321..LHD..SG..(201902-202505
REAR HEATER-WITH(FLOOR SET)&REAR AIR CONDITIONER-WITH(REAR COOLER,INDIVIDUAL NOZZLE)
REAR HEATER-WITH(FLOOR SET)
REAR AIR CONDITIONER-WITH(REAR COOLER,INDIVIDUAL NOZZLE)
main55900-26890iGDH301..RHD..6FC..D..GEN;GDH301..RHD..SG..6F..D..GEN;GDH300,GRH301..RHD..(HPSOB,SG,SHP)..D..GEN201902
REAR AIR CONDITIONER-WITH(REAR COOLER,JET NOZZLE)
55905AKNOB, HEATER CONTROL
FRONT HEATER-WITH(PTC & VISCOUS & 2LAYER TYPE)
REAR WINDOW WIPER-WITH&FRONT HEATER-WITH(PTC & VISCOUS & 2LAYER TYPE)
REAR WINDOW WIPER-WITH&FRONT HEATER-WITH(PTC & VISCOUS & 2LAYER TYPE)&FRONT AIR CONDITIONER-MANUAL COOLER
FRONT HEATER-WITH(PTC & VISCOUS & 2LAYER TYPE)&FRONT AIR CONDITIONER-MANUAL COOLER
main55901-26230iGDH322..SG..D..GEN;GDH300..LHD..SP..GEN;GDH320..LHD..SP..6FC..GEN;GDH300..5D..(SHP,SP)..GEN;GDH300..RHD..4D..SP..6F..(GEN,TH);GDH320,GRH322..LHD..(SG,SP)..6F..D..GE201902
REAR WINDOW DEFOGGER-WITH&FRONT HEATER-WITH(PTC HEATER)
main55901-26230iGDH300..5D..SP..GEN;GDH300..SHP..6FC..GEN;GDH320..LHD..SP..6FC..GEN;GDH300,GRH320..LHD..SP..GEN;GDH300..RHD..4D..SP..6F..GEN;GDH301,322,GRH300,301..(SG,SP)..D..GEN;201902
REAR WINDOW DEFOGGER-WITH
main55901-26230iGDH300..5D..SP..GEN;GDH300..SHP..6FC..GEN;GDH320..LHD..SP..6FC..GEN;GDH300,GRH320..LHD..SP..GEN;GDH300..RHD..4D..SP..6F..GEN;GDH301,322,GRH300,301..(SG,SP)..D..GEN;201902
REAR WINDOW DEFOGGER-WITH&FRONT HEATER-WITH
main55901-26240iGDH322..Q..ARL;GDH321,322..RHD..N;GDH301..GSOB..6FC..N;GDH322..LHD..6FC..(N,Q);GDH322..LHD..SG..6F..(N,Q);GDH301,328,GRH301,321,322..SG..(N,Q)201902
FRONT HEATER-WITH(PTC & VISCOUS & 2LAYER TYPE)
55905BKNOB, HEATER CONTROL, NO.2
FRONT HEATER-WITH(PTC & VISCOUS & 2LAYER TYPE)&FRONT AIR CONDITIONER-MANUAL COOLER
REAR WINDOW WIPER-WITH&FRONT HEATER-WITH(PTC & VISCOUS & 2LAYER TYPE)
REAR WINDOW WIPER-WITH&FRONT HEATER-WITH(PTC & VISCOUS & 2LAYER TYPE)&FRONT AIR CONDITIONER-MANUAL COOLER
FRONT HEATER-WITH(PTC & VISCOUS & 2LAYER TYPE)
FRONT HEATER-WITH(PTC & VISCOUS & 2LAYER TYPE)
55905CKNOB, HEATER CONTROL, NO.3
FRONT HEATER-WITH(PTC & VISCOUS & 2LAYER TYPE)
REAR WINDOW DEFOGGER-WITH(TIMER) SWING DOOR&FRONT HEATER-WITH
REAR WINDOW WIPER-WITH&FRONT HEATER-WITH(PTC & VISCOUS & 2LAYER TYPE)
REAR WINDOW WIPER-WITH&FRONT HEATER-WITH(PTC & VISCOUS & 2LAYER TYPE)&FRONT AIR CONDITIONER-MANUAL COOLER
FRONT HEATER-WITH(PTC & VISCOUS & 2LAYER TYPE)&FRONT AIR CONDITIONER-MANUAL COOLER
FRONT HEATER-WITH(PTC & VISCOUS & 2LAYER TYPE)
main55903-26130iGDH300..5D..SP..GEN;GRH301..LHD..6FC..D;GDH301,322..SG..D..GEN;GDH320..LHD..5D..6FC..GEN;GDH320..LHD..PSOB..6F..GEN;GDH300..RHD..4D..SP..6F..GEN;GDH320,GRH320..RHD.201902-202506
FRONT HEATER-WITH(PTC HEATER)
main55903-26130iGDH300..5D..SP..GEN;GRH301..LHD..6FC..D;GDH301,322..SG..D..GEN;GDH320..LHD..5D..6FC..GEN;GDH320..LHD..PSOB..6F..GEN;GDH300..RHD..4D..SP..6F..GEN;GDH320,GRH320..RHD.201902-202506
REAR WINDOW DEFOGGER-WITH&FRONT HEATER-WITH(PTC HEATER)
REAR WINDOW DEFOGGER-WITH&FRONT HEATER-WITH(PTC HEATER)
FRONT HEATER-WITH(PTC HEATER)
55905JKNOB SUB-ASSY, CONTROL
main55905-26050iGRH301..LHD..D;GDH322..SG..D..GEN;GRH322..LHD..6F..D;GDH301..LHD..6FC..D;GDH322..LHD..GSOB..D;GDH322..RHD..GSOB..6F;GDH301..SG..6F..D..GEN;GDH301..LHD..GSOB..6F..D201902-202208
REAR HEATER-WITH(FLOOR SET)&REAR AIR CONDITIONER-WITH(REAR COOLER,JET NOZZLE)
main55905-26050iGRH301..D;GDH301..6FC..D..GEN;GDH301..SG..6F..D..GEN;GDH300,GRH300..HPSOB,SHP;GDH301..LHD..GSOB..6F..D201902-202208
REAR HEATER-WITH(FLOOR SET)
main55905-26050iGRH301..D;GDH301..6FC..D..GEN;GDH301..SG..6F..D..GEN;GDH300,GRH300..HPSOB,SHP;GDH301..LHD..GSOB..6F..D201902
REAR AIR CONDITIONER-WITH(REAR COOLER,JET NOZZLE)
main55905-26050iGRH322..6F..D;GDH321..D..IDN;GRH322..RHD..6FC;GDH322..SG..D..GEN;GDH322..LHD..GSOB..D;GDH322..RHD..GSOB..6F201903
REAR HEATER-WITH(FLOOR SET)&REAR AIR CONDITIONER-WITH(REAR COOLER,INDIVIDUAL NOZZLE)
main55905-26050iGRH322..6F..D;GDH321..D..IDN;GRH322..RHD..6FC;GDH322..SG..D..GEN;GDH322..LHD..GSOB..D;GDH322..RHD..GSOB..6F201903
REAR AIR CONDITIONER-WITH(REAR COOLER,INDIVIDUAL NOZZLE)
55906DCABLE SUB-ASSY, HEATER CONTROL, NO.2
sub55906-26081
main55906-26081iGDH300..RHD..5D;GDH322..RHD..GSOB..N;GDH300..RHD..4D..PSOB;GDH301..RHD..GSOB..6FC;GDH300..4D..SP..(ARL,TH);GDH300,322..RHD..4D..(GSOB,SP)..6F..GEN;GDH301,320,321,32202007-202505
FRONT HEATER-WITH(PTC & VISCOUS & 2LAYER TYPE)
sub55906-26091
RUSSIA SPEC&COLD AREA SPEC(-20C AREA)&FRONT HEATER-WITH(PTC & VISCOUS & 2LAYER TYPE)&FRONT AIR CONDITIONER-AUTO AIR CONDITIONER
GEORGIA SPEC&COLD AREA SPEC(-10C AREA)&FRONT HEATER-WITH(PTC HEATER)&FRONT AIR CONDITIONER-WITHOUT
COLD AREA SPEC(-20C AREA)&FRONT HEATER-WITH(PTC & VISCOUS & 2LAYER TYPE)&FRONT AIRCONDITIONER-AUTO AIR CONDITIONER
FRONT HEATER-WITH(PTC & VISCOUS & 2LAYER TYPE)&FRONT AIR CONDITIONER-AUTO AIR CONDITIONER
GEORGIA SPEC&COLD AREA SPEC(-10C AREA)&FRONT AIR CONDITIONER-WITHOUT
GEORGIA SPEC&COLD AREA SPEC(-10C AREA)&FRONT HEATER-WITH(PTC HEATER)&FRONT AIR CONDITIONER-MANUAL COOLER
main55906-26091iGDH301..LHD..SG;GDH322..6F..GCC;GRH322..LHD..6F;GDH322..LHD..6FC;GRH322..6FC..(N,P,Q);GDH301..LHD..GSOB..6FC;GDH301,322..LHD..GSOB..6F..D;GDH322..LHD..SG..6F..(D,N)202007
KAZAKHSTAN SPEC&COLD AREA SPEC(-20C AREA)&FRONT HEATER-WITH(PTC & VISCOUS & 2LAYERTYPE)&FRONT AIR CONDITIONER-AUTO AIR CONDITIONER
main55906-26091iGDH301..LHD..SG;GDH322..6F..GCC;GRH322..LHD..6F;GDH322..LHD..6FC;GRH322..6FC..(N,P,Q);GDH301..LHD..GSOB..6FC;GDH301,322..LHD..GSOB..6F..D;GDH322..LHD..SG..6F..(D,N)202007
AZERBAIJAN SPEC&COLD AREA SPEC(-20C AREA)&FRONT HEATER-WITH(PTC & VISCOUS & 2LAYERTYPE)&FRONT AIR CONDITIONER-AUTO AIR CONDITIONER
main55906-26091iGDH301..LHD..SG;GDH322..6F..GCC;GRH322..LHD..6F;GDH322..LHD..6FC;GRH322..6FC..(N,P,Q);GDH301..LHD..GSOB..6FC;GDH301,322..LHD..GSOB..6F..D;GDH322..LHD..SG..6F..(D,N)202007
GEORGIA SPEC&COLD AREA SPEC(-20C AREA)&FRONT HEATER-WITH(PTC & VISCOUS & 2LAYER TYPE)&FRONT AIR CONDITIONER-AUTO AIR CONDITIONER
main55906-26091iGDH301..LHD..SG;GDH322..6F..GCC;GRH322..LHD..6F;GDH322..LHD..6FC;GRH322..6FC..(N,P,Q);GDH301..LHD..GSOB..6FC;GDH301,322..LHD..GSOB..6F..D;GDH322..LHD..SG..6F..(D,N)202007
TURKMENISTAN SPEC&COLD AREA SPEC(-20C AREA)&FRONT HEATER-WITH(PTC & VISCOUS & 2LAYER TYPE)&FRONT AIR CONDITIONER-AUTO AIR CONDITIONER
main55906-26091iGDH301..LHD..SG;GDH322..6F..GCC;GRH322..LHD..6F;GDH322..LHD..6FC;GRH322..6FC..(N,P,Q);GDH301..LHD..GSOB..6FC;GDH301,322..LHD..GSOB..6F..D;GDH322..LHD..SG..6F..(D,N)202007
COLD AREA SPEC(-20C AREA)&FRONT HEATER-WITH(PTC & VISCOUS & 2LAYER TYPE)
main55906-26091iGDH301..LHD..SG;GDH322..6F..GCC;GRH322..LHD..6F;GDH322..LHD..6FC;GRH322..6FC..(N,P,Q);GDH301..LHD..GSOB..6FC;GDH301,322..LHD..GSOB..6F..D;GDH322..LHD..SG..6F..(D,N)202007
FRONT HEATER-WITH(PTC & VISCOUS & 2LAYER TYPE)
main55906-26091iGDH301..LHD..SG;GDH322..6F..GCC;GRH322..LHD..6F;GDH322..LHD..6FC;GRH322..6FC..(N,P,Q);GDH301..LHD..GSOB..6FC;GDH301,322..LHD..GSOB..6F..D;GDH322..LHD..SG..6F..(D,N)202007
MONGOLIA SPEC&FRONT HEATER-WITH(PTC & VISCOUS & 2LAYER TYPE)&FRONT AIR CONDITIONER-AUTO AIR CONDITIONER
55909ACABLE SUB-ASSY, AIRMIX DAMPER CONTROL
sub55909-26131
FRONT HEATER-WITH&FRONT AIR CONDITIONER-MANUAL COOLER&REAR AIR CONDITIONER-WITH(REAR COOLER,JET NOZZLE)
sub55909-26131
FRONT HEATER-WITH(PTC HEATER)
sub55909-26131
FRONT HEATER-WITH(PTC HEATER)&FRONT AIR CONDITIONER-MANUAL COOLER
sub55909-26131
FRONT HEATER-WITH(PTC HEATER)&FRONT AIR CONDITIONER-MANUAL COOLER&REAR AIR CONDITIONER-WITH(REAR COOLER,JET NOZZLE)
sub55909-26131
FRONT HEATER-WITH
sub55909-26131
FRONT HEATER-WITH&FRONT AIR CONDITIONER-MANUAL COOLER
sub55909-26131
FRONT HEATER-WITH(PTC HEATER)
FRONT HEATER-WITH
FRONT HEATER-WITH(PTC & VISCOUS & 2LAYER TYPE)
FRONT HEATER-WITH&FRONT AIR CONDITIONER-MANUAL COOLER
sub55909-26141
FRONT HEATER-WITH(PTC HEATER)&FRONT AIR CONDITIONER-MANUAL COOLER
sub55909-26141
FRONT HEATER-WITH(PTC HEATER)&FRONT AIR CONDITIONER-MANUAL COOLER&REAR AIR CONDITIONER-WITH(REAR COOLER,JET NOZZLE)
sub55909-26141
FRONT HEATER-WITH
sub55909-26141
FRONT HEATER-WITH&FRONT AIR CONDITIONER-MANUAL COOLER&REAR AIR CONDITIONER-WITH(REAR COOLER,JET NOZZLE)
sub55909-26141
FRONT HEATER-WITH(PTC HEATER)
sub55909-26141
main55909-26141iGRH321..GEN;GDH301..GSOB..6FC..N;GDH300,320,322,328,GRH300,320,322..AGT,BZ,GCC202007
FRONT HEATER-WITH
main55909-26141iGRH322..6FC..N;GDH320..LHD..GEN;GRH322..LHD..6F..GEN;GDH322..LHD..6FC..GEN;GDH322..LHD..GSOB..6F..D;GDH322..LHD..SG..6F..(D,N)..GEN;GDH301,GRH320..LHD..(GSOB,SP)..D202007
FRONT HEATER-WITH(PTC HEATER)
81942ASHEET, HEATER CONTROL NAME, NO.1
REAR HEATER-WITH(FLOOR SET)
REAR HEATER-WITH(FLOOR SET)&REAR AIR CONDITIONER-WITH(REAR COOLER,INDIVIDUAL NOZZLE)
REAR AIR CONDITIONER-WITH(REAR COOLER,INDIVIDUAL NOZZLE)
REAR AIR CONDITIONER-WITH(REAR COOLER,JET NOZZLE)
84660HSWITCH ASSY, COOLER CONTROL
main84660-26030iGDH321..6FC;GDH322..GSOB..P;GDH322..6FC..P..GEN;GDH322..(D,P)..(ARL,GCC,NZ,TH);GDH301,328,GRH321,322..(D,P)..(ARL,BZ,GCC,NZ,TH,VN)201902
REAR HEATER-WITH(FLOOR SET)&REAR AIR CONDITIONER-WITH(REAR COOLER,JET NOZZLE)
main84660-26030iGDH321..6FC;GDH322..GSOB..P;GDH322..6FC..P..GEN;GDH322..(D,P)..(ARL,GCC,NZ,TH);GDH301,328,GRH321,322..(D,P)..(ARL,BZ,GCC,NZ,TH,VN)201902
REAR AIR CONDITIONER-WITH(REAR COOLER,JET NOZZLE)
84662APANEL, COOLER CONTROL SWITCH
REAR HEATER-WITH(FLOOR SET)
REAR HEATER-WITH(FLOOR SET)&REAR AIR CONDITIONER-WITH(REAR COOLER,INDIVIDUAL NOZZLE)
REAR AIR CONDITIONER-WITH(REAR COOLER,INDIVIDUAL NOZZLE)
REAR AIR CONDITIONER-WITH(REAR COOLER,JET NOZZLE)
84732HSWITCH, HEATER BLOWER
main84730-26120iGDH322..SG..D..GEN;GRH322..LHD..6F..D;GDH322..LHD..GSOB..D;GDH322..RHD..GSOB..6F201903
REAR HEATER-WITH(FLOOR SET)&REAR AIR CONDITIONER-WITH(REAR COOLER,INDIVIDUAL NOZZLE)
9015950327
main90159-50327
14 parts on this diagram · 14 diagrams in section