HEATING & AIR CONDITIONING - HEATER UNIT & BLOWER

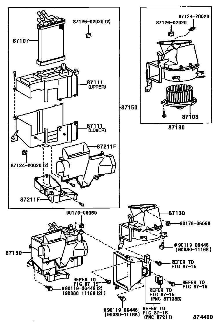
87103MOTOR SUB-ASSY, HEATER BLOWER, W/FAN
87107UNIT SUB-ASSY, HEATER RADIATOR
87111CASE, HEATER
UPPER
LOWER
87130BLOWER ASSY, HEATER, FRONT
8715
87211EDUCT, AIR
8712420020CLAMP, HEATER
main87124-20020
8712602020CLAMP, HEATER CONTROL
main87126-02020
9008011168
main90080-11168
9011906446
main90119-06446
9017906069
main90179-06069
13 parts on this diagram · 2 diagrams in section