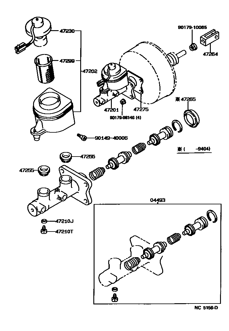
BRAKE MASTER CYLINDER

47201CYLINDER SUB-ASSY, BRAKE MASTER
JST
JST
AISIN
AISIN
47202RESERVOIR SUB-ASSY, BRAKE MASTER CYLINDER
AISIN
JST
47210JGASKET(FOR MASTER CYLINDER)
47210TBOLT(FOR BRAKE MASTER CYLINDER)
47255GROMMET, MASTER CYLINDER RESERVOIR
AISIN
JST
47264CLEVIS, MASTER CYLINDER PUSH ROD
47275GASKET, BRAKE MASTER CYLINDER
9014940006
main90149-40006
9017908146
main90179-08146
9017910065
main90179-10065
14 parts on this diagram · 1 diagram in section