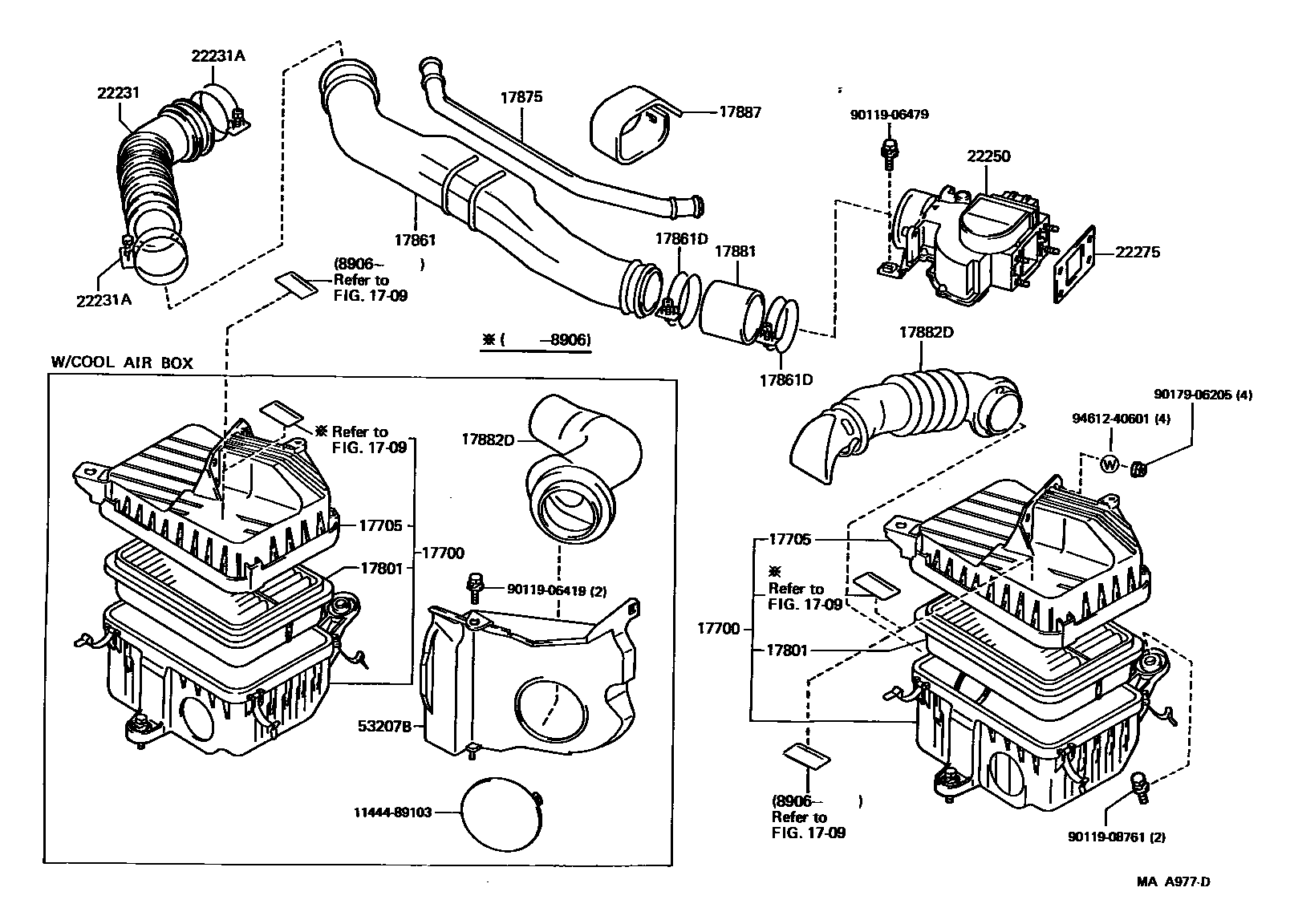
AIR CLEANER

1709
17700CLEANER ASSY, AIR
PURO DENSO
W(AIR BOX)
W(AIR BOX),PURO DENSO
NIPPONDENSO
W(AIR BOX)
W(AIR BOX),NIPPONDENSO
17705CAP SUB-ASSY, AIR CLEANER
PURO DENSO
NIPPONDENSO
17801ELEMENT SUB-ASSY, AIR CLEANER FILTER
PURO DENSO
NIPPONDENSO
17861CONNECTOR, INTAKE AIR
17861DCLAMP(FOR INTAKE AIR CONNECTOR)
THROTTLE BODY SIDE
17875PIPE, INTAKE AIR CONNECTOR
17881HOSE, AIR CLEANER, NO.1
17882DHOSE, COOL AIR INTAKE
W(AIR BOX)
17887COVER, AIR CLEANER HOSE
22231HOSE, THROTTLE BODY
22231ACLAMP OR CLIP(FOR THROTTLE BODY HOSE)
22250METER ASSY, INTAKE AIR FLOW
22275GASKET, AIR FLOW METER
53207BDUCT SUB-ASSY, COOL AIR
1144489103PLUG, HOLE
main11444-89103
9011906419
main90119-06419
9011906479
main90119-06479
9011908761
main90119-08761
9017906205
main90179-06205
9461240601
main94612-40601
21 parts on this diagram · 1 diagram in section