FRONT FENDER APRON & DASH PANEL

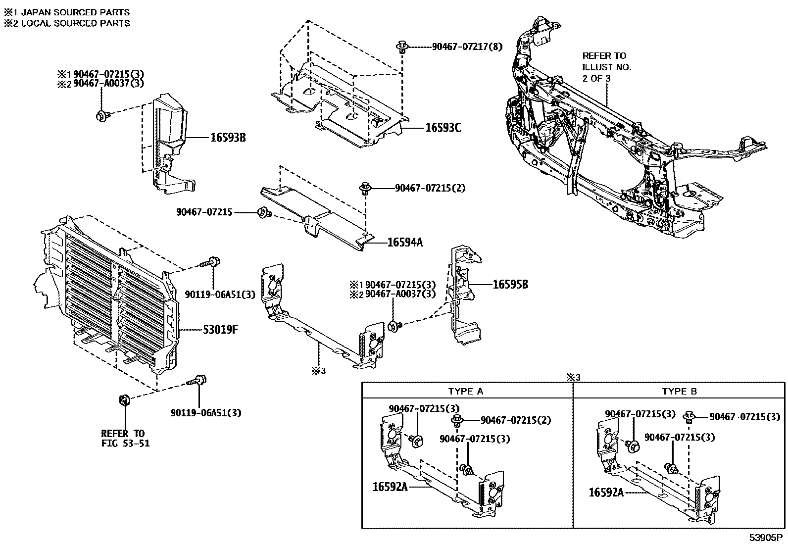
16592AGUIDE, RADIATOR AIR, NO.3
TYPE A:REFER ILLUST.
TYPE B:REFER ILLUST.
TRD OFFROAD PACKAGE,TYPE B:REFER ILLUST.
16593BGUIDE, RADIATOR AIR, NO.1 RH
16593CGUIDE, RADIATOR AIR, NO.1
16594AGUIDE, RADIATOR AIR, NO.2
16595BGUIDE, RADIATOR AIR, NO.1 LH
53019FSHUTTER SUB-ASSY, RADIATOR
5351
9011906A51
main90119-06A51
9046707215
main90467-07215
9046707217
main90467-07217
90467A0037
main90467-A0037
11 parts on this diagram · 3 diagrams in section