E
EPC Data

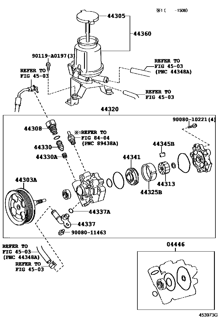
VANE PUMP & RESERVOIR (POWER STEERING)

Parts diagram
04446GASKET KIT, POWER STEERING PUMP
main04446-02070i200409-200704
main04446-02140i200702-201909
44303ASHAFT SUB-ASSY, W/PULLEY
main44303-06060i200409-201909
44305CAP SUB-ASSY, VANE PUMP OIL RESERVOIR
main44305-04010i200908-201909
main44305-06030i200409-200709
main44305-06050i200710-200907
main44305-22040i200409-200801
main44305-22060i200802-201204
main44305-22061i201205-201909
44308UNION SUB-ASSY, PRESSURE PORT
main44308-04010i200409-201508
main44308-04020i200409-201508
main44308-04030i200409-201909
44313ROTOR, VANE PUMP
main44313-06060i200409-201909
MARK 0
main44313-06070i200409-201909
MARK 1
main44313-06080i200409-201909
MARK 2
main44313-06090i200409-201909
MARK 3
main44313-06100i200409-201909
MARK 4
44320PUMP ASSY, VANE
main44310-04100i200409-201508
main44310-04130i200409-201508
main44310-04140i200409-201909
main44310-04150i200409-201508
main44310-04200i201508-201909
44325BRING, VANE PUMP CAM
main44325-06060i200409-201909
NO MARK
main44325-06070i200409-201909
MARK 1
main44325-06080i200409-201909
MARK 2
main44325-06090i200409-201909
MARK 3
main44325-06100i200409-201909
MARK 4
44330VALVE ASSY, FLOW CONTROL
main44330-04070i200409-201909
MARK A
main44330-04080i200409-201909
MARK B
main44330-04090i200409-201909
MARK C
main44330-04100i200409-201909
MARK D
main44330-04110i200409-201909
MARK E
main44330-04120i200409-201909
MARK F
main44330-04130i201508-201909
MARK A
main44330-04140i201508-201909
MARK B
main44330-04150i201508-201909
MARK C
main44330-04160i201508-201909
MARK D
main44330-04170i201508-201909
MARK E
main44330-04180i201508-201909
MARK F
44330ASPRING, COMPRESSION(FOR FLOW CONTROL VALVE)
main90080-50222i200409-201909
44337UNION, POWER STEERING SUCTION PORT
main44337-04020i200409-201508
main44337-32110i200409-201909
44337ARING, O(FOR POWER STEERING SUCTION PORT)
main90301-11020i200409-201909
44341PLATE, VANE PUMP SIDE, FRONT
main44341-32031i200409-201909
44345BPLATE, VANE PUMP
main44345-06010i200409-201909
L=12.000
main44345-06020i200409-201909
L=11.998
main44345-06030i200409-201909
L=11.996
main44345-06040i200409-201909
L=11.994
main44345-06050i200409-201909
L=11.992
44360RESERVOIR ASSY, VANE PUMP OIL
main44360-04010i200409-201909
4503
8404
9008010221
9008011463
90119A0197

19 parts on this diagram · 2 diagrams in section

VANE PUMP & RESERVOIR (POWER STEERING) — Toyota Parts Diagram with OEM Numbers & Prices | EPC Data