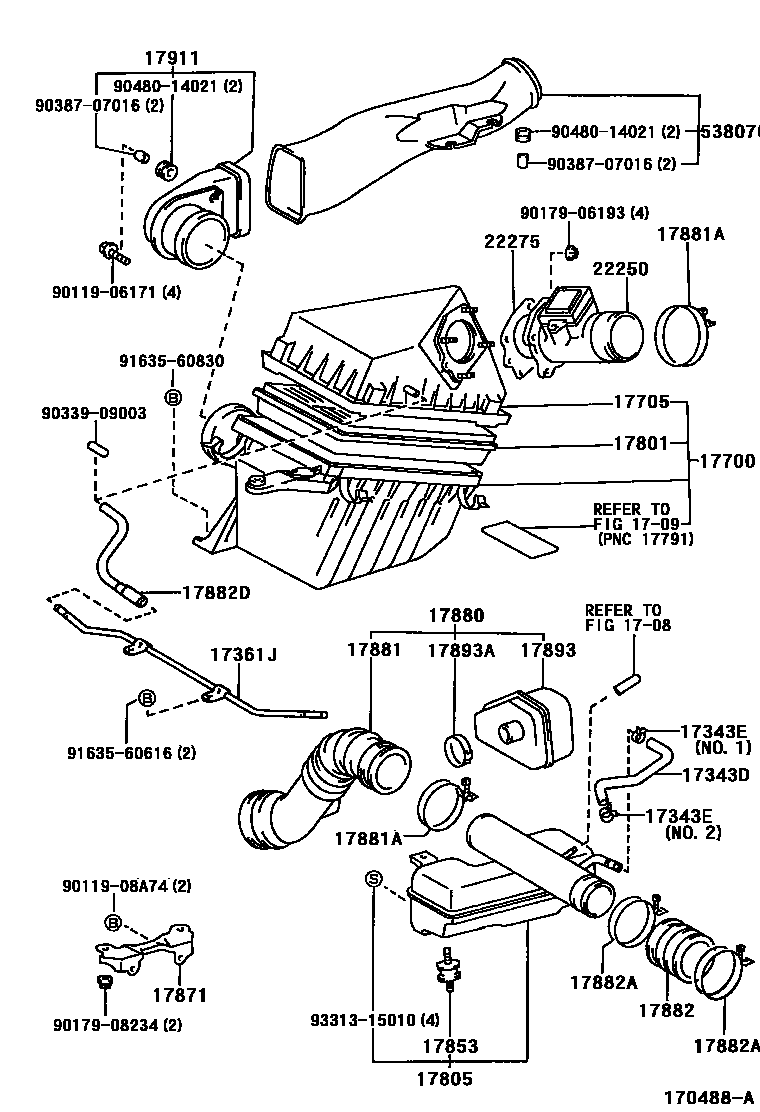
AIR CLEANER

1708
1709
17343DHOSE, AIR, NO.3
17343ECLAMP, HOSE(FOR AIR HOSE, NO.3)
NO.2
17361JTUBE, AIR, NO.1
CALIFORNIA SPEC
17705CAP SUB-ASSY, AIR CLEANER
17801ELEMENT SUB-ASSY, AIR CLEANER FILTER
17805CONNECTOR SUB-ASSY, INTAKE AIR
17853INSULATOR, AIR CLEANER BRACKET
CALIFORNIA(LEV) SPEC
17880HOSE ASSY, AIR CLEANER
17881ACLAMP(FOR AIR CLEANER HOSE, NO.1)
AIR CONNECTOR SIDE
AIR FLOW METER SIDE
17882HOSE, AIR CLEANER, NO.2
17882ACLAMP(FOR AIR CLEANER HOSE, NO.2)
17882DHOSE, COOL AIR INTAKE
CALIFORNIA SPEC
17893RESONATOR, INTAKE AIR
17911DUCT, COOL AIR INTAKE, NO.1
22250METER ASSY, INTAKE AIR FLOW
(J)
22275GASKET, AIR FLOW METER
53807CDUCT SUB-ASSY, FRONT FENDER AIR, RH
(L)
(J)
9011906171
main90119-06171
9011908A74
main90119-08A74
9017906193
main90179-06193
9017908234
main90179-08234
9033909003
main90339-09003
9038707016
main90387-07016
9048014021
main90480-14021
9163560616
main91635-60616
9163560830
main91635-60830
9331315010
main93313-15010
33 parts on this diagram · 5 diagrams in section