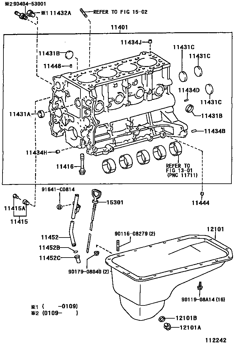
CYLINDER BLOCK

11415COCK SUB-ASSY, WATER DRAIN(FOR CYLINDER BLOCK)
11415APLUG, WATER DRAIN COCK(FOR CYLINDER BLOCK)
11431APLUG, TIGHT, NO.1(FOR CYLINDER BLOCK)
11431BPLUG, TIGHT, NO.2(FOR CYLINDER BLOCK)
11431CPLUG, TIGHT, NO.3(FOR CYLINDER BLOCK)
11432APLUG, W/HEAD TAPER SCREW, NO.1
11434BPIN, STRAIGHT(FOR CLUTCH HOUSING SET)
L=22,OD=10
11434DPIN, STRAIGHT(FOR ENGINE REAR OIL SEAL)
L=14,OD=6
L=11,OD=6
11434HPIN, RING (FOR TIMING BELT COVER SET)
11434JPIN, RING (FOR CYLINDER HEAD SET)
11444PLUG, HOLE
11448ORIFICE, CYLINDER BLOCK OIL
11452BRING, O(FOR OIL LEVEL GAGE GUIDE)
11452CUNION(FOR OIL LEVEL GAGE GUIDE)
12101PAN SUB-ASSY, OIL
12101BGASKET(FOR OIL PAN DRAIN PLUG)
1301
1502
15301GAGE SUB-ASSY, OIL LEVEL
9011608279
main90116-08279
9011908A14
main90119-08A14
9017908040
main90179-08040
9040453001
main90404-53001
91641C0814
main91641-C0814
28 parts on this diagram · 2 diagrams in section