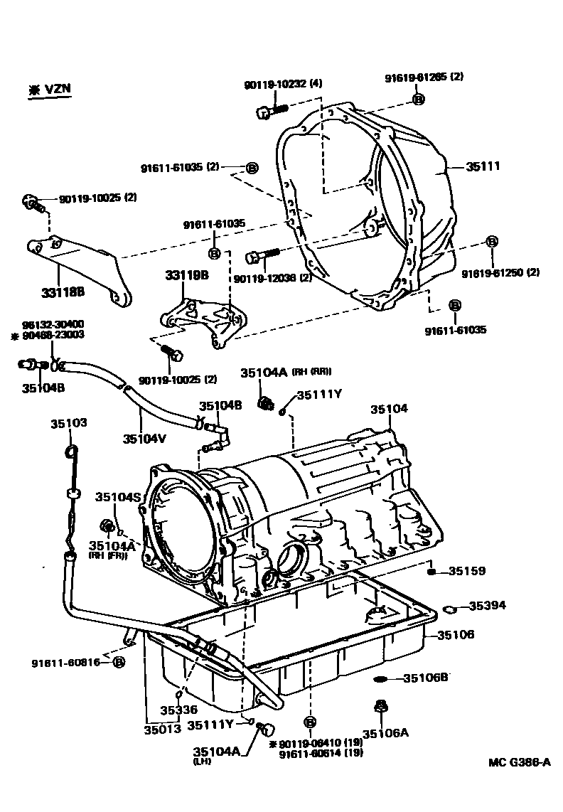
TRANSMISSION CASE & OIL PAN (ATM)

33118BPLATE, STIFFENER, RH(ATM)
33119BPLATE, STIFFENER, LH(ATM)
35013TUBE SUB-ASSY, TRANSMISSION OIL FILLER
35103GAGE SUB-ASSY, TRANSMISSION OIL LEVEL
35104CASE SUB-ASSY, AUTOMATIC TRANSMISSION
35104APLUG, AUTOMATIC TRANSMISSION CASE
RH(RR) OR LH
RH(FR)
35104BPLUG, BREATHER, NO.1 (ATM)
W(*ADD),MISSION CSAE SIDE
MISSION CASE SIDE
BODY SIDE
35104SRING, O (FOR TRANSAXLE CASE PLUG NO.1)
35104VHOSE (FOR BREATHER PLUG)
35106PAN SUB-ASSY, AUTOMATIC TRANSMISSION OIL
35106APLUG SUB-ASSY, DRAIN (ATM)
sub90341-10011
35106BGASKET, DRAIN PLUG (ATM)
35111HOUSING, AUTOMATIC TRANSMISSION
35111YRING, O (FOR AUTOMATIC TRANSMISSION CASE)
35159GASKET, BRAKE DRUM
35336RING, O (FOR TRANSMISSION OIL FILLER TUBE)
35394MAGNET, OIL CLEANER (FOR TRANSMISSION)
9011906410
main90119-06410
9011910025
main90119-10025
9011910232
main90119-10232
9011912036
main90119-12036
9046823003
main90468-23003
9161160614
main91611-60614
9161160816
main91611-60816
9161161035
main91611-61035
9161961250
main91619-61250
9161961265
main91619-61265
9613230400
main96132-30400
28 parts on this diagram · 1 diagram in section