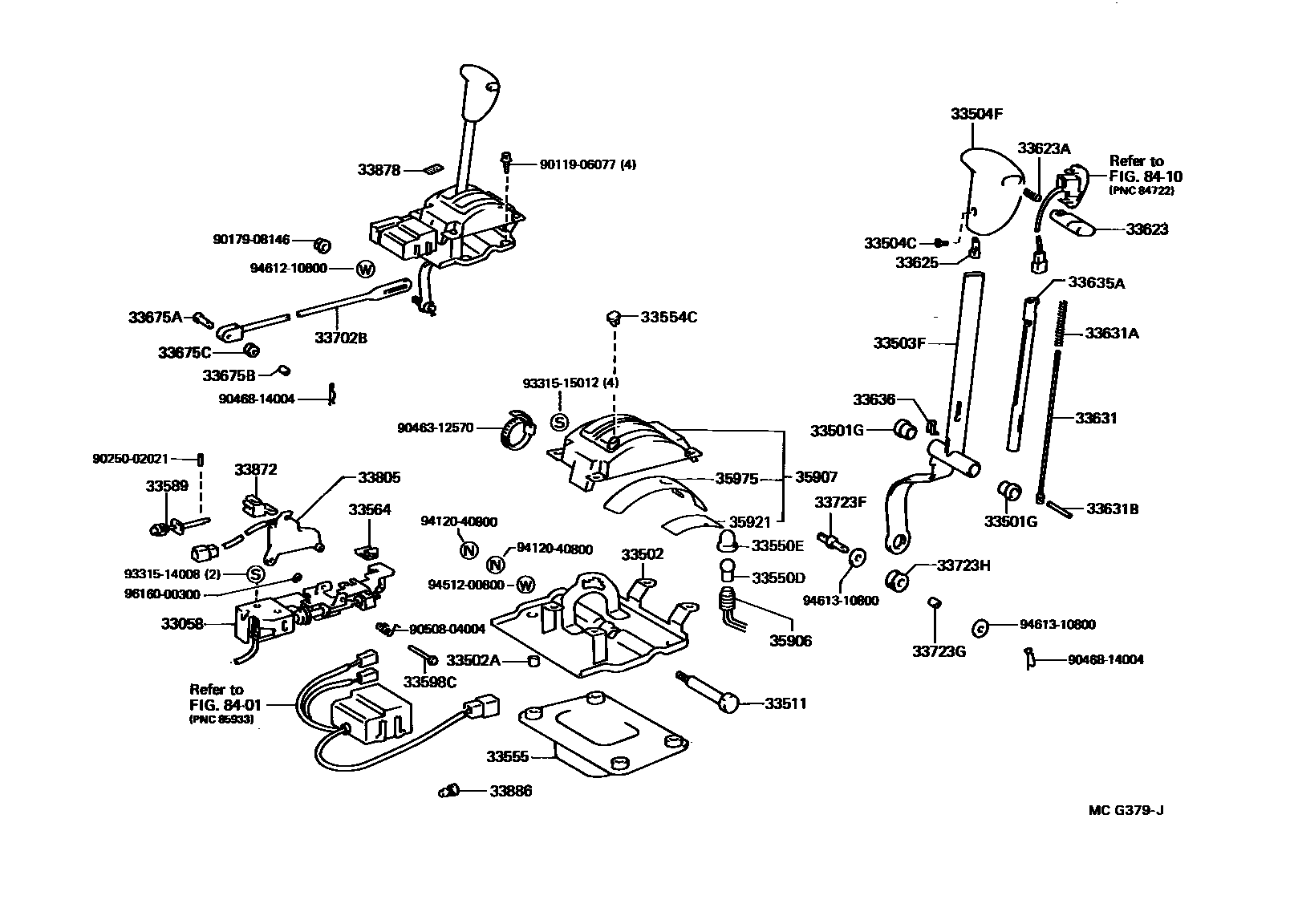
SHIFT LEVER & RETAINER

33058BRACKET SUB-ASSY, SHIFT LOCK SOLENOID
33501GBUSH (FOR FLOOR SHIFT CONTROL SHAFT)
33502PLATE SUB-ASSY, SHIFT LEVER
33502ACOLLAR (FOR FLOOR SHIFT SETTING)
OD=8.8
33503FLEVER SUB-ASSY, SHIFT(FOR FLOOR SHIFT)
33504CSCREW (FOR SHIFT LEVER KNOB SETTING)
33504FKNOB SUB-ASSY, SHIFT LEVER
BLACK,TRIM1#,4#,8#
BLACK,TRIM1#,4#,8#
BLACK,TRIM1#,3#,4#,8#
BLUE,TRIM8#
GRAY,TRIM1#
MEDIUM GRAY,TRIM1#
W(3 SPOKE URETHAN W/LEATHER),MAROON,TRIM3#
W(3 SPOKE URETHAN W/LEATHER),GRAY,TRIM1#
W(3 SPOKE URETHAN W/LEATHER),BLUE,TRIM8#
W(3 SPOKE URETHAN W/LEATHER),BROWN,TRIM4#
RED,TRIM3#
GRAY,TRIM1#
BLUE,TRIM8#
BROWN,TRIM4#
MEDIUM GRAY,TRIM1#
MEDIUM BLUE,TRIM8#
33511SHAFT, CONTROL (FOR FLOOR SHIFT)
33550DBULB, POSITION INDICATOR LAMP
12V 3.4W
33550ECAP, POSITION INDICATOR LAMP
33554CCOVER, SHIFT LOCK RELEASE BUTTON
33555BOOT, SHIFT LEVER
33564LINK, SHIFT LOCK RELEASE, NO.1
33589LINK, SHIFT LOCK SOLENOID
33598CPIN (FOR FLOOR SHIFT LOCK SOLENOID BRACKET)
33623BUTTON, SHIFT LEVER KNOB
33623ASPRING, COMPRESSION (FOR SHIFT LEVER KNOB BUTTON)
33625SLEEVE, SHIFT LEVER KNOB
33631ROD, DETENT
33631ASPRING, COMPRESSION (FOR DETENT ROD)
33631BPIN, SLOTTED SPRING (FOR DETENT ROD)
33635AGUIDE, WIRE, NO.1 (FOR SHIFT LEVER)
33636GUIDE, WIRE, NO.2 (FOR SHIFT LEVER)
33675APIN, W/HOLE (FOR TRANSMISSION CONTROL ROD)
33675BBUSH (FOR TRANSMISSION CONTROL ROD)
33675CGROMMET (FOR TRANSMISSION CONTROL ROD)
33702BROD SUB-ASSY, GEAR SHIFTING, NO.1 (FOR FLOOR SHIFT)
33723FSWIVEL, CONNECTING ROD (FOR FLOOR SHIFT)
33723GBUSH (FOR FLOOR SHIFT CONTROL SHAFT)
33723HGROMMET (FOR FLOOR SHIFT CONTROL SHAFT)
33805PLATE SUB-ASSY, SHIFT LOCK (FOR FLOOR SHIFT)
33872LINK, SHIFT LOCK RELEASE, NO.2
33878LABEL, SHIFT LOCK INFORMATION, NO.2
33886STOPPER, SHIFT LEVER
35906WIRE SUB-ASSY, INDICATOR LAMP
35907HOUSING SUB-ASSY, POSITION INDICATOR (FOR FLOOR SHIFT)
35921PLATE, CONTROL POSITION INDICATOR
35975COVER, SLIDE (FOR POSITION INDICATOR)
8401
8410
9011906077
9017908146
9025002021
main90250-02021
9046312570
9046814004
9050804004
9331514008
9331515012
9412040800
9451200800
9461210800
9461310800
9616000300
53 parts on this diagram · 5 diagrams in section