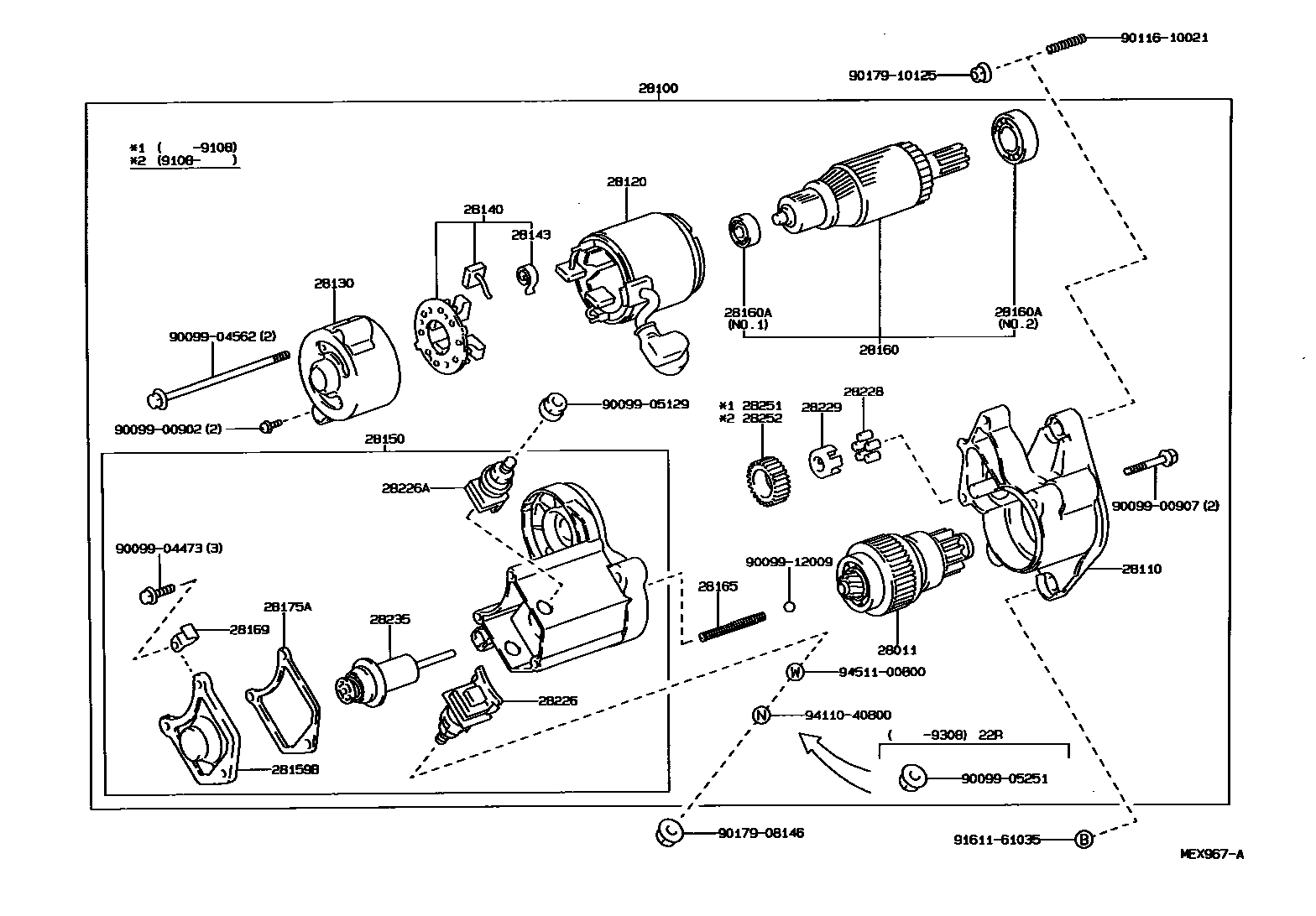
STARTER

28011CLUTCH SUB-ASSY, STARTER
IRELAND SPEC
28100STARTER ASSY
12V 1.4KW,IRELAND SPEC,*ND TENNESSEE
12V 1.4KW,*ND TENNESSEE
12V 1.4KW,*ND TENNESSEE
12V 1.4KW,IRELAND SPEC,*ND TENNESSEE
12V 1.0KW
12V 1.4KW,IRELAND SPEC,*ND
12V 1.4KW,*ND
12V 1.4KW,IRELAND SPEC,*ND
12V 1.4KW,*ND
12V 1.4KW
sub28100-65030
12V 1.6KW,IRELAND SPEC
12V 1.6KW
12V 1.6KW
12V 1.6KW,IRELAND SPEC
28110HOUSING ASSY, STARTER DRIVE
COLD SPEC
IRELAND SPEC
COLD SPEC
IRELAND SPEC
28120YOKE ASSY, STARTER
COLD SPEC
IRELAND SPEC
COLD SPEC
IRELAND SPEC
IRELAND SPEC
28130FRAME ASSY, STARTER COMMUTATOR END
COLD SPEC
IRELAND SPEC
IRELAND SPEC
IRELAND SPEC
COLD SPEC
28140HOLDER ASSY, STARTER BRUSH
COLD SPEC
COLD SPEC
COLD SPEC
28143SPRING, STARTER BRUSH
28150SWITCH ASSY, MAGNET STARTER
sub28150-34080
IRELAND SPEC
sub28150-65011
COLD SPEC
IRELAND SPEC
IRELAND SPEC
COLD SPEC
IRELAND SPEC
28159BCOVER, MAGNET SWITCH
main28159-10040i3VZE..VZN85,9#..USA;3VZE..VZN85,90..R..CND;22R#,3VZE..RN12#,8#,90,VZN120198808-199511
COLD SPEC
28160ARMATURE ASSY, STARTER
main28160-15090i22R#..RN121,8#,90..CND;3VZE..VZN85,90..R..CND;3VZE..VZN120,85,9#..ATM..USA198808-198908
COLD SPEC
sub28160-15091
sub28160-15091
main28160-15091i22R#..RN121,8#,90..CND;3VZE..VZN85,90..R..CND;3VZE..VZN120,85,9#..ATM..USA198908-199108
COLD SPEC
sub28160-26071
COLD SPEC
IRELAND SPEC
IRELAND SPEC
28160ABEARING, STARTER ARMATURE
NO.1
NO.2
NO.2
COLD SPEC,NO.2
IRELAND SPEC,NO.2
NO.1
COLD SPEC,NO.1
IRELAND SPEC,NO.1
IRELAND SPEC,NO.1
NO.1
NO.2
IRELAND SPEC,NO.2
COLD SPEC,NO.2
NO.2
28165SPRING, STARTER MAGNET SWITCH RETURN
IRELAND SPEC
28169CLAMP, STARTER MOTOR LEAD WIRE
main28169-10040i3VZE..VZN85,9#..USA;3VZE..VZN85,90..R..CND;22R#,3VZE..RN12#,8#,90,VZN120198808-199511
COLD SPEC
28175AGASKET, MAGNET SWITCH COVER
main28175-10040i3VZE..VZN85,9#..USA;3VZE..VZN85,90..R..CND;22R#,3VZE..RN12#,8#,90,VZN120198808-199511
COLD SPEC
28226STARTER KIT, BATTERY TERMINAL
COLD SPEC
28226ASTARTER KIT, MOTOR TERMINAL
COLD SPEC
28228ROLLER, STARTER IDLE GEAR CLUTCH
28229RETAINER, STARTER IDLE GEAR
IRELAND SPEC
28235PLUNGER, MAGNET SWITCH
COLD SPEC
28251PINION, STARTER DRIVE
COLD SPEC,NO.2
NO.2
IRELAND SPEC,NO.2
COLD SPEC,NO.1
NO.1
28252GEAR, STARTER IDLE
IRELAND SPEC
9009900902
main90099-00902
9009900907
main90099-00907
9009904473
main90099-04473
9009904562
main90099-04562
9009905129
main90099-05129
9009905251
main90099-05251
9009912009
main90099-12009
9011610021
main90116-10021
9017908146
main90179-08146
9017910125
main90179-10125
9161161035
main91611-61035
9411040800
main94110-40800
9451100800
main94511-00800
34 parts on this diagram · 5 diagrams in section