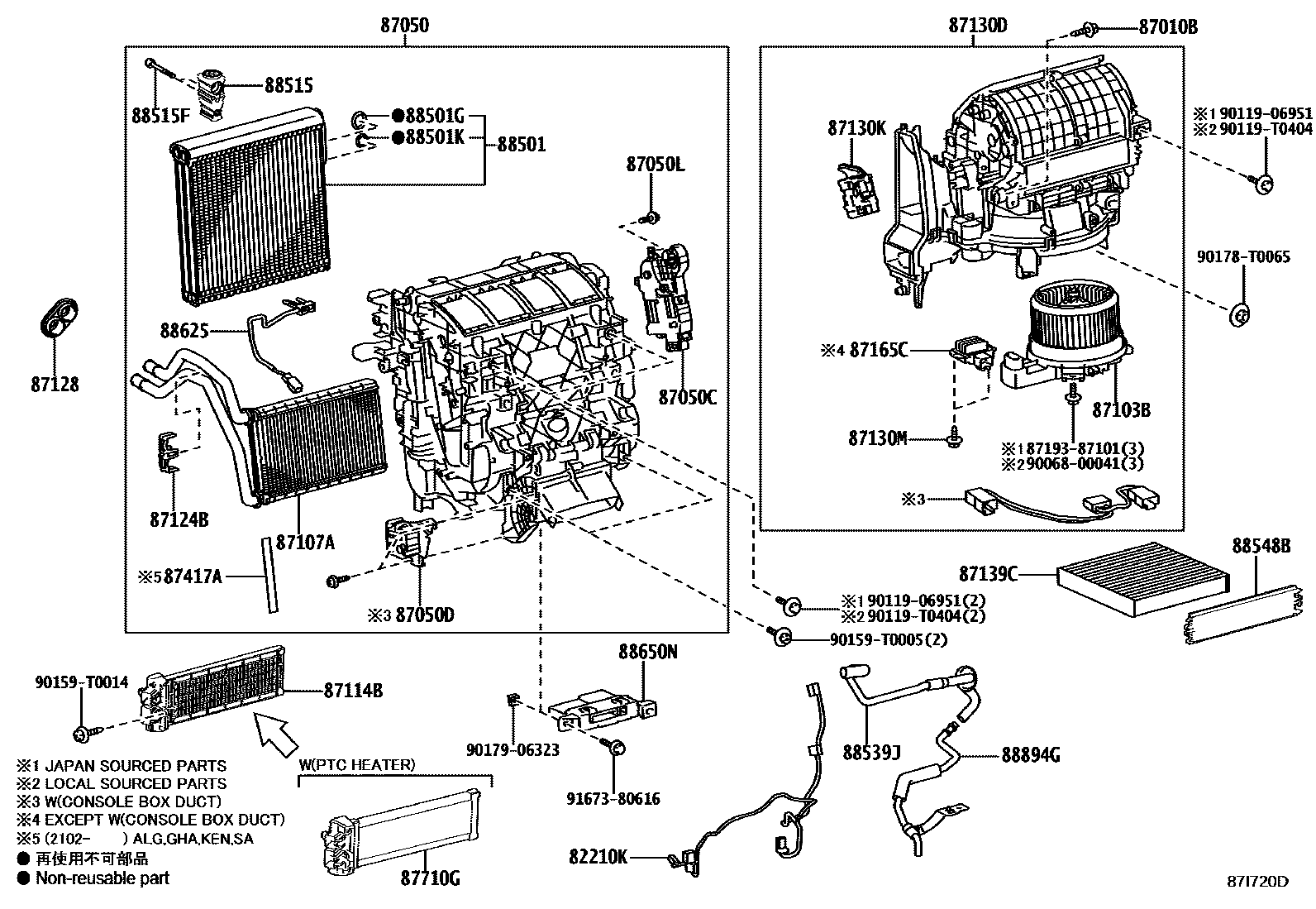
HEATING & AIR CONDITIONING - COOLER UNIT

82210KHARNESS ASSY, AIR CONDITIONER
main82212-0K050iGUN135..TX..H;GUN126..(SD,TX)..6F..H;GUN126..RHD..(KD,SD,TX)..6FC..H;GGN125,GUN125,136..RHD..(SD,TD)..H..(GEN,IDN,SA)202006-202111
FRONT AIR CONDITIONER-AUTO
FRONT AIR CONDITIONER-AUTO
main82212-0K060iGUN126..LHD..S..GEN;GUN126,135..LHD..H..(GHA,PH,SA,VN);GUN125,136,TGN126..LHD..(SD,TD,TX)..(6F,6FC)..H..(GEN,LA,SA)202006-202111
HEATER CONTROL PANEL-AUTO AIR CONDITIONER(DOP)&FRONT AIR CONDITIONER-AUTO(DOP - DEALERSHIP INSTALL)
MLM ADVENTURE PACKAGE&SEAT COVER MATERIAL-NATURAL LEATHER
HEATER CONTROL PANEL-MANUAL HEATER OR *AIC(MANUAL(DOP))&FRONT AIR CONDITIONER-MANUAL(DOP - DEALERSHIP INSTALL)
87010BSCREW(FOR AIR CONDITIONER UNIT)
main88718-0A020iGUN126..LHD..S..GEN;GUN126,135..H..(PH,VN);GUN125,136..LHD..(TD,TX)..H..(GEN,LA)202006-202108
FRONT AIR CONDITIONER-AUTO
HEATER CONTROL PANEL-AUTO AIR CONDITIONER(DOP)&FRONT AIR CONDITIONER-AUTO(DOP - DEALERSHIP INSTALL)
FRONT AIR CONDITIONER-MANUAL(DOP - DEALERSHIP INSTALL)
main90068-00042iGUN125..TX..S..GEN;GUN122..LHD..L..GEN;GUN126..TD..6FC..H..LA;TGN121..(L,S)..(GCC,GEN);GUN126..TD..6F..(L,S)..LA;GUN112,122,125,135,TGN11#,120,126,136..(TD,TS)..(L,202006-202104
HEATER CONTROL PANEL-MANUAL HEATER OR *AIC(MANUAL(DOP))&FRONT AIR CONDITIONER-MANUAL(DOP - DEALERSHIP INSTALL)
ASIA COLD COUNTRY SPEC
ASIA COLD COUNTRY SPEC&FRONT AIR CONDITIONER-MANUAL
MLM ADVENTURE PACKAGE&SEAT COVER MATERIAL-NATURAL LEATHER
FRONT AIR CONDITIONER-MANUAL
main90068-00042iGUN135..S..PH;GUN125..H..GCC;GUN126..TD..S..LA;GUN125,126..RHD..(TD,TS,TX);GUN125..LHD..(TD,TS,TX)..(L,S);GUN126..LHD..(MMD,TD)..(H,L)..(GCC,GEN,LA,MMR,TWN);GUN135,202006-202301
main90094-90426iTGN136..AD..L..LA;GUN126..AD..6FC..LA;GUN126..AD..6F..(L,S)..LA;GUN125,135,TGN126..(AD,AS)..(L,S)..LA202011-202106
FRONT AIR CONDITIONER-MANUAL(DOP - DEALERSHIP INSTALL)
87050RADIATOR ASSY, AIR CONDITIONER
main87050-0KC90iGUN125..RHD..(TS,TX)..(ARL,GEN);GUN125..RHD..TD..(L,S)..(ARL,GEN);GUN122,126,13#,TGN121..RHD..(L,S)..(ARL,GEN)202006-202108
FRONT AIR CONDITIONER-MANUAL
FRONT AIR CONDITIONER-MANUAL
main87050-0KD10iGUN125..TX..S..GEN;GUN122..LHD..L..GEN;GUN126..TD..6FC..H..LA;TGN121..(L,S)..(GCC,GEN);GUN126..TD..6F..(L,S)..LA;GUN112,122,125,135,TGN11#,120,126,136..(TD,TS)..(L,202006-202104
FRONT AIR CONDITIONER-MANUAL(DOP - DEALERSHIP INSTALL)
main87050-0KD10iGUN126..TD..LA;TGN126..TD..H..LA;TGN126..(TD,TS)..L;TGN126..(TD,TS)..S..(GCC,LA);GUN112,122,125,135,TGN11#,120,121,136..LHD..(TD,TS,TX)..(L,S)..(GCC,GEN,LA,VN)202006-202108
HEATER CONTROL PANEL-MANUAL AIR CONDITIONER&FRONT AIR CONDITIONER-MANUAL
main87050-0KD10iGUN126..TD..LA;TGN126..TD..H..LA;TGN126..(TD,TS)..L;TGN126..(TD,TS)..S..(GCC,LA);GUN112,122,125,135,TGN11#,120,121,136..LHD..(TD,TS,TX)..(L,S)..(GCC,GEN,LA,VN)202006-202108
HEATER CONTROL PANEL-MANUAL HEATER OR *AIC(MANUAL(DOP))&FRONT AIR CONDITIONER-MANUAL(DOP - PLANT INSTALL)
ASIA COLD COUNTRY SPEC&FRONT AIR CONDITIONER-MANUAL
ASIA COLD COUNTRY SPEC&FRONT AIR CONDITIONER-COOLER LESS
ASIA COLD COUNTRY SPEC
FRONT AIR CONDITIONER-AUTO
TOYOTA STOP & START SYSTEM-WITHOUT
FRONT AIR CONDITIONER-AUTO
HEATER CONTROL PANEL-MANUAL HEATER OR *AIC(MANUAL(DOP))&FRONT AIR CONDITIONER-MANUAL(DOP - DEALERSHIP INSTALL)
HEATER CONTROL PANEL-AUTO AIR CONDITIONER(DOP)&FRONT AIR CONDITIONER-AUTO(DOP - DEALERSHIP INSTALL)
MLM ADVENTURE PACKAGE&SEAT COVER MATERIAL-NATURAL LEATHER
main87050-0KD80iGGN125,GUN122,125,TGN121,126..H..GCC;GUN126,135..LHD..H..(GCC,GEN,MMR,TWN)202006-202301
ASIA COLD COUNTRY SPEC
TOYOTA STOP & START SYSTEM-WITH
TOYOTA STOP & START SYSTEM-WITH
main87050-0KE90iTGN136..AD..L..LA;GUN126..AD..6FC..LA;GUN126..AD..6F..(L,S)..LA;GUN125,135,TGN126..(AD,AS)..(L,S)..LA202011-202106
FRONT AIR CONDITIONER-MANUAL(DOP - DEALERSHIP INSTALL)
main87050-0KE90iGUN126..AD..LA;GUN125,135,TGN126,136..AD,AS;GUN126,136,TGN138..(L,S)..BZAG202011-202110
main87050-0KF00iGUN126..AD..6F..S..LA;GUN126,TGN126..AD..H..LA;GUN125,TGN136..AD..S..LA;GUN126,TGN138..6FC..S..BZAG202011-202110
FRONT AIR CONDITIONER-AUTO
FRONT AIR CONDITIONER-COOLER LESS
FRONT AIR CONDITIONER-COOLER LESS
FRONT AIR CONDITIONER-MANUAL
main87050-0KG20iGUN126..SD..S;GUN136..SS,SX;GUN125,135..KEN;GUN126..(SS,SX)..6FC;GUN126..(KD,SS,SX)..6F;GUN125,13#,TGN136..RHD..S..SA202009-202111
FRONT AIR CONDITIONER-AUTO
TOYOTA STOP & START SYSTEM-WITH&FRONT AIR CONDITIONER-MANUAL
87050CDAMPER SERVO SUB-ASSY, AIR CONDITIONER RADIATOR, NO.1
HEATER CONTROL PANEL-MANUAL HEATER OR *AIC(MANUAL(DOP))&FRONT AIR CONDITIONER-MANUAL(DOP - DEALERSHIP INSTALL)
HEATER CONTROL PANEL-AUTO AIR CONDITIONER(DOP)&FRONT AIR CONDITIONER-AUTO(DOP - DEALERSHIP INSTALL)
FRONT AIR CONDITIONER-AUTO
87050DDAMPER SERVO SUB-ASSY, AIR CONDITIONER RADIATOR, NO.2
HEATER CONTROL PANEL-MANUAL HEATER OR *AIC(MANUAL(DOP))&FRONT AIR CONDITIONER-MANUAL(DOP - DEALERSHIP INSTALL)
MLM ADVENTURE PACKAGE&SEAT COVER MATERIAL-NATURAL LEATHER
HEATER CONTROL PANEL-AUTO AIR CONDITIONER(DOP)&FRONT AIR CONDITIONER-AUTO(DOP - DEALERSHIP INSTALL)
87050LSCREW(FOR AIR CONDITIONER RADIATOR)
FRONT AIR CONDITIONER-AUTO
HEATER CONTROL PANEL-MANUAL AIR CONDITIONER&FRONT AIR CONDITIONER-MANUAL
main90068-00042iGUN125..TX..S..GEN;GUN122..LHD..L..GEN;GUN126..TD..6FC..H..LA;TGN121..(L,S)..(GCC,GEN);GUN126..TD..6F..(L,S)..LA;GUN112,122,125,135,TGN11#,120,126,136..(TD,TS)..(L,202006-202104
FRONT AIR CONDITIONER-MANUAL(DOP - DEALERSHIP INSTALL)
main90068-00042iGUN125..TX..S..GEN;GUN122..LHD..L..GEN;GUN126..TD..6FC..H..LA;TGN121..(L,S)..(GCC,GEN);GUN126..TD..6F..(L,S)..LA;GUN112,122,125,135,TGN11#,120,126,136..(TD,TS)..(L,202006-202104
HEATER CONTROL PANEL-MANUAL HEATER OR *AIC(MANUAL(DOP))&FRONT AIR CONDITIONER-MANUAL(DOP - DEALERSHIP INSTALL)
main90068-00042iGUN125..TX..S..GEN;GUN122..LHD..L..GEN;GUN126..TD..6FC..H..LA;TGN121..(L,S)..(GCC,GEN);GUN126..TD..6F..(L,S)..LA;GUN112,122,125,135,TGN11#,120,126,136..(TD,TS)..(L,202006-202104
HEATER CONTROL PANEL-AUTO AIR CONDITIONER(DOP)&FRONT AIR CONDITIONER-AUTO(DOP - DEALERSHIP INSTALL)
main90068-00042iGUN126..TD..LA;TGN126..TD..H..(GEN,LA);GUN125,126,135..RHD..(TD,TS,TX);GUN125,135..LHD..(TD,TS,TX)..(L,S);GUN122,TGN121,126,136..(TD,TS,TX)..(L,S);GUN112,120,123,13202006-202108
ASIA COLD COUNTRY SPEC
main90068-00042iGUN126..TD..LA;TGN126..TD..H..(GEN,LA);GUN125,126,135..RHD..(TD,TS,TX);GUN125,135..LHD..(TD,TS,TX)..(L,S);GUN122,TGN121,126,136..(TD,TS,TX)..(L,S);GUN112,120,123,13202006-202108
ASIA COLD COUNTRY SPEC&FRONT AIR CONDITIONER-MANUAL
main90068-00042iGUN126..TD..LA;TGN126..TD..H..(GEN,LA);GUN125,126,135..RHD..(TD,TS,TX);GUN125,135..LHD..(TD,TS,TX)..(L,S);GUN122,TGN121,126,136..(TD,TS,TX)..(L,S);GUN112,120,123,13202006-202108
HEATER CONTROL PANEL-MANUAL HEATER OR *AIC(MANUAL(DOP))&FRONT AIR CONDITIONER-MANUAL(DOP - PLANT INSTALL)
main90068-00042iGUN126..TD..LA;TGN126..TD..H..(GEN,LA);GUN125,126,135..RHD..(TD,TS,TX);GUN125,135..LHD..(TD,TS,TX)..(L,S);GUN122,TGN121,126,136..(TD,TS,TX)..(L,S);GUN112,120,123,13202006-202108
FRONT AIR CONDITIONER-MANUAL
main90068-00042iGUN126..TD..LA;TGN126..TD..H..(GEN,LA);GUN125,126,135..RHD..(TD,TS,TX);GUN125,135..LHD..(TD,TS,TX)..(L,S);GUN122,TGN121,126,136..(TD,TS,TX)..(L,S);GUN112,120,123,13202006-202108
MLM ADVENTURE PACKAGE&SEAT COVER MATERIAL-NATURAL LEATHER
main90068-00042iGGN125,GUN122,125,TGN121,126..H..GCC;GUN126,135..LHD..H..(GCC,GEN,MMR,TWN)202006-202301
main90094-90426iTGN136..AD..L..LA;GUN126..AD..6FC..LA;GUN126..AD..6F..(L,S)..LA;GUN125,135,TGN126..(AD,AS)..(L,S)..LA202011-202106
FRONT AIR CONDITIONER-MANUAL(DOP - DEALERSHIP INSTALL)
87103BMOTOR SUB-ASSY, BLOWER W/FAN
main87103-0K381iGUN125,135..H..(IDN,TH);GUN126..RHD..(H,S)..(ARL,GEN,TH);GUN122,125,13#,TGN121..RHD..(ARL,GEN)202006-202108
TOYOTA STOP & START SYSTEM-WITH&FRONT AIR CONDITIONER-MANUAL
main87103-0K381iGUN125,135..H..(IDN,TH);GUN126..RHD..(H,S)..(ARL,GEN,TH);GUN122,125,13#,TGN121..RHD..(ARL,GEN)202006-202108
FRONT AIR CONDITIONER-MANUAL
HEATER CONTROL PANEL-MANUAL HEATER OR *AIC(MANUAL(DOP))&FRONT AIR CONDITIONER-MANUAL(DOP - PLANT INSTALL)
main87103-0K391iGUN125..TX..S..GEN;GUN122..LHD..L..GEN;GUN126..TD..6FC..H..LA;TGN121..(L,S)..(GCC,GEN);GUN126..TD..6F..(L,S)..LA;GUN112,122,125,135,TGN11#,120,126,136..(TD,TS)..(L,202006-202104
FRONT AIR CONDITIONER-MANUAL(DOP - DEALERSHIP INSTALL)
FRONT AIR CONDITIONER-AUTO
HEATER CONTROL PANEL-MANUAL AIR CONDITIONER&FRONT AIR CONDITIONER-MANUAL
HEATER CONTROL PANEL-AUTO AIR CONDITIONER(DOP)&FRONT AIR CONDITIONER-AUTO(DOP - DEALERSHIP INSTALL)
HEATER CONTROL PANEL-MANUAL HEATER OR *AIC(MANUAL(DOP))&FRONT AIR CONDITIONER-MANUAL(DOP - DEALERSHIP INSTALL)
MLM ADVENTURE PACKAGE&SEAT COVER MATERIAL-NATURAL LEATHER
main87103-0K400iGGN125,GUN122,125,TGN121,126..H..GCC;GUN126,135..LHD..H..(GCC,GEN,MMR,TWN)202006-202301
main87103-0K461iGUN126,136..AD..LA;GUN125,135,TGN126,136..AD,AS;GUN126,136,TGN138..(L,S)..BZAG202011-202110
main87103-0K461iTGN136..AD..L..LA;GUN126..AD..6FC..LA;GUN126..AD..6F..(L,S)..LA;GUN125,135,TGN126..(AD,AS)..(L,S)..LA202011-202106
FRONT AIR CONDITIONER-MANUAL(DOP - DEALERSHIP INSTALL)
87107AUNIT SUB-ASSY, HEATER RADIATOR
FRONT AIR CONDITIONER-AUTO
HEATER CONTROL PANEL-MANUAL HEATER OR *AIC(MANUAL(DOP))&FRONT AIR CONDITIONER-MANUAL(DOP - DEALERSHIP INSTALL)
HEATER CONTROL PANEL-AUTO AIR CONDITIONER(DOP)&FRONT AIR CONDITIONER-AUTO(DOP - DEALERSHIP INSTALL)
FRONT AIR CONDITIONER-MANUAL(DOP - DEALERSHIP INSTALL)
TOYOTA STOP & START SYSTEM-WITH&FRONT AIR CONDITIONER-MANUAL
FRONT AIR CONDITIONER-MANUAL
main87107-0K110iGUN135..H;GUN126..TD..L;GUN126..(MMD,TD,TS,TX)..(H,S);GUN135..(TD,TS)..(L,S)..(ARL,GEN,LA,VN);GGN125,GUN112,122,125,136,TGN11#,120,121,126,136..(TD,TS,TX)..(ARL,GCC202006-202301
main87107-0K150iTGN136..AD..L..LA;GUN126..AD..6FC..LA;GUN126..AD..6F..(L,S)..LA;GUN125,135,TGN126..(AD,AS)..(L,S)..LA202011-202106
FRONT AIR CONDITIONER-MANUAL(DOP - DEALERSHIP INSTALL)
87114BCOVER, HEATER
main87114-0K040iGUN125..(TD,TX)..6FC;GUN125..(TD,TS,TX)..6F;GGN125,GUN112,120,122,123,126,13#,TGN11#,120,121,126,136..MMD,TD,TS,TX202006-202301
87124BCLAMP, HEATER
HEATER CONTROL PANEL-MANUAL HEATER OR *AIC(MANUAL(DOP))&FRONT AIR CONDITIONER-MANUAL(DOP - DEALERSHIP INSTALL)
HEATER CONTROL PANEL-AUTO AIR CONDITIONER(DOP)&FRONT AIR CONDITIONER-AUTO(DOP - DEALERSHIP INSTALL)
FRONT AIR CONDITIONER-MANUAL(DOP - DEALERSHIP INSTALL)
TOYOTA STOP & START SYSTEM-WITH&FRONT AIR CONDITIONER-MANUAL
FRONT AIR CONDITIONER-MANUAL
FRONT AIR CONDITIONER-AUTO
main87124-06140iGUN135..H;GUN126..TD..L;GUN125..RHD..6FC..H;GUN126..(MD,MMD,TD,TS,TX)..(H,S);GUN135..(TD,TS)..(L,S)..(ARL,GEN,LA,VN);GGN125,GUN112,122,125,136,TGN11#,120,121,126,13202006-202301
main87124-0K220iTGN136..AD..L..LA;GUN126..AD..6FC..LA;GUN126..AD..6F..(L,S)..LA;GUN125,135,TGN126..(AD,AS)..(L,S)..LA202011-202106
FRONT AIR CONDITIONER-MANUAL(DOP - DEALERSHIP INSTALL)
87128GROMMET, HEATER
HEATER CONTROL PANEL-MANUAL HEATER OR *AIC(MANUAL(DOP))&FRONT AIR CONDITIONER-MANUAL(DOP - DEALERSHIP INSTALL)
HEATER CONTROL PANEL-AUTO AIR CONDITIONER(DOP)&FRONT AIR CONDITIONER-AUTO(DOP - DEALERSHIP INSTALL)
FRONT AIR CONDITIONER-MANUAL(DOP - DEALERSHIP INSTALL)
TOYOTA STOP & START SYSTEM-WITH&FRONT AIR CONDITIONER-MANUAL
FRONT AIR CONDITIONER-MANUAL
FRONT AIR CONDITIONER-AUTO
main87128-0K190iTGN136..AD..L..LA;GUN126..AD..6FC..LA;GUN126..AD..6F..(L,S)..LA;GUN125,135,TGN126..(AD,AS)..(L,S)..LA202011-202106
FRONT AIR CONDITIONER-MANUAL(DOP - DEALERSHIP INSTALL)
87130DBLOWER ASSY
main87130-0K561iGUN125..RHD..(TS,TX)..(ARL,GEN);GUN125..RHD..TD..(L,S)..(ARL,GEN);GUN122,126,13#,TGN121..RHD..(L,S)..(ARL,GEN)202006-202108
TOYOTA STOP & START SYSTEM-WITH&FRONT AIR CONDITIONER-MANUAL
FRONT AIR CONDITIONER-MANUAL
ASIA COLD COUNTRY SPEC&FRONT AIR CONDITIONER-MANUAL
main87130-0K581iGUN125..TX..S..GEN;GUN122..LHD..L..GEN;GUN126..TD..6FC..H..LA;TGN121..(L,S)..(GCC,GEN);GUN126..TD..6F..(L,S)..LA;GUN112,122,125,135,TGN11#,120,126,136..(TD,TS)..(L,202006-202104
FRONT AIR CONDITIONER-MANUAL(DOP - DEALERSHIP INSTALL)
HEATER CONTROL PANEL-MANUAL AIR CONDITIONER&FRONT AIR CONDITIONER-MANUAL
HEATER CONTROL PANEL-MANUAL HEATER OR *AIC(MANUAL(DOP))&FRONT AIR CONDITIONER-MANUAL(DOP - PLANT INSTALL)
FRONT AIR CONDITIONER-MANUAL
FRONT AIR CONDITIONER-AUTO
main87130-0K631iGUN126..LHD..S..GEN;GUN126,135..H..(PH,VN);GUN125,136,TGN126..LHD..(TD,TX)..(6F,6FC)..H..(GEN,LA)202006-202108
FRONT AIR CONDITIONER-AUTO
HEATER CONTROL PANEL-MANUAL HEATER OR *AIC(MANUAL(DOP))&FRONT AIR CONDITIONER-MANUAL(DOP - DEALERSHIP INSTALL)
HEATER CONTROL PANEL-AUTO AIR CONDITIONER(DOP)&FRONT AIR CONDITIONER-AUTO(DOP - DEALERSHIP INSTALL)
main87130-0K640iGGN125,GUN122,125,TGN121,126..H..GCC;GUN126,135..LHD..H..(GCC,GEN,MMR,TWN)202006-202301
MLM ADVENTURE PACKAGE&SEAT COVER MATERIAL-NATURAL LEATHER
main87130-0K711iGUN126..AD..LA;GUN125,135,TGN126,136..AD,AS;GUN126,136,TGN138..(L,S)..BZAG202011-202110
main87130-0K711iTGN136..AD..L..LA;GUN126..AD..6FC..LA;GUN126..AD..6F..(L,S)..LA;GUN125,135,TGN126..(AD,AS)..(L,S)..LA202011-202106
FRONT AIR CONDITIONER-MANUAL(DOP - DEALERSHIP INSTALL)
FRONT AIR CONDITIONER-AUTO
FRONT AIR CONDITIONER-MANUAL
main87130-0K791iGUN126..SD..S;GUN136..SS,SX;GUN126..(SS,SX)..6FC;GUN126..(KD,SS,SX)..6F;GUN122,125,13#,TGN120,136..RHD..(L,S)..(KEN,SA)202009-202111
FRONT AIR CONDITIONER-AUTO
87130KDAMPER SERVO SUB-ASSY, BLOWER, NO.1
HEATER CONTROL PANEL-AUTO AIR CONDITIONER(DOP)&FRONT AIR CONDITIONER-AUTO(DOP - DEALERSHIP INSTALL)
main87106-0K241iGUN126..H..LA;GUN135..S..PH;TGN126..AD..H;TGN126..TD..(H,S)..LA;GUN126..AD..6F..S..LA;GUN125,TGN136..AD..S..LA;GUN126,TGN138..6FC..S..BZAG202006-202110
FRONT AIR CONDITIONER-AUTO
HEATER CONTROL PANEL-MANUAL HEATER OR *AIC(MANUAL(DOP))&FRONT AIR CONDITIONER-MANUAL(DOP - DEALERSHIP INSTALL)
FRONT AIR CONDITIONER-AUTO
main87106-0K251iGUN126..RHD..(SD,TD,TX)..6F..H;GUN126..RHD..(KD,MD,PD,SD,TD,TX)..6FC..H;GGN125,GUN125,13#..RHD..(MD,SD,TD,TX)..H202006-202201
87130MSCREW(FOR BLOWER)
FRONT AIR CONDITIONER-AUTO
FRONT AIR CONDITIONER-AUTO
main90068-00042iGUN125..TX..S..GEN;GUN122..LHD..L..GEN;GUN126..TD..6FC..H..LA;TGN121..(L,S)..(GCC,GEN);GUN126..TD..6F..(L,S)..LA;GUN112,122,125,135,TGN11#,120,126,136..(TD,TS)..(L,202006-202104
FRONT AIR CONDITIONER-MANUAL(DOP - DEALERSHIP INSTALL)
main90068-00042iGUN125..TX..S..GEN;GUN122..LHD..L..GEN;GUN126..TD..6FC..H..LA;TGN121..(L,S)..(GCC,GEN);GUN126..TD..6F..(L,S)..LA;GUN112,122,125,135,TGN11#,120,126,136..(TD,TS)..(L,202006-202104
HEATER CONTROL PANEL-MANUAL HEATER OR *AIC(MANUAL(DOP))&FRONT AIR CONDITIONER-MANUAL(DOP - DEALERSHIP INSTALL)
main90068-00042iGUN125..TX..S..GEN;GUN122..LHD..L..GEN;GUN126..TD..6FC..H..LA;TGN121..(L,S)..(GCC,GEN);GUN126..TD..6F..(L,S)..LA;GUN112,122,125,135,TGN11#,120,126,136..(TD,TS)..(L,202006-202104
HEATER CONTROL PANEL-AUTO AIR CONDITIONER(DOP)&FRONT AIR CONDITIONER-AUTO(DOP - DEALERSHIP INSTALL)
main90068-00042iGUN126..TD..LA;GUN125..TD..(L,S);TGN126..TD..H..LA;GUN125..RHD..(TS,TX);GUN125..LHD..(TS,TX)..(L,S);GUN126..RHD..(L,S)..(ARL,GEN,TH);GUN112,120,122,123,13#,TGN11#,1202006-202108
ASIA COLD COUNTRY SPEC&FRONT AIR CONDITIONER-MANUAL
main90068-00042iGUN126..TD..LA;GUN125..TD..(L,S);TGN126..TD..H..LA;GUN125..RHD..(TS,TX);GUN125..LHD..(TS,TX)..(L,S);GUN126..RHD..(L,S)..(ARL,GEN,TH);GUN112,120,122,123,13#,TGN11#,1202006-202108
HEATER CONTROL PANEL-MANUAL AIR CONDITIONER&FRONT AIR CONDITIONER-MANUAL
main90068-00042iGUN126..TD..LA;GUN125..TD..(L,S);TGN126..TD..H..LA;GUN125..RHD..(TS,TX);GUN125..LHD..(TS,TX)..(L,S);GUN126..RHD..(L,S)..(ARL,GEN,TH);GUN112,120,122,123,13#,TGN11#,1202006-202108
HEATER CONTROL PANEL-MANUAL HEATER OR *AIC(MANUAL(DOP))&FRONT AIR CONDITIONER-MANUAL(DOP - PLANT INSTALL)
main90068-00042iGUN126..TD..LA;GUN125..TD..(L,S);TGN126..TD..H..LA;GUN125..RHD..(TS,TX);GUN125..LHD..(TS,TX)..(L,S);GUN126..RHD..(L,S)..(ARL,GEN,TH);GUN112,120,122,123,13#,TGN11#,1202006-202108
FRONT AIR CONDITIONER-MANUAL
main90068-00042iGUN126..TD..LA;GUN125..TD..(L,S);TGN126..TD..H..LA;GUN125..RHD..(TS,TX);GUN125..LHD..(TS,TX)..(L,S);GUN126..RHD..(L,S)..(ARL,GEN,TH);GUN112,120,122,123,13#,TGN11#,1202006-202108
ASIA COLD COUNTRY SPEC
main90068-00042iGUN126..TD..LA;GUN125..TD..(L,S);TGN126..TD..H..LA;GUN125..RHD..(TS,TX);GUN125..LHD..(TS,TX)..(L,S);GUN126..RHD..(L,S)..(ARL,GEN,TH);GUN112,120,122,123,13#,TGN11#,1202006-202108
MLM ADVENTURE PACKAGE&SEAT COVER MATERIAL-NATURAL LEATHER
main90068-00042iGUN125..RHD..TD..H;GGN125,GUN122,125,136,TGN121..H..(ARL,GCC);GUN126,135,TGN126..H..(ARL,GCC,GEN,MMR,TH,TWN)202006-202301
main90094-90426iTGN136..AD..L..LA;GUN126..AD..6FC..LA;GUN126..AD..6F..(L,S)..LA;GUN125,135,TGN126..(AD,AS)..(L,S)..LA202011-202106
FRONT AIR CONDITIONER-MANUAL(DOP - DEALERSHIP INSTALL)
87139CFILTER, CLEAN AIR
POLLEN FILTER
main87139-0K070iGGN125,GUN112,122,125,126,13#,TGN11#,120,121,126,136..(MMD,TD,TS,TX)..(ARL,GCC,GEN,LA,MMR,TWN,VN)202006-202301
POLLEN FILTER
POLLEN FILTER
POLLEN FILTER
POLLEN FILTER
DEODORANT FILTER
87165CCONTROL, BLOWER MOTOR
FRONT AIR CONDITIONER-AUTO
87417APACKING, AIR DUCT
87710GQUICK HEATER ASSY
ASIA COLD COUNTRY SPEC
88501EVAPORATOR SUB-ASSY, COOLER, NO.1
HEATER CONTROL PANEL-MANUAL HEATER OR *AIC(MANUAL(DOP))&FRONT AIR CONDITIONER-MANUAL(DOP - DEALERSHIP INSTALL)
HEATER CONTROL PANEL-AUTO AIR CONDITIONER(DOP)&FRONT AIR CONDITIONER-AUTO(DOP - DEALERSHIP INSTALL)
main88501-0K320iGUN126..6FC..GCC;GUN126..MMD,TS,TX;TGN121..6FC..(H,L);TGN121..5F..(ARL,TH);GUN126..LHD..H..(GEN,TWN);GUN122,125,TGN126..H..GCC;GUN126..RHD..TD..(ARL,GEN);GUN126,TGN202006-202301
TOYOTA STOP & START SYSTEM-WITHOUT
MLM ADVENTURE PACKAGE&SEAT COVER MATERIAL-NATURAL LEATHER
TOYOTA STOP & START SYSTEM-WITH
TOYOTA STOP & START SYSTEM-WITH&FRONT AIR CONDITIONER-MANUAL
main88501-0K390iGUN126..LHD..S..GEN;GUN126,135..(TD,TS)..(LA,PH,VN);GUN125,136,TGN126..LHD..(TD,TX)..H..(GEN,LA);GUN112,122,125,TGN11#,120,121,126,136..LHD..(TD,TS,TX)..(L,S)202006-202108
HEATER CONTROL PANEL-MANUAL HEATER OR *AIC(MANUAL(DOP))&FRONT AIR CONDITIONER-MANUAL(DOP - PLANT INSTALL)
HEATER CONTROL PANEL-MANUAL AIR CONDITIONER&FRONT AIR CONDITIONER-MANUAL
main88501-0K390iGUN125..TX..S..GEN;GUN122..LHD..L..GEN;GUN126..TD..6FC..H..LA;TGN121..(L,S)..(GCC,GEN);GUN126..TD..6F..(L,S)..LA;GUN112,122,125,135,TGN11#,120,126,136..(TD,TS)..(L,202006-202104
FRONT AIR CONDITIONER-MANUAL(DOP - DEALERSHIP INSTALL)
main88501-0K430iGUN125,135..KEN;GGN125,GUN125,126,13#,TGN136..RHD..(KD,SD,SS,SX)..(H,S)202009-202111
FRONT AIR CONDITIONER-MANUAL
main88501-0K480iTGN136..AD..L..LA;GUN126..AD..6FC..LA;GUN126..AD..6F..(L,S)..LA;GUN125,135,TGN126..(AD,AS)..(L,S)..LA202011-202106
FRONT AIR CONDITIONER-MANUAL(DOP - DEALERSHIP INSTALL)
88501GO-RING, COOLER EVAPORATOR NO.1(SUCTION)
ID=10.2,OD=15.0,MLM ADVENTURE PACKAGE&SEAT COVER MATERIAL-NATURAL LEATHER
ID=10.2,OD=15.0,FRONT AIR CONDITIONER-MANUAL
ID=10.2,OD=15.0,ASIA COLD COUNTRY SPEC
ID=10.2,OD=15.0,ASIA COLD COUNTRY SPEC&FRONT AIR CONDITIONER-MANUAL
main90068-14044iGUN135..S..PH;GUN125..H..GCC;GUN126..TD..S..LA;GUN125,126..RHD..(TD,TS,TX);GUN125..LHD..(TD,TS,TX)..(L,S);GUN126..LHD..(MMD,TD)..(H,L)..(GCC,GEN,LA,MMR,TWN);GUN135,202006-202301
ID=10.2,OD=15.0
ID=10.2,OD=15.0,HEATER CONTROL PANEL-MANUAL HEATER OR *AIC(MANUAL(DOP))&FRONT AIRCONDITIONER-MANUAL(DOP - DEALERSHIP INSTALL)
ID=10.2,OD=15.0,HEATER CONTROL PANEL-AUTO AIR CONDITIONER(DOP)&FRONT AIR CONDITIONER-AUTO(DOP - DEALERSHIP INSTALL)
ID=10.2,OD=15.0,FRONT AIR CONDITIONER-MANUAL(DOP - DEALERSHIP INSTALL)
ID=13.4,OD=18.27
ID=13.4,OD=18.2,FRONT AIR CONDITIONER-AUTO
main90099-14121iGUN125..LHD..H..GEN;GUN126..LHD..S..GEN;GUN126,135..H..(PH,VN);GGN125,GUN136,TGN128,138..BZAG,LA;GUN125,126,135,TGN126,136..AD,AS,MD,MS202006-202110
ID=13.4,OD=18.2
main90099-14121iTGN136..AD..L..LA;GUN126..AD..6FC..LA;GUN126..AD..6F..(L,S)..LA;GUN125,135,TGN126..(AD,AS)..(L,S)..LA202011-202106
ID=13.4,OD=18.2,FRONT AIR CONDITIONER-MANUAL(DOP - DEALERSHIP INSTALL)
88501KO-RING, COOLER EVAPORATOR NO.1(LIQUID)
ID=13.4,OD=18.2,ASIA COLD COUNTRY SPEC
ID=13.4,OD=18.2,HEATER CONTROL PANEL-MANUAL HEATER OR *AIC(MANUAL(DOP))&FRONT AIRCONDITIONER-MANUAL(DOP - DEALERSHIP INSTALL)
ID=13.4,OD=18.2,HEATER CONTROL PANEL-AUTO AIR CONDITIONER(DOP)&FRONT AIR CONDITIONER-AUTO(DOP - DEALERSHIP INSTALL)
ID=13.4,OD=18.2,FRONT AIR CONDITIONER-MANUAL(DOP - DEALERSHIP INSTALL)
ID=13.4,OD=18.2,ASIA COLD COUNTRY SPEC&FRONT AIR CONDITIONER-MANUAL
ID=13.4,OD=18.2,MLM ADVENTURE PACKAGE&SEAT COVER MATERIAL-NATURAL LEATHER
ID=13.4,OD=18.2,FRONT AIR CONDITIONER-MANUAL
main90068-14043iGUN135..S..PH;GUN125..H..GCC;GUN126..TD..S..LA;GUN125,126..RHD..(TD,TS,TX);GUN125..LHD..(TD,TS,TX)..(L,S);GUN126..LHD..(MMD,TD)..(H,L)..(GCC,GEN,LA,MMR,TWN);GUN135,202006-202301
ID=13.4,OD=18.2
ID=10.8,OD=15.47
main90099-14120iGUN125..LHD..H..GEN;GUN126..LHD..S..GEN;GUN126,135..H..(PH,VN);GGN125,GUN136,TGN128,138..BZAG,LA;GUN125,126,135,TGN126,136..AD,AS,MD,MS202006-202110
ID=10.8,OD=15.6
main90099-14120iTGN136..AD..L..LA;GUN126..AD..6FC..LA;GUN126..AD..6F..(L,S)..LA;GUN125,135,TGN126..(AD,AS)..(L,S)..LA202011-202106
ID=10.8,OD=15.6,FRONT AIR CONDITIONER-MANUAL(DOP - DEALERSHIP INSTALL)
ID=10.8,OD=15.6,FRONT AIR CONDITIONER-AUTO
88515VALVE, COOLER EXPANSION
HEATER CONTROL PANEL-MANUAL HEATER OR *AIC(MANUAL(DOP))&FRONT AIR CONDITIONER-MANUAL(DOP - DEALERSHIP INSTALL)
main88515-0K580iGUN125..TX..S..GEN;GUN122..LHD..L..GEN;GUN126..TD..6FC..H..LA;TGN121..(L,S)..(GCC,GEN);GUN126..TD..6F..(L,S)..LA;GUN112,122,125,135,TGN11#,120,126,136..(TD,TS)..(L,202006-202106
FRONT AIR CONDITIONER-MANUAL(DOP - DEALERSHIP INSTALL)
HEATER CONTROL PANEL-AUTO AIR CONDITIONER(DOP)&FRONT AIR CONDITIONER-AUTO(DOP - DEALERSHIP INSTALL)
TOYOTA STOP & START SYSTEM-WITHOUT
FRONT AIR CONDITIONER-MANUAL
main88515-0K590iGUN126..TX..TH;GUN135..6F..H..TH;GUN126..TD..6F..TH;GUN135..TD..6FC..H..TH202006-202108
TOYOTA STOP & START SYSTEM-WITH&FRONT AIR CONDITIONER-MANUAL
main88515-0K590iGUN126..TX..TH;GUN135..6F..H..TH;GUN126..TD..6F..TH;GUN135..TD..6FC..H..TH202006-202108
TOYOTA STOP & START SYSTEM-WITH
88515FBOLT(FOR COOLER EXPANSION VALVE)
main90068-04042iTGN136..AD..L..LA;GUN126..AD..6FC..LA;GUN126..AD..6F..(L,S)..LA;GUN125,135,TGN126..(AD,AS)..(L,S)..LA202011-202106
FRONT AIR CONDITIONER-MANUAL(DOP - DEALERSHIP INSTALL)
FRONT AIR CONDITIONER-MANUAL
ASIA COLD COUNTRY SPEC
ASIA COLD COUNTRY SPEC&FRONT AIR CONDITIONER-MANUAL
MLM ADVENTURE PACKAGE&SEAT COVER MATERIAL-NATURAL LEATHER
HEATER CONTROL PANEL-MANUAL HEATER OR *AIC(MANUAL(DOP))&FRONT AIR CONDITIONER-MANUAL(DOP - DEALERSHIP INSTALL)
HEATER CONTROL PANEL-AUTO AIR CONDITIONER(DOP)&FRONT AIR CONDITIONER-AUTO(DOP - DEALERSHIP INSTALL)
FRONT AIR CONDITIONER-MANUAL(DOP - DEALERSHIP INSTALL)
main90068-04062iGUN135..S..PH;GUN125..H..GCC;GUN126..TD..S..LA;GUN125,126..RHD..(TD,TS,TX);GUN125..LHD..(TD,TS,TX)..(L,S);GUN126..LHD..(MMD,TD)..(H,L)..(GCC,GEN,LA,MMR,TWN);GUN135,202006-202301
main90099-04542iGUN125..MA;GUN126..LHD..S..GEN;GUN126,135..H..(MA,PH,VN);GUN125,136..LHD..(TD,TX)..H..(GEN,LA)202006-202110
FRONT AIR CONDITIONER-AUTO
88539JHOSE, DRAIN COOLER
main88539-0K380iGGN125,GUN112,122,125,126,13#,TGN11#,120,121,126,136..LHD..(MMD,TD,TS,TX)202006-202301
88548BCASE, AIR FILTER
main88548-0K111iTGN136..AD..L..LA;GUN126..AD..6FC..LA;GUN126..AD..6F..(L,S)..LA;GUN125,135,TGN126..(AD,AS)..(L,S)..LA202011-202106
FRONT AIR CONDITIONER-MANUAL(DOP - DEALERSHIP INSTALL)
FRONT AIR CONDITIONER-MANUAL(DOP - DEALERSHIP INSTALL)
main88899-06330iGUN125..TX..S..GEN;GUN122..LHD..L..GEN;GUN126..TD..6FC..H..LA;TGN121..(L,S)..(GCC,GEN);GUN126..TD..6F..(L,S)..LA;GUN112,122,125,135,TGN11#,120,126,136..(TD,TS)..(L,202006-202104
HEATER CONTROL PANEL-MANUAL HEATER OR *AIC(MANUAL(DOP))&FRONT AIR CONDITIONER-MANUAL(DOP - DEALERSHIP INSTALL)
main88899-06330iGUN125..TX..S..GEN;GUN122..LHD..L..GEN;GUN126..TD..6FC..H..LA;TGN121..(L,S)..(GCC,GEN);GUN126..TD..6F..(L,S)..LA;GUN112,122,125,135,TGN11#,120,126,136..(TD,TS)..(L,202006-202104
HEATER CONTROL PANEL-AUTO AIR CONDITIONER(DOP)&FRONT AIR CONDITIONER-AUTO(DOP - DEALERSHIP INSTALL)
88625THERMISTOR, COOLER, NO.1
main88620-0K010iTGN136..AD..L..LA;GUN126..AD..6FC..LA;GUN126..AD..6F..(L,S)..LA;GUN125,135,TGN126..(AD,AS)..(L,S)..LA202006-202106
FRONT AIR CONDITIONER-MANUAL(DOP - DEALERSHIP INSTALL)
HEATER CONTROL PANEL-MANUAL HEATER OR *AIC(MANUAL(DOP))&FRONT AIR CONDITIONER-MANUAL(DOP - DEALERSHIP INSTALL)
HEATER CONTROL PANEL-AUTO AIR CONDITIONER(DOP)&FRONT AIR CONDITIONER-AUTO(DOP - DEALERSHIP INSTALL)
TOYOTA STOP & START SYSTEM-WITHOUT
FRONT AIR CONDITIONER-MANUAL
TOYOTA STOP & START SYSTEM-WITH&FRONT AIR CONDITIONER-MANUAL
TOYOTA STOP & START SYSTEM-WITH
88650NAMPLIFIER ASSY, AIR CONDITIONER
CAMBODIA SPEC&FRONT AIR CONDITIONER-MANUAL(DOP - DEALERSHIP INSTALL)
main88650-0K400iGUN122..RHD..TD..GEN;GUN125..LHD..TD..S..GEN;GUN125..LHD..(SD,SS,TD,TS)..L..(GEN,LA,SA);GUN122,135,TGN126..LHD..(SD,SS,TD)..L..(LA,SA)202006-202103
FRONT AIR CONDITIONER-COOLER LESS
BOLIVIA, URUGUAY SPEC&FRONT AIR CONDITIONER-MANUAL(DOP - DEALERSHIP INSTALL)
CAMBODIA SPEC&FRONT AIR CONDITIONER-MANUAL(DOP - PLANT INSTALL)
FRONT AIR CONDITIONER-MANUAL(DOP - PLANT INSTALL)
FRONT AIR CONDITIONER-MANUAL(DOP - DEALERSHIP INSTALL)
CENTRAL AND SOUTH AMERICA SPEC&FRONT AIR CONDITIONER-MANUAL(DOP - PLANT INSTALL)
CENTRAL AND SOUTH AMERICA SPEC&FRONT AIR CONDITIONER-MANUAL(DOP - DEALERSHIP INSTALL)
BOLIVIA, URUGUAY SPEC&FRONT AIR CONDITIONER-MANUAL(DOP - PLANT INSTALL)
main88650-0K400iGUN126..SD..6F..H;GUN125..TD..H..GEN;TGN121,126..H..GCC;GUN126..LHD..S..GEN;GUN122..LHD..TS..L..GEN;GUN122,125,135,TGN120..RHD..L..SA202006-202109
FRONT AIR CONDITIONER-MANUAL
TOYOTA STOP & START SYSTEM-WITH&FRONT AIR CONDITIONER-MANUAL(DOP - DEALERSHIP INSTALL)
TOYOTA STOP & START SYSTEM-WITH&FRONT AIR CONDITIONER-MANUAL(DOP - PLANT INSTALL)
ASIA COLD COUNTRY SPEC
ASIA COLD COUNTRY SPEC&FRONT AIR CONDITIONER-MANUAL
TOYOTA STOP & START SYSTEM-WITH&FRONT AIR CONDITIONER-MANUAL
CENTRAL AND SOUTH AMERICA SPEC&FRONT AIR CONDITIONER-COOLER LESS
PERU SPEC&FRONT AIR CONDITIONER-COOLER LESS
FRONT AIR CONDITIONER-COOLER LESS
BOLIVIA, URUGUAY SPEC&FRONT AIR CONDITIONER-COOLER LESS
COSTA RICA SPEC&FRONT AIR CONDITIONER-COOLER LESS
main88650-0K480iGUN126..AD..LA;GUN125,135,TGN126,136..AD,AS;GUN126,136,TGN138..(L,S)..BZAG202011-202110
ASIA COLD COUNTRY SPEC&FRONT AIR CONDITIONER-COOLER LESS
main88650-0K630iGUN135..S..PH;TGN126..TD..(H,S)..LA;GUN125,136..(SS,SX,TS)..H;GUN126..(SS,SX,TD)..H..(LA,SA)202006-202109
FRONT AIR CONDITIONER-AUTO
ASIA COLD COUNTRY SPEC
SEAT COVER MATERIAL-FABRIC(FOR SEAT VENTILATION)
main88650-0K680iGUN126..AD..6F..S..LA;GUN126,TGN126..AD..H..LA;GUN125,TGN136..AD..S..LA;GUN126,TGN138..6FC..S..BZAG202011-202110
FRONT AIR CONDITIONER-AUTO
SEAT COVER MATERIAL-LEATHER(FOR SEAT VENTILATION)
SEAT HEATER-WITHOUT & WITH(SEAT VENTILATION)
88894GCONNECTOR, DRAIN HOSE
main88894-0K010iGGN125,GUN112,122,125,126,13#,TGN11#,120,121,126,136..LHD..(MMD,TD,TS,TX)202006-202301
8719387101
main87193-87101
9006800041
main90068-00041
9011906951
main90119-06951
90119T0404
main90119-T0404
90159T0005
main90159-T0005
90159T0014
main90159-T0014
90178T0065
main90178-T0065
9017906323
main90179-06323
9167380616
main91673-80616
37 parts on this diagram · 9 diagrams in section