NAVIGATION & FRONT MONITOR DISPLAY

5551
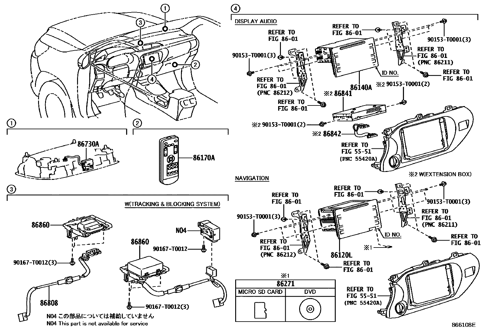
8601
86120LRECEIVER ASSY, NAVIGATION
PIONEER,ID=P10774,AUDIO-AVN & DVD & *BT
sub86804-0K061
PIONEER,ID=P10774,AUDIO-WITHOUT & WITH(AUDIO LESS COVER)
sub86804-0K061
PIONEER,ID=P10774,AUDIO-AVN & DVD & *BT
PIONEER,ID=P10774
PIONEER,ID=P10775,AUDIO-AVN & DVD & *BT & DIGITAL TV
sub86804-0K071
PIONEER,ID=P10775,AUDIO-AVN & DVD & *BT & DIGITAL TV
sub86804-0K072
main86804-0K071iGUN136..6F..(M,S)..HDCR..BZAGT;GUN125,126,135,TGN126,136..(M,S)..(HDCR,HTWC)..BZAGT201610-201907
PIONEER,ID=P10775
sub86804-0K072
FUJITSU TEN,ID100409,AUDIO-*DA & CD & *BT & ENTUNE
FUJITSU TEN,ID100409
PIONEER,ID=P10776
sub86804-0K111
PIONEER,ID=P10776,AUDIO-AVN & DVD & *BT & DIGITAL TV
sub86804-0K111
PIONEER,ID=P10776
PIONEER,ID=P10776,AUDIO-AVN & DVD & *BT & DIGITAL TV
86140ARECEIVER ASSY, RADIO & DISPLAY
FUJITSU TEN,ID100405
FUJITSU TEN,ID100405,AUDIO-*DA & CD & *BT & ENTUNE
FUJITSU TEN,ID100402
PIONEER,ID=P10783,EXPORT FROM SOUTH AFRICA&AUDIO-AVN & CD & *BT & 6SPEAKER
PIONEER,ID=P10783
PIONEER,ID=P10783,AUDIO-WITHOUT & WITH(AUDIO LESS COVER)
PIONEER,ID=P10783,EXPORT FROM SOUTH AFRICA&AUDIO-WITHOUT&WITH(AUDIO LESS COVER)&6SPEAKER
PIONEER,ID=P10783,KENYA SPEC&AUDIO-WITHOUT&WITH(AUDIO LESS COVER)&6SPEAKER
PIONEER,ID=P10783,KENYA SPEC&AUDIO-AVN & CD & *BT & 6SPEAKER
PIONEER,ID=P10783,AUDIO-WITHOUT&WITH(AUDIO LESS COVER)&6SPEAKER
PIONEER,ID=P10783,AUDIO-AVN & CD & *BT & 6SPEAKER
PIONEER,ID=P10773
PIONEER,ID=P10773,AUDIO-AVN & DVD & *BT & DIGITAL TV
main86140-0K611iGUN136,KUN136..ADC..(DCR,IART);GUN126,KUN126,TGN126,136..ADC..M..LA;GUN126,TGN138..(6F,6FC)..S..(HTWCF,IART)201610-201907
PIONEER,ID=P10773
sub86140-0K612
main86140-0K611iGUN136..6F..(M,S)..HDCR..BZAGT;GUN125,126,135..(M,S)..HDCR..BZAGT;GUN126,TGN126,128,13#..M..(HTWC,HTWCF,IART)..BZAGT201610-201907
PIONEER,ID=P10773,AUDIO-AVN & DVD & *BT & DIGITAL TV
sub86140-0K612
main86140-0K611iGUN136..6F..(M,S)..HDCR..BZAGT;GUN125,126,135..(M,S)..HDCR..BZAGT;GUN126,TGN126,128,13#..M..(HTWC,HTWCF,IART)..BZAGT201610-201907
PIONEER,ID=P10773,AUDIO-*DA(10KHZ) & DVD & *BT
sub86140-0K612
FUJITSU TEN,ID100403,AUDIO-WITHOUT & WITH(AUDIO LESS COVER)
sub86140-0K621
DENSO TEN,ID100403
PIONEER,ID=P10968,EXPORT FROM SOUTH AFRICA&AUDIO-*DA & DVD & *BT
sub86140-0KB51
PIONEER,ID=P10968
main86140-0KD50iGUN136,KUN136..ADC..(DCR,IART);GUN126,TGN138..S..(HTWCF,IART);GUN126,KUN126,TGN126,136..ADC..M..LA201511-201612
PIONEER,ID=P11127,AUDIO-*DA(10KHZ) & DVD & *BT
sub86140-0KD51
main86140-0KD50iGUN125,126,13#..(M,S)..HDCR..BZAGT;GUN126,TGN126,128,13#..M..(HTWC,HTWCF,IART)..BZAGT201511-201612
PIONEER,ID=P11127,AUDIO-AVN & DVD & *BT & DIGITAL TV
sub86140-0KD51
main86140-0KD50iGUN125,126,13#..(M,S)..HDCR..BZAGT;GUN126,TGN126,128,13#..M..(HTWC,HTWCF,IART)..BZAGT201511-201612
PIONEER,ID=P11127
sub86140-0KD51
main86140-0KD51iGUN136..6F..(M,S)..HDCR..BZAGT;GUN125,126,135..(M,S)..HDCR..BZAGT;GUN126,TGN126,128,13#..M..(HTWC,HTWCF,IART)..BZAGT201701-201901
PIONEER,ID=P11127,AUDIO-*DA(10KHZ) & DVD & *BT
sub86140-0KD52
PIONEER,ID=P11127,AUDIO-AVN & DVD & *BT & DIGITAL TV
sub86140-0KD52
main86140-0KD51iGUN136..6F..(M,S)..HDCR..BZAGT;GUN125,126,135..(M,S)..HDCR..BZAGT;GUN126,TGN126,128,13#..M..(HTWC,HTWCF,IART)..BZAGT201701-201901
PIONEER,ID=P11127
sub86140-0KD52
main86140-0KD52iGUN136..6F..(M,S)..BZAGT;GUN125,126,135..(M,S)..HDCR..BZAGT;GUN126,TGN128,138..M..(HTWCF,IART)201901-201907
PIONEER,ID=P11127,AUDIO-*DA(10KHZ) & DVD & *BT
sub86140-0KD53
main86140-0KD52iGUN136..6F..(M,S)..BZAGT;GUN125,126,135..(M,S)..HDCR..BZAGT;GUN126,TGN128,138..M..(HTWCF,IART)201901-201907
PIONEER,ID=P11127,AUDIO-AVN & DVD & *BT & DIGITAL TV
sub86140-0KD53
PIONEER,ID=P11127
sub86140-0KD53
PIONEER,AUDIO-AVN & DVD & *BT & DIGITAL TV
PIONEER
PIONEER,AUDIO-8INCH *DA & *BT
PIONEER
PIONEER,AUDIO-8INCH AVN & *BT & DIGITAL TV
DENSO TEN,EXPORT FROM SOUTH AFRICA&AUDIO-AVN & CD & *BT & 6SPEAKER
DENSO TEN
DENSO TEN,EXPORT FROM SOUTH AFRICA&AUDIO-WITHOUT&WITH(AUDIO LESS COVER)&6SPEAKER
DENSO TEN,KENYA SPEC&AUDIO-WITHOUT&WITH(AUDIO LESS COVER)&6SPEAKER
DENSO TEN,KENYA SPEC&AUDIO-AVN & CD & *BT & 6SPEAKER
DENSO TEN,AUDIO-WITHOUT&WITH(AUDIO LESS COVER)&6SPEAKER
DENSO TEN,AUDIO-AVN & CD & *BT & 6SPEAKER
DENSO TEN,AUDIO-8INCH *DA & *BT & RDS & DAB
86170ASWITCH & VOLUME ASSY
86271DISC, DISC PLAYER
sub86271-0E172
sub86271-0E173
sub86271-0E174
AUDIO-AVN & CD & *BT & DAB & ENTUNE
sub86271-0E175
AUDIO-AVN & CD & *BT & DAB & ENTUNE
sub86271-0E177
AUDIO-AVN & DVD & *BT & DIGITAL TV
sub86271-33124
AUDIO-AVN & DVD & *BT & DIGITAL TV
sub86271-33233
main86271-33233iGUN136..6F..(M,S)..HDCR..BZAGT;GUN125,126,135,TGN126,136..(M,S)..(HDCR,HTWC)..BZAGT201709-201808
AUDIO-AVN & DVD & *BT & DIGITAL TV
sub86271-33234
AUDIO-AVN & DVD & *BT & DIGITAL TV
sub86271-33235
AUDIO-WITHOUT & WITH(AUDIO LESS COVER)
sub86271-60383
AUDIO-WITHOUT & WITH(AUDIO LESS COVER)
sub86271-60384
AUDIO-AVN & DVD & *BT
AUDIO-8INCH AVN & *BT & DIGITAL TV
sub86807-33012
86730AMICROPHONE ASSY, TELEPHONE
AUDIO-AM/FM & CD & *BT & 4SPEAKER
AUDIO-WITHOUT & WITH(AUDIO LESS COVER)
KAZAKHSTAN SPEC(EURO 4 REGULATION)
main86730-60050iGUN125,126,135,TGN126..ASC;GUN122,KUN122,125,135,TGN121,136..LHD..(ASC,TSC)..X..(DCR,HTWC)..(BZAGT,GEN,LA)201505-202010
FRONT PERSONAL LAMP-WITH(BULB TYPE) & WITH(ROOF CONSOLE BOX)&AUDIO-AM/FM(10KHZ) &CD & *BT & 4SPEAKER
main86730-60050iGUN125,126,135,TGN126..ASC;GUN122,KUN122,125,135,TGN121,136..LHD..(ASC,TSC)..X..(DCR,HTWC)..(BZAGT,GEN,LA)201505-202010
AUDIO-AM/FM(10KHZ) & CD & *BT & 4SPEAKER
86808CORD SUB-ASSY, NAVIGATION ANTENNA, NO.1
AUDIO-*DA & CD & *BT & ENTUNE
AUDIO-AVN & DVD & *BT
ASEAN GENERAL SPEC&AUDIO-AM/FM & CD & *BT & 4SPEAKER
AUDIO-WITHOUT & WITH(AUDIO LESS COVER)
AUDIO-*DA & CD & *BT & 4SPEAKER
ASEAN GENERAL SPEC&AUDIO-AM/FM & CD & *BT & 4SPEAKER
AUDIO-*DA & CD & *BT & 4SPEAKER
AUDIO-*DA & CD & *BT & ENTUNE
AUDIO-AVN & DVD & *BT
ANTI-THEFT SYSTEM-WITH(IMMOBILIZER & SECURITY HORN)&AUDIO-AVN & DVD & *BT & DIGITAL TV
ANTI-THEFT SYSTEM-WITH(*IM & SIREN)
ANTI-THEFT SYSTEM-WITH(*IM & SIREN)&AUDIO-AVN & DVD & *BT & DIGITAL TV
AUDIO-AVN & DVD & *BT & DIGITAL TV
ANTI-THEFT SYSTEM-WITH(IMMOBILIZER & SECURITY HORN)
main86808-0K181iGUN136..6F..(M,S)..BZAGT;GUN125,126,135..(M,S)..HDCR..BZAGT;GUN126,TGN128,138..M..(HTWCF,IART)201907-202006
AUDIO-8INCH *DA & *BT
main86808-0K181iGUN136..6F..(M,S)..BZAGT;GUN125,126,135..(M,S)..HDCR..BZAGT;GUN126,TGN128,138..M..(HTWCF,IART)201907-202006
ANTI-THEFT SYSTEM-WITH(*IM & SIREN)
AUDIO-8INCH *DA & *BT & RDS & DAB
86841COMPUTER, NAVIGATION
BRAZIL SPEC
AUDIO-8INCH AVN & *BT & DIGITAL TV
AUDIO-8INCH AVN & *BT & DIGITAL TV
sub86840-0K141
AUDIO-8INCH AVN & *BT & DIGITAL TV
86842WIRE, NAVIGATION, NO.1
AUDIO-8INCH AVN & *BT & DIGITAL TV
86860ANTENNA ASSY, NAVIGATION
AUDIO-8INCH *DA & *BT
ANTI-THEFT SYSTEM-WITH(*IM & SIREN)
ANTI-THEFT SYSTEM-WITH(IMMOBILIZER & SECURITY HORN)
ANTI-THEFT SYSTEM-WITH(IMMOBILIZER & SECURITY HORN)
ANTI-THEFT SYSTEM-WITH(*IM & SIREN)
ANTI-THEFT SYSTEM-WITH(IMMOBILIZER)
AUDIO-AVN & DVD & *BT & DIGITAL TV
90153T0001
main90153-T0001
90167T0012
main90167-T0012
13 parts on this diagram · 1 diagram in section