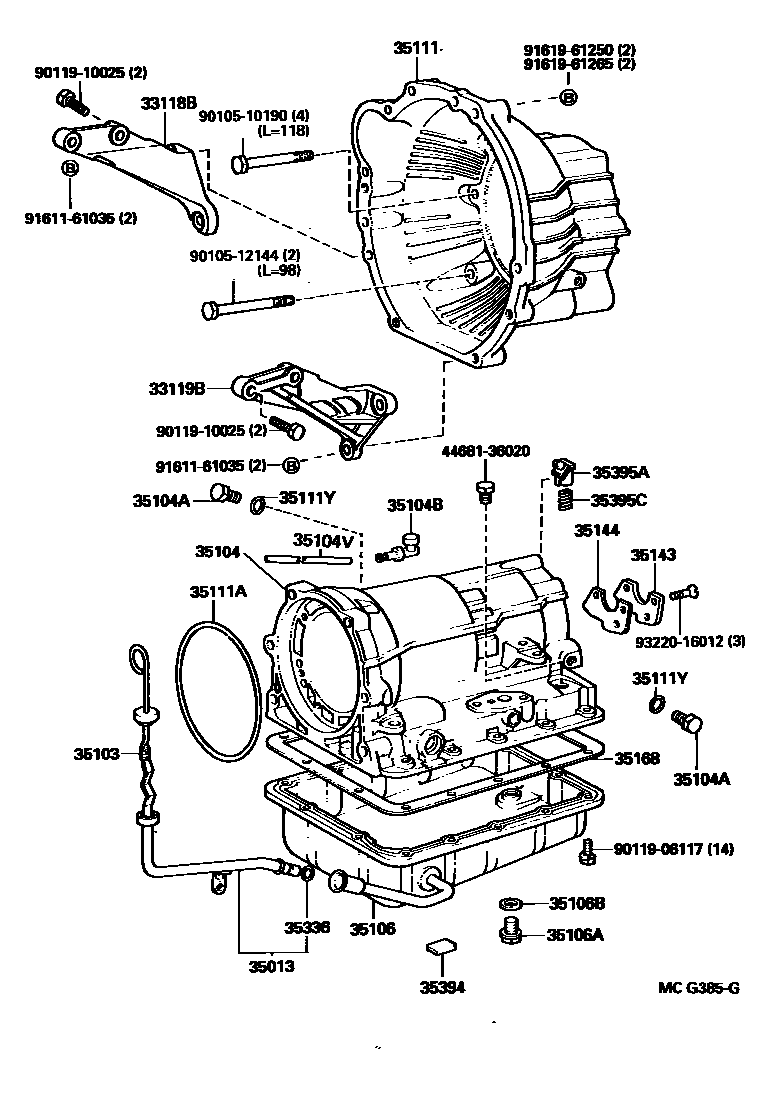
TRANSMISSION CASE & OIL PAN (ATM)

33118BPLATE, STIFFENER, RH(ATM)
33119BPLATE, STIFFENER, LH(ATM)
35013TUBE SUB-ASSY, TRANSMISSION OIL FILLER
35103GAGE SUB-ASSY, TRANSMISSION OIL LEVEL
35104CASE SUB-ASSY, AUTOMATIC TRANSMISSION
35104APLUG, AUTOMATIC TRANSMISSION CASE
35104BPLUG, BREATHER, NO.1 (ATM)
MISSION CASE SIDE
BODY SIDE
35104VHOSE (FOR BREATHER PLUG)
35106APLUG SUB-ASSY, DRAIN (ATM)
sub90341-10011
35106BGASKET, DRAIN PLUG (ATM)
35111ARING, O (FOR AUTOMATIC TRANSMISSION HOUSING)
35111YRING, O (FOR AUTOMATIC TRANSMISSION CASE)
35143COVER, TRANSMISSION CASE, REAR
35168GASKET, AUTOMATIC TRANSMISSION OIL PAN
35336RING, O (FOR TRANSMISSION OIL FILLER TUBE)
35394MAGNET, OIL CLEANER (FOR TRANSMISSION)
35395ASTRAINER, GOVERNOR OIL
35395CSPRING, COMPRESSION (FOR GOVERNOR STRAINGER)
4468136020PLUG, BOOSTER
main44681-36020
9010510190
main90105-10190
9010512144
main90105-12144
9011906117
main90119-06117
9011910025
main90119-10025
9161161035
main91611-61035
9161961250
main91619-61250
9161961265
main91619-61265
9322016012
main93220-16012
30 parts on this diagram · 3 diagrams in section