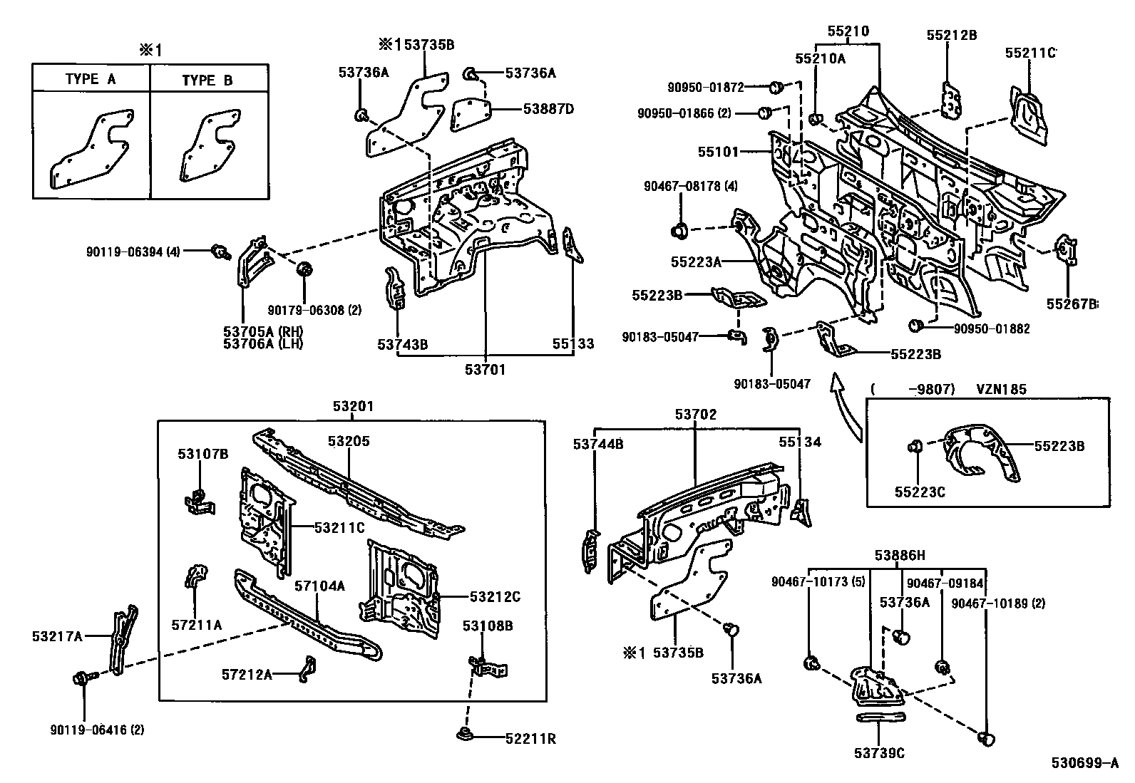
FRONT FENDER APRON & DASH PANEL

52211RCUSHION, BODY MOUNTING, NO.1
53107BBRACKET SUB-ASSY, RADIATOR GRILLE, LOWER RH
53108BBRACKET SUB-ASSY, RADIATOR GRILLE, LOWER LH
53201SUPPORT SUB-ASSY, RADIATOR
53205SUPPORT SUB-ASSY, RADIATOR, UPPER
53211CSUPPORT, RADIATOR, RH
53212CSUPPORT, RADIATOR, LH
53217ABRACE, HOOD LOCK SUPPORT
53701APRON SUB-ASSY, FRONT FENDER, RH
W(CRUISE CONTROL)
W(ABS & CRUISE CONTROL)
W(ABS)
sub53701-35542
sub53701-35492
sub53701-3D070
sub53701-3D100
W(ABS & CRUISE CONTROL)
53705ABRACE SUB-ASSY, FENDER APRON, RH
53706ABRACE SUB-ASSY, FENDER APRON, LH
53735BSEAL, FRONT FENDER APRON, UPPER
TYPE A:REFER TO ILLUSTRATION
TYPE B:REFER TO ILLUSTRATION
53736ACLIP(FOR FRONT FENDER APRON SEAL)
W(FRONT FENDER APRON=TYPE B)
TYPE B:REFER TO ILLUSTRATION
TYPE A:REFER TO ILLUSTRATION
53743BREINFORCEMENT, FRONT FENDER APRON, FRONT RH
53744BREINFORCEMENT, FRONT FENDER APRON, FRONT LH
53887DSEAL, FRONT FENDER SPLASH SHIELD, NO.1
55101PANEL SUB-ASSY, DASH
sub55101-35935
sub55101-35936
sub55101-35915
sub55101-35940
sub55101-35919
W(ABS)
sub55101-35955
sub55101-35955
55133PLATE, FRONT FENDER APRON SET, LOWER RH
55134PLATE, FRONT FENDER APRON SET, LOWER LH
55210ACLIP
55223AINSULATOR, DASH PANEL, OUTER
55223BINSULATOR, DASH PANEL HEAT, NO.1
55223CCLIP
55267BCOVER, DASH PANEL INSULATOR, NO.3
57104AMEMBER SUB-ASSY, FRONT CROSS
57211ABRACKET, BODY MOUNTING, NO.1 RH
57212ABRACKET, BODY MOUNTING, NO.1 LH
9011906394
main90119-06394
9011906416
main90119-06416
9017906308
main90179-06308
9018305047
main90183-05047
9046708178
main90467-08178
9046709184
main90467-09184
9046710173
main90467-10173
9046710189
main90467-10189
9095001866
main90950-01866
9095001872
main90950-01872
9095001882
main90950-01882
44 parts on this diagram · 1 diagram in section