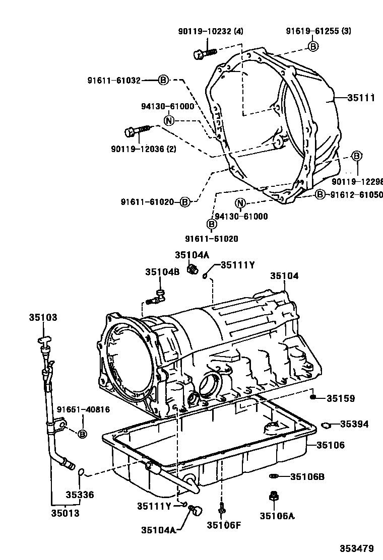
TRANSMISSION CASE & OIL PAN (ATM)

35104CASE SUB-ASSY, AUTOMATIC TRANSMISSION
35104APLUG, AUTOMATIC TRANSMISSION CASE
35104BPLUG, BREATHER, NO.1 (ATM)
MISSION CASE SIDE
BODY SIDE
35106PAN SUB-ASSY, AUTOMATIC TRANSMISSION OIL
*105
*105
35106APLUG SUB-ASSY, DRAIN (ATM)
sub90341-10011
35106BGASKET, DRAIN PLUG (ATM)
35106FBOLT (FOR AUTOMATIC TRANSMISSION OIL PAN)
35111HOUSING, AUTOMATIC TRANSMISSION
35111YRING, O (FOR AUTOMATIC TRANSMISSION CASE)
35159GASKET, BRAKE DRUM
35336RING, O (FOR TRANSMISSION OIL FILLER TUBE)
35394MAGNET, OIL CLEANER (FOR TRANSMISSION)
9011910232
main90119-10232
9011912036
main90119-12036
9011912298
main90119-12298
9161161020
main91611-61020
9161161032
main91611-61032
9161261050
main91612-61050
9161961255
main91619-61255
9165140816
main91651-40816
9413061000
main94130-61000
23 parts on this diagram · 4 diagrams in section