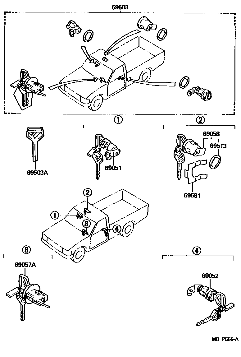
LOCK CYLINDER SET

69051CYLINDER & KEY SET, DOOR LOCK, RH
69052CYLINDER & KEY SET, DOOR LOCK, LH
69057ACYLINDER & KEY SET, IGNITION SWITCH LOCK
69058CYLINDER & KEY SET, FUEL FILLER LID
69503CYLINDER SET, LOCK
69503AKEY, BLANK
MASTER KEY,W(*68)
69513PAD, FUEL FILLER LID LOCK CYLINDER
69581RETAINER, FUEL FILLER LID CYLINDER
8 parts on this diagram · 2 diagrams in section