E
EPC Data

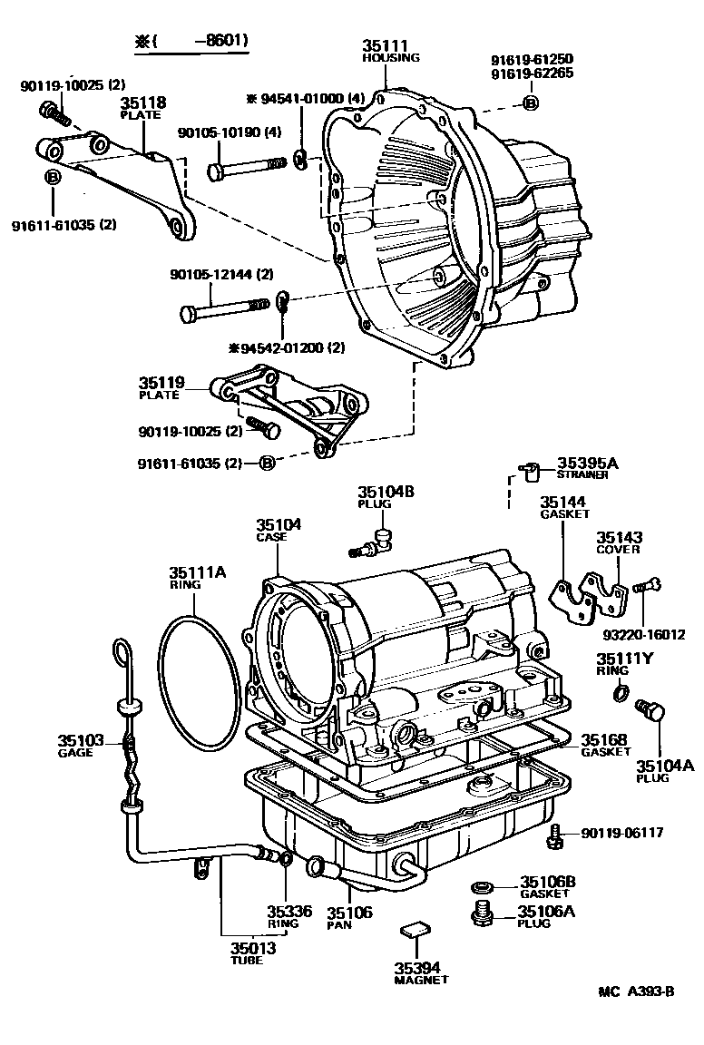
TRANSMISSION CASE & OIL PAN (ATM)

Parts diagram
35013TUBE SUB-ASSY, TRANSMISSION OIL FILLER
main35013-35030i198308-198808
main35013-35050i198501-198608
main35013-35051i198608-198808
main35013-35060i198508-198808
main35013-35080i198608-198808
main35013-35090i198711-198808
main35013-35140i198808-198903
main35013-35171i198808-198903
35103GAGE SUB-ASSY, TRANSMISSION OIL LEVEL
main35103-30131i198308-198808
main35103-35040i198501-198608
main35103-35050i198501-198608
main35103-35051i198608-198701
main35103-35060i198508-198808
main35103-35070i198701-198808
main35103-35080i198711-198808
main35103-35130i198808-198903
main35103-35151i198808-198903
35104CASE SUB-ASSY, AUTOMATIC TRANSMISSION
main35104-26020i198308-198410
main35104-26021i198410-198808
main35104-30131i198501-198601
main35104-30132i198601-198608
main35104-35010i198501-198601
main35104-35011i198601-198903
35104APLUG, AUTOMATIC TRANSMISSION CASE
main90341-08001i198308-198903
35104BPLUG, BREATHER, NO.1 (ATM)
main90930-03069i198308-198612
main90930-03098i198501-198903
TRANSMISSON CASE SIDE
main90930-03099i198501-198903
BODY SIDE
main90930-03108i198612-198808
35106PAN SUB-ASSY, AUTOMATIC TRANSMISSION OIL
main35106-30050i198308-198808
main35106-30060i198508-198808
main35106-30070i198501-198608
main35106-35010i198501-198903
main35106-35020i198711-198903
35106APLUG SUB-ASSY, DRAIN (ATM)
main90341-10006i198308-198903
35106BGASKET, DRAIN PLUG (ATM)
main35178-30010i198308-198903
35111HOUSING, AUTOMATIC TRANSMISSION
main35111-35020i198308-198502
main35111-35021i198502-198601
main35111-35022i198601-198808
main35111-35030i198501-198601
main35111-35031i198601-198903
main35111-35050i198711-198805
main35111-35051i198805-198903
35111ARING, O (FOR AUTOMATIC TRANSMISSION HOUSING)
main90301-99006i198308-198708
main90301-99054i198708-198808
35111YRING, O (FOR AUTOMATIC TRANSMISSION CASE)
main90301-06196i198308-198903
35118PLATE, STIFENER, RH (ATM)
main33118-22030i198308-198808
main33118-35020i198501-198903
main33118-35040i198711-198903
35119PLATE, STIFENER, LH (ATM)
main33119-22021i198308-198804
main33119-22022i198804-198808
main33119-35020i198501-198804
main33119-35021i198804-198903
main33119-35030i198711-198903
35143COVER, TRANSMISSION CASE, REAR
main35143-22010i198308-198808
35144GASKET, TRANSMISSION CASE REAR COVER
main35144-22010i198308-198808
35168GASKET, AUTOMATIC TRANSMISSION OIL PAN
main35168-22010i198308-198408
main35168-22011i198408-198808
35336RING, O (FOR TRANSMISSION OIL FILLER TUBE)
main90301-09173i198308-198903
35394MAGNET, OIL CLEANER (FOR TRANSMISSION)
main35394-30011i198308-198903
35395ASTRAINER, GOVERNOR OIL
main35395-40010i198308-198808
9010510190
9010512144
9011906117
9011910025
9161161035
9161961250
9161962265
9322016012
9454101000
9454201200

29 parts on this diagram · 2 diagrams in section

TRANSMISSION CASE & OIL PAN (ATM) — Toyota Parts Diagram with OEM Numbers & Prices | EPC Data