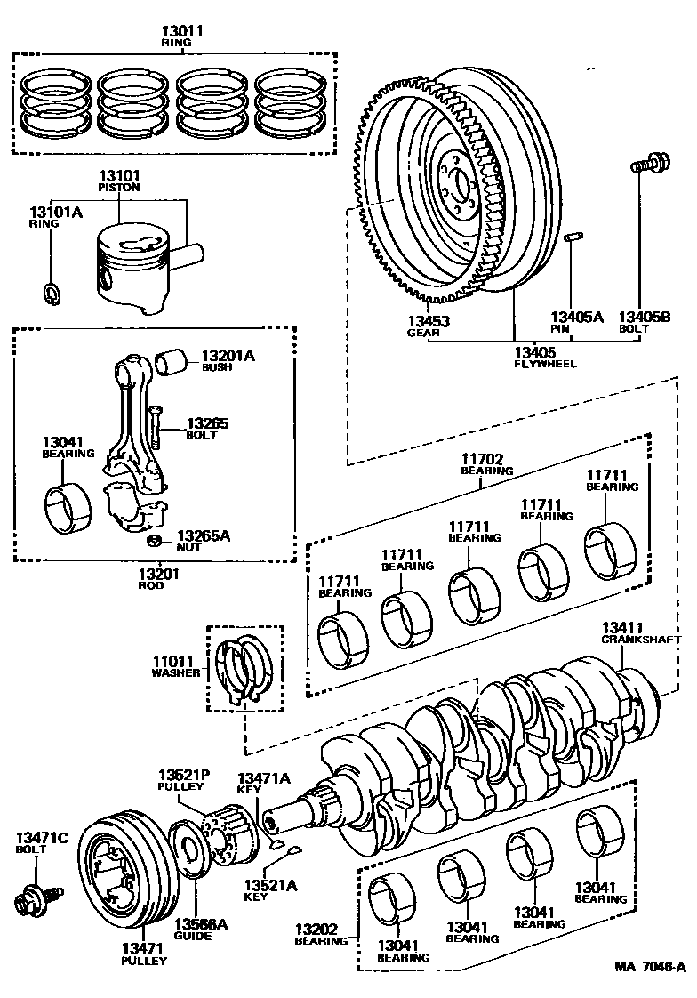
CRANKSHAFT & PISTON

11011WASHER SET, CRANKSHAFT THRUST
STD,STD
sub11011-35011
STD,STD
STD,STD
STD
O/S 0.125,O/S 0.125
sub11012-35021
O/S 0.125,O/S 0.125
O/S 0.125,O/S 0.125
O/S 0.250,O/S 0.25
sub11013-35021
O/S 0.250,O/S 0.25
O/S 0.250,O/S 0.25
11702BEARING SET, CRANKSHAFT
STD,STD
U/S 0.25,U/S 0.25
U/S 0.25,U/S 0.25
11711BEARING, CRANKSHAFT
MARK"3",MARK 3
MARK"4",MARK 4
MARK"5",MARK 5
13011RING SET, PISTON
STD,STD
STD,STD
STD,STD
O/S 0.50,O/S 0.50
O/S 0.50,O/S 0.50
O/S 0.50,O/S 0.50
O/S 1.00,O/S 1.00
O/S 1.00,O/S 1.00
O/S 1.00,O/S 1.00
13041BEARING, CONNECTING ROD
MARK"1",MARK 1
MARK"2",MARK 2
MARK"3",MARK 3
13101PISTON SUB-ASSY, W/PIN
STD,STD
STD,STD,MARK"1",MARK 1
STD,STD,MARK"2",MARK 2
STD,STD,MARK"3",MARK 3
STD,STD
STD,STD
STD,STD
O/S 0.50,O/S 0.50
O/S 0.50,O/S 0.50
O/S 0.50,O/S 0.50
O/S 0.50,O/S 0.50
O/S 0.50,O/S 0.50
O/S 1.00,O/S 1.00
O/S 1.00,O/S 1.00
O/S 1.00,O/S 1.00
13101ARING, HOLE SNAP(FOR PISTON PIN)
13202BEARING SET, CONNECTING ROD
U/S 0.25,U/S 0.25
U/S 0.25,U/S 0.25
U/S 0.50,U/S 0.50
13405FLYWHEEL SUB-ASSY
13405APIN, STRAIGHT(FOR FLYWHEEL)
L=23,OD=8
L=18,OD=8
13405BBOLT, FLYWHEEL SETTING
*11-1.25PX26-18
13411CRANKSHAFT
13453GEAR, FLYWHEEL RING
N=115
13471CBOLT(FOR CRANKSHAFT PULLEY SET)
*14-1.5PX40-31
13521GEAR OR SPROCKET, CRANKSHAFT TIMING
24 parts on this diagram · 3 diagrams in section