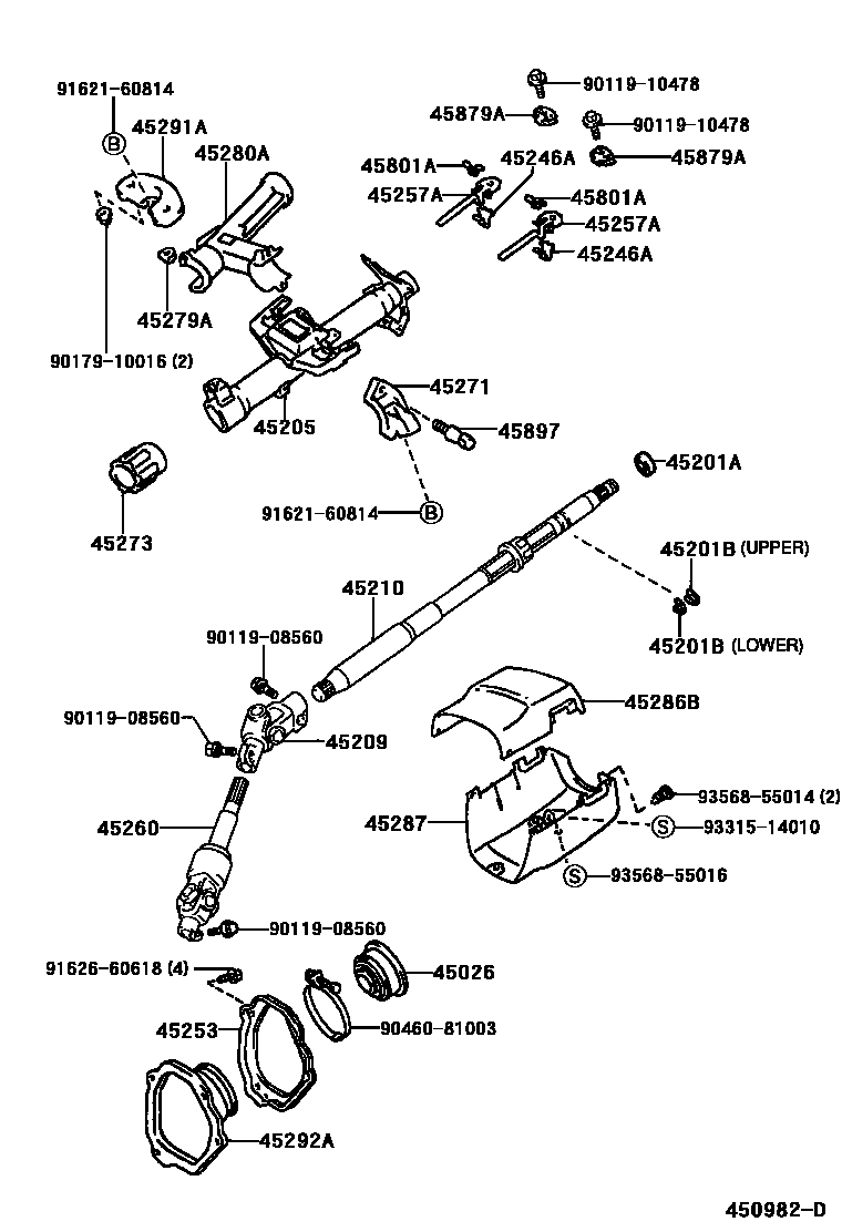
STEERING COLUMN & SHAFT

45026COVER SUB-ASSY, STEERING COLUMN HOLE, NO.2
45201ABEARING(FOR STEERING MAIN SHAFT)
45201BRING, SHAFT SNAP(FOR STEERING MAIN SHAFT)
T=1.20,LOWER
T=1.20,UPPER
45205TUBE SUB-ASSY, STEERING COLUMN
45209YOKE SUB-ASSY, STEERING SLIDING
45246AGUIDE, STEERING ENERGY ABSORBING PLATE
45253COVER, STEERING COLUMN HOLE
45257APLATE, STEERING COLUMN ENERGY ABSORBING
45260SHAFT ASSY, STEERING INTERMEDIATE, NO.2
45271CLAMP, STEERING COLUMN, UPPER
45273BUSH, STEERING MAIN SHAFT
45279AATTACHMENT, STEERING COLUMN TUBE, LWR
45280ABRACKET ASSY, STEERING COLUMN, UPPER
45286BCOVER, STEERING COLUMN, UPR
BLACK,TRIM1#
45287COVER, STEERING COLUMN, LWR
BLACK,TRIM1#
45291ASUPPORT, STEERING COLUMN TUBE
45292ACOVER, MAIN SHAFT LOWER DUST
45801APIN SUB-ASSY, STEERING ENERGY ABSORBING
45879ACAPSULE, BREAK AWAY
45897BOLT, STEERING LOCK SET
9011908560
main90119-08560
9011910478
main90119-10478
9017910016
main90179-10016
9046081003
main90460-81003
9162160814
main91621-60814
9162660618
main91626-60618
9331514010
main93315-14010
9356855014
main93568-55014
9356855016
main93568-55016
30 parts on this diagram · 1 diagram in section