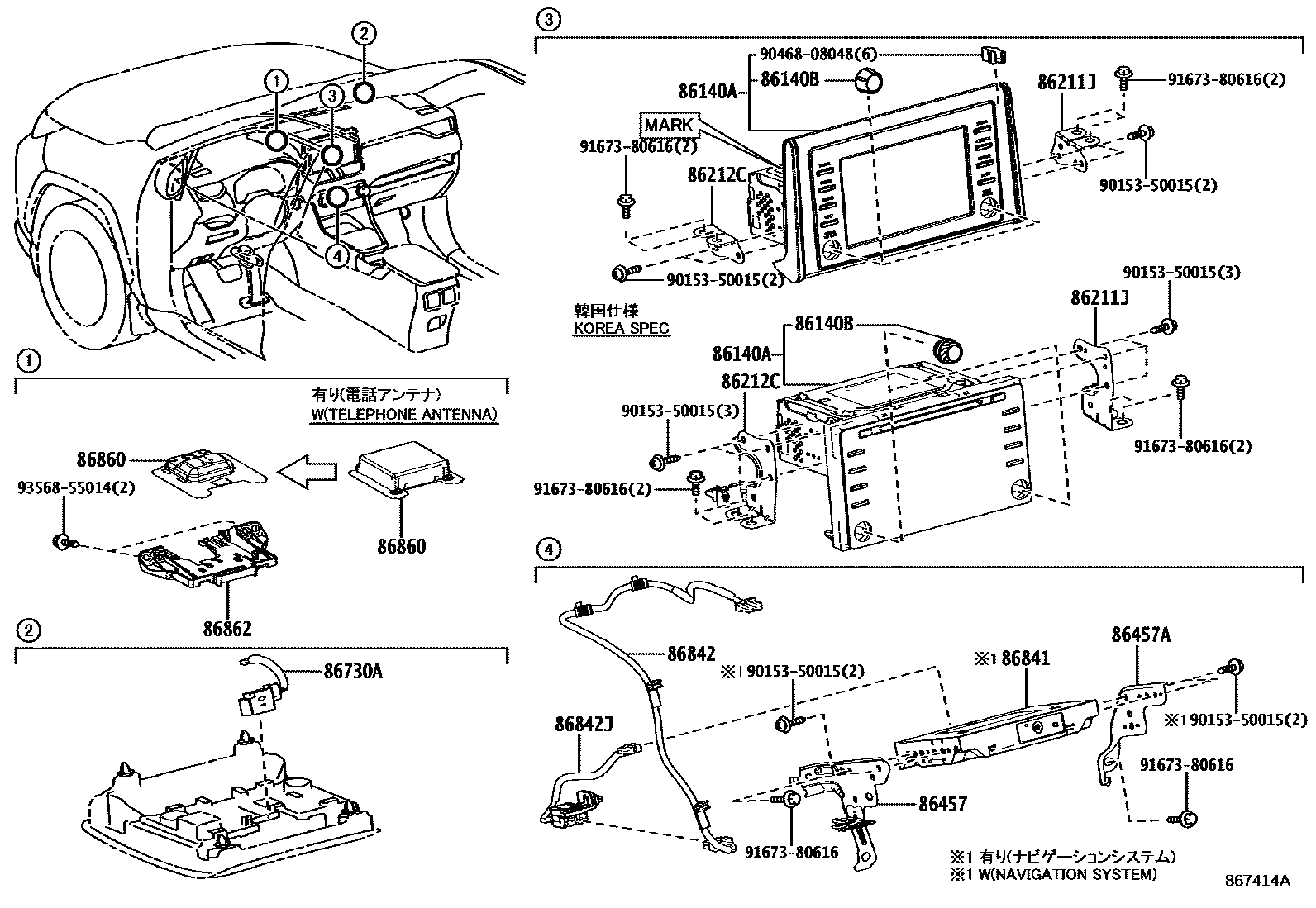
NAVIGATION & FRONT MONITOR DISPLAY

86140ARECEIVER ASSY, RADIO & DISPLAY
DENSO TEN,KOREA SPEC&AUDIO-6SPEAKER 8INCH DVD KOREA&DATA COMMUNICATION MODULE-19MCDCM(KOREA)
DENSO TEN
DENSO TEN,KOREA SPEC&AUDIO-6SPEAKER 8INCH KOREA&DATA COMMUNICATION MODULE-19MC DCM(KOREA)
DENSO TEN
DENSO TEN,AUDIO-6SPEAKER 8INCH XM&DATA COMMUNICATION MODULE-4G AIRBAG-LINK NA/AU-T1/2
PIONEER
PIONEER,AUDIO-6SPEAKER 7INCH DVD&DATA COMMUNICATION MODULE-WITHOUT
PIONEER
PIONEER,AMERICAN SAMOA SPEC&AUDIO-6SPEAKER 7INCH
PIONEER,GUAM,SAIPAN SPEC&AUDIO-6SPEAKER 7INCH
PIONEER
PIONEER,HAWAII SPEC&AUDIO-6SPEAKER 7INCH
PIONEER,PUERTO RICO SPEC&AUDIO-6SPEAKER 7INCH
PIONEER
DENSO TEN
DENSO TEN,AUDIO-6SPEAKER 8INCH XM&DATA COMMUNICATION MODULE-4G AIRBAG-LINK NA/AU-T1/2
PIONEER
PIONEER,KOREA SPEC&AUDIO-6SPEAKER 7INCH DVD
PIONEER,AUDIO-6SPEAKER 7INCH DVD&DATA COMMUNICATION MODULE-WITHOUT
DENSO TEN,AUDIO-6SPEAKER 9INCH XM
DENSO TEN
DENSO TEN
DENSO TEN,AUDIO-JBL 9INCH XM
DENSO TEN
DENSO TEN
DENSO TEN
DENSO TEN,AUDIO-JBL 10.5INCH XM
86140BKNOB, RADIO & DISPLAY RECEIVER SWITCH
HAWAII SPEC&AUDIO-6SPEAKER 7INCH
AMERICAN SAMOA SPEC&AUDIO-6SPEAKER 7INCH
PUERTO RICO SPEC&AUDIO-6SPEAKER 7INCH
KOREA SPEC&AUDIO-6SPEAKER 7INCH DVD
AUDIO-6SPEAKER 7INCH DVD&DATA COMMUNICATION MODULE-WITHOUT
AUDIO-6SPEAKER 8INCH XM&DATA COMMUNICATION MODULE-4G AIRBAG-LINK NA/AU-T1/2
AUDIO-JBL 8INCH XM&DATA COMMUNICATION MODULE-4G AIRBAG-LINK NA/AU-T1/2
86211JBRACKET, RADIO RECEIVER, NO.1
KOREA SPEC
AUDIO-6SPEAKER 7INCH DVD
AUDIO-JBL 10.5INCH XM
86212CBRACKET, RADIO RECEIVER, NO.2
KOREA SPEC
AUDIO-6SPEAKER 7INCH DVD
AUDIO-JBL 10.5INCH XM
86457BRACKET, MULTI-MEDIA MODULE NO.1
AUDIO-6SPEAKER 7INCH DVD&DATA COMMUNICATION MODULE-WITHOUT
GUAM,SAIPAN SPEC&AUDIO-6SPEAKER 8INCH
PUERTO RICO SPEC&AUDIO-6SPEAKER 7INCH
HAWAII SPEC&AUDIO-6SPEAKER 7INCH
AMERICAN SAMOA SPEC&AUDIO-6SPEAKER 7INCH
GUAM,SAIPAN SPEC&AUDIO-6SPEAKER 7INCH
PUERTO RICO SPEC&AUDIO-6SPEAKER 8INCH
AMERICAN SAMOA SPEC&AUDIO-6SPEAKER 8INCH
AMERICAN SAMOA SPEC
GUAM,SAIPAN SPEC
DATA COMMUNICATION MODULE-WITHOUT
KOREA SPEC&AUDIO-6SPEAKER 7INCH DVD&EMV & NAVIGATION SYSTEM-WITH(KOREA)
AUDIO-6SPEAKER 7INCH
AUDIO-6SPEAKER 7INCH&DATA COMMUNICATION MODULE-WITHOUT
AUDIO-6SPEAKER 8INCH
AUDIO-6SPEAKER 8INCH&EMV & NAVIGATION SYSTEM-WITHOUT
AUDIO-6SPEAKER 8INCH&DATA COMMUNICATION MODULE-WITHOUT
EMV & NAVIGATION SYSTEM-WITH(KOREA)&DATA COMMUNICATION MODULE-WITHOUT
EMV & NAVIGATION SYSTEM-WITHOUT&DATA COMMUNICATION MODULE-WITHOUT
86457ABRACKET, MULTI-MEDIA MODULE NO.2
AUDIO-6SPEAKER 7INCH DVD&DATA COMMUNICATION MODULE-WITHOUT
AMERICAN SAMOA SPEC
KOREA SPEC&AUDIO-6SPEAKER 7INCH DVD&EMV & NAVIGATION SYSTEM-WITH(KOREA)
AMERICAN SAMOA SPEC&AUDIO-6SPEAKER 8INCH
GUAM,SAIPAN SPEC&AUDIO-6SPEAKER 8INCH
AUDIO-6SPEAKER 7INCH
AUDIO-6SPEAKER 7INCH&DATA COMMUNICATION MODULE-WITHOUT
AUDIO-6SPEAKER 8INCH
AUDIO-6SPEAKER 8INCH&EMV & NAVIGATION SYSTEM-WITHOUT
AUDIO-6SPEAKER 8INCH&DATA COMMUNICATION MODULE-WITHOUT
EMV & NAVIGATION SYSTEM-WITH(KOREA)&DATA COMMUNICATION MODULE-WITHOUT
EMV & NAVIGATION SYSTEM-WITHOUT&DATA COMMUNICATION MODULE-WITHOUT
PUERTO RICO SPEC&AUDIO-6SPEAKER 7INCH
HAWAII SPEC&AUDIO-6SPEAKER 7INCH
AMERICAN SAMOA SPEC&AUDIO-6SPEAKER 7INCH
GUAM,SAIPAN SPEC&AUDIO-6SPEAKER 7INCH
PUERTO RICO SPEC&AUDIO-6SPEAKER 8INCH
GUAM,SAIPAN SPEC
DATA COMMUNICATION MODULE-WITHOUT
86730AMICROPHONE ASSY, TELEPHONE
AUDIO-6SPEAKER 7INCH DVD&DATA COMMUNICATION MODULE-WITHOUT
KOREA SPEC&AUDIO-6SPEAKER 7INCH DVD
AUDIO-6SPEAKER 7INCH DVD&DATA COMMUNICATION MODULE-WITHOUT
86841COMPUTER, NAVIGATION
KOREA SPEC
AUDIO-6SPEAKER 8INCH DVD KOREA
AUDIO-6SPEAKER 8INCH KOREA
86842WIRE, NAVIGATION, NO.1
AUDIO-6SPEAKER 8INCH XM
AUDIO-6SPEAKER 7INCH DVD&DATA COMMUNICATION MODULE-WITHOUT
AUDIO-JBL 8INCH XM
KOREA SPEC&AUDIO-6SPEAKER 7INCH DVD
AUDIO-6SPEAKER 8INCH DVD KOREA
KOREA SPEC
AUDIO-6SPEAKER 8INCH KOREA
86842JWIRE, NAVIGATION, NO.2
KOREA SPEC
AUDIO-6SPEAKER 7INCH DVD&DATA COMMUNICATION MODULE-WITHOUT
AUDIO-6SPEAKER 8INCH XM
AUDIO-JBL 8INCH XM
KOREA SPEC&AUDIO-6SPEAKER 7INCH DVD
AUDIO-6SPEAKER 8INCH DVD KOREA
AUDIO-6SPEAKER 8INCH KOREA
86860ANTENNA ASSY, NAVIGATION
AUDIO-6SPEAKER 7INCH DVD&DATA COMMUNICATION MODULE-WITHOUT
KOREA SPEC&AUDIO-6SPEAKER 7INCH DVD
AUDIO-6SPEAKER 8INCH
AUDIO-6SPEAKER 8INCH&DATA COMMUNICATION MODULE-WITHOUT
AMERICAN SAMOA SPEC&AUDIO-6SPEAKER 8INCH
GUAM,SAIPAN SPEC&AUDIO-6SPEAKER 8INCH
AUDIO-6SPEAKER 7INCH&DATA COMMUNICATION MODULE-WITHOUT
AMERICAN SAMOA SPEC&AUDIO-6SPEAKER 7INCH
AMERICAN SAMOA SPEC&AUDIO-6SPEAKER 8INCH
GUAM,SAIPAN SPEC&AUDIO-6SPEAKER 8INCH
AUDIO-6SPEAKER 7INCH&DATA COMMUNICATION MODULE-WITHOUT
AUDIO-6SPEAKER 8INCH
AUDIO-6SPEAKER 8INCH&DATA COMMUNICATION MODULE-WITHOUT
PUERTO RICO SPEC&AUDIO-6SPEAKER 7INCH
HAWAII SPEC&AUDIO-6SPEAKER 7INCH
GUAM,SAIPAN SPEC&AUDIO-6SPEAKER 7INCH
PUERTO RICO SPEC&AUDIO-6SPEAKER 8INCH
86862BRACKET, NAVIGATION ANTENNA
AMERICAN SAMOA SPEC&AUDIO-6SPEAKER 8INCH
GUAM,SAIPAN SPEC&AUDIO-6SPEAKER 8INCH
AUDIO-6SPEAKER 7INCH&DATA COMMUNICATION MODULE-WITHOUT
AUDIO-6SPEAKER 8INCH
AUDIO-6SPEAKER 8INCH&DATA COMMUNICATION MODULE-WITHOUT
PUERTO RICO SPEC&AUDIO-6SPEAKER 7INCH
HAWAII SPEC&AUDIO-6SPEAKER 7INCH
AMERICAN SAMOA SPEC&AUDIO-6SPEAKER 7INCH
GUAM,SAIPAN SPEC&AUDIO-6SPEAKER 7INCH
PUERTO RICO SPEC&AUDIO-6SPEAKER 8INCH
9015350015
9046808048
9167380616
9356855014
16 parts on this diagram · 4 diagrams in section