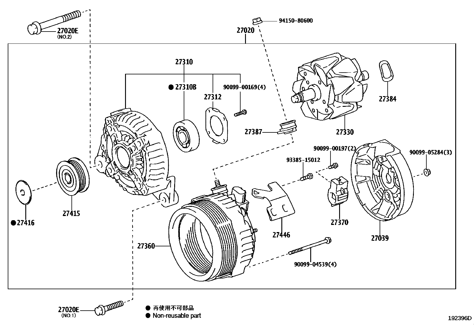
ALTERNATOR

27020ALTERNATOR ASSY
12V 100A
12V 100A
27020EBOLT(FOR ALTERNATOR)
NO.1
NO.2
NO.1
NO.1
NO.2
NO.1
NO.2
27039COVER, ALTERNATOR REAR END
27310FRAME ASSY, DRIVE END, ALTERNATOR
27310BBEARING(FOR ALTERNATOR DRIVE END FRAME)
sub90099-10223
WITH(TOWING PACKAGE)
WITH(TOWING PACKAGE)&TELEVISION & VTR-REAR MONITOR(RSE)
TELEVISION & VTR-REAR MONITOR(RSE)
27312PLATE, RETAINER
27330ROTOR ASSY, ALTERNATOR
27370HOLDER ASSY, ALTERNATOR BRUSH
27384WASHER
27387INSULATOR, TERMINAL
27416CAP, ALTERNATOR PULLEY
27446CLIP, ALTERNATOR CORD
9009900169
main90099-00169
9009900197
main90099-00197
9009904539
main90099-04539
9009905284
main90099-05284
9338515012
main93385-15012
9415080600
main94150-80600
20 parts on this diagram · 3 diagrams in section