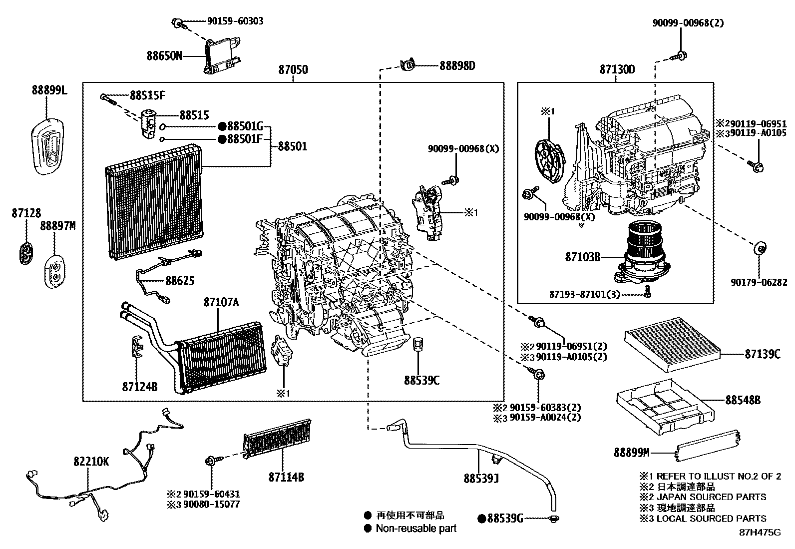
HEATING & AIR CONDITIONING - COOLER UNIT

82210KHARNESS ASSY, AIR CONDITIONER
UKRAINE,MOLDOVA SPEC
EXCEPT WVTA COUNTRY
AZERBAIJAN,GEORGIA SPEC
main82212-42050iAXAA52..GCC;MXAA52..JPP..LHD;AXAA52..LHD..(G,M)..GEN;MXAA54..JPP..LHD..(M,X);AXAA54,AXAH5#..LHD..(GCC,GEN);MXAA54..LHD..(G,V)..(EUR,GEN)¥0201811-202210
UKRAINE,MOLD SPEC
EXCEPT WVTA COUNTRY
87050RADIATOR ASSY, AIR CONDITIONER
EXCEPT WVTA COUNTRY
AZERBAIJAN,GEORGIA SPEC
UKRAINE,MOLD SPEC
UKRAINE,MOLDOVA SPEC
main87050-33C91iAXAA54..(M,V)..ARL;AXAA54..RHD..(G,M)..(GEN,SA);MXAA5#..RHD..CVT..(G,M,V)..(ARL,GEN,SA)201901-202310
SPAIN,GIBRALTAR SPEC
ISRAEL SPEC
TURKEY SPEC
WVTA COUNTRY, W(ROAD SIGN ASSIST), EU
GERMANY SPEC
FRANCE SPEC
ITALY SPEC
NORWAY,SWEDEN,FINLAND,DENMARK SPEC
WVTA COUNTRY, W/O (ROAD SIGN ASSIST)
WVTA COUNTRY,W(ROAD SIGN ASSIST)
LOW FUEL CONSUMPTION PACKAGE-IDLE STOP & ECO-RUN
LOW FUEL CONSUMPTION PACKAGE-IDLE STOP & ECO-RUN
87103BMOTOR SUB-ASSY, BLOWER W/FAN
LOW FUEL CONSUMPTION PACKAGE-IDLE STOP & ECO-RUN
87107AUNIT SUB-ASSY, HEATER RADIATOR
87114BCOVER, HEATER
main87114-58050iAXAA54..LHD..V;MXAA52..JPP..CVT;AXAH54..(G,P)..GEN;AXAH54..LHD..M..GEN;AXAA54..(M,V,X)..ARL;MXAA52..LHD..6F..GEN;AXAL5#..(G,M,P,V)..EUR;MXAA54..JPP..CVT..(M,X);AXAH¥0201811-202410
87124BCLAMP, HEATER
87128GROMMET, HEATER
87130DBLOWER ASSY
main87130-33290iAXAH52..G..ARL;MXAA52..RHD..CVT;MXAA52..RHD..6F..X;AXAH52..RHD..(M,X)..(ARL,GEN);AXAA5#,AXAH54,AXAL5#,MXAA54..RHD..(ARL,GEN,SA)201811-202210
LOW FUEL CONSUMPTION PACKAGE-IDLE STOP & ECO-RUN
87139CFILTER, CLEAN AIR
POLLEN FILTER
DEODORANT FILTER
88501EVAPORATOR SUB-ASSY, COOLER, NO.1
LOW FUEL CONSUMPTION PACKAGE-IDLE STOP & ECO-RUN
REGULATION COMPLIANCE LABEL & NAME PLATE-*NTA LABEL&UKRAINE,MOLDOVA SPEC
main88501-33340iMXAA52..X..(ARL,GCC,GEN);MXAA52..(G,M)..(ARL,GEN,SA);AXAA5#,MXAA54..JPP..(ARL,GCC,GEN,RUS,SA)201811-202310
REGULATION COMPLIANCE LABEL & NAME PLATE-*NTA LABEL&EXCEPT WVTA COUNTRY
REGULATION COMPLIANCE LABEL & NAME PLATE-*NTA LABEL&AZERBAIJAN,GEORGIA SPEC
NORWAY,SWEDEN,FINLAND,DENMARK SPEC
GERMANY SPEC
FRANCE SPEC
ITALY SPEC
OTHER WVTA COUNTRY, WITHOUT RSA
SPAIN,JIB SPEC
ISRAEL SPEC
TURKEY SPEC
OTHER WVTA COUNTRY, WITH RSA
WVTA COUNTRY, W/O (ROAD SIGN ASSIST)
WVTA COUNTRY,W(ROAD SIGN ASSIST)
SPAIN,GIBRALTAR SPEC
WVTA COUNTRY, W(ROAD SIGN ASSIST), EU
REGULATION COMPLIANCE LABEL & NAME PLATE-WITH(*WVTA)&SPAIN,JIB SPEC
REGULATION COMPLIANCE LABEL & NAME PLATE-WITH(*WVTA)&OTHER WVTA COUNTRY, WITHOUT RSA
REGULATION COMPLIANCE LABEL & NAME PLATE-WITH(*WVTA)&NORWAY,SWEDEN,FINLAND,DENMARKSPEC
REGULATION COMPLIANCE LABEL & NAME PLATE-WITH(*WVTA)&ITALY SPEC
REGULATION COMPLIANCE LABEL & NAME PLATE-WITH(*WVTA)&FRANCE SPEC
REGULATION COMPLIANCE LABEL & NAME PLATE-WITH(*WVTA)&GERMANY SPEC
REGULATION COMPLIANCE LABEL & NAME PLATE-WITH(*WVTA)&OTHER WVTA COUNTRY, WITH RSA
REGULATION COMPLIANCE LABEL & NAME PLATE-WITH(*WVTA)&TURKEY SPEC
REGULATION COMPLIANCE LABEL & NAME PLATE-WITH(*WVTA)&ISRAEL SPEC
88501FO-RING, COOLER EVAPORATOR NO.1(DISCHARGE)
ID=10.8,OD=15.6
88501GO-RING, COOLER EVAPORATOR NO.1(SUCTION)
ID=13.4,OD=18.2
88515VALVE, COOLER EXPANSION
REGULATION COMPLIANCE LABEL & NAME PLATE-WITH(*WVTA)&OTHER WVTA COUNTRY, WITH RSA
REGULATION COMPLIANCE LABEL & NAME PLATE-WITH(*WVTA)&GERMANY SPEC
REGULATION COMPLIANCE LABEL & NAME PLATE-WITH(*WVTA)&FRANCE SPEC
REGULATION COMPLIANCE LABEL & NAME PLATE-WITH(*WVTA)&ITALY SPEC
REGULATION COMPLIANCE LABEL & NAME PLATE-WITH(*WVTA)&NORWAY,SWEDEN,FINLAND,DENMARKSPEC
REGULATION COMPLIANCE LABEL & NAME PLATE-WITH(*WVTA)&OTHER WVTA COUNTRY, WITHOUT RSA
REGULATION COMPLIANCE LABEL & NAME PLATE-WITH(*WVTA)&SPAIN,JIB SPEC
REGULATION COMPLIANCE LABEL & NAME PLATE-WITH(*WVTA)&ISRAEL SPEC
REGULATION COMPLIANCE LABEL & NAME PLATE-WITH(*WVTA)&TURKEY SPEC
main88515-48110iAXAH52..G..ARL;MXAA52..JPP..6F..X;MXAA52..6F..M..GEN;MXAA54..6F..G..EUR;MXAA52..CVT..X..EUR;MXAA54..JPP..CVT..G;AXAH52..LHD..G..GEN;MXAA54..JPP..(M,V,X);MXAA52..LHD¥6,300201811-202210
EXCEPT WVTA COUNTRY
UKRAINE,MOLD SPEC
AZERBAIJAN,GEORGIA SPEC
REGULATION COMPLIANCE LABEL & NAME PLATE-*NTA LABEL&EXCEPT WVTA COUNTRY
REGULATION COMPLIANCE LABEL & NAME PLATE-*NTA LABEL&AZERBAIJAN,GEORGIA SPEC
REGULATION COMPLIANCE LABEL & NAME PLATE-*NTA LABEL&UKRAINE,MOLDOVA SPEC
LOW FUEL CONSUMPTION PACKAGE-WITHOUT
OTHER WVTA COUNTRY, WITHOUT RSA
GERMANY SPEC
FRANCE SPEC
ITALY SPEC
NORWAY,SWEDEN,FINLAND,DENMARK SPEC
SPAIN,JIB SPEC
ISRAEL SPEC
TURKEY SPEC
OTHER WVTA COUNTRY, WITH RSA
WVTA COUNTRY, W/O (ROAD SIGN ASSIST)
WVTA COUNTRY,W(ROAD SIGN ASSIST)
SPAIN,GIBRALTAR SPEC
WVTA COUNTRY, W(ROAD SIGN ASSIST), EU
LOW FUEL CONSUMPTION PACKAGE-IDLE STOP & ECO-RUN
LOW FUEL CONSUMPTION PACKAGE-IDLE STOP & ECO-RUN
88515FBOLT(FOR COOLER EXPANSION VALVE)
main90099-04542iMXAA52..X..(ARL,GCC,GEN);AXAA5#,AXAH5#,AXAL5#..JPP;MXAA52..(G,M)..(ARL,GEN,SA);MXAA54..JPP..(GCC,GEN,RUS,SA)¥120201811-202410
88539CHOSE, COOLER UNIT DRAIN, NO.2
REGULATION COMPLIANCE LABEL & NAME PLATE-WITH(*WVTA)&FRANCE SPEC
REGULATION COMPLIANCE LABEL & NAME PLATE-WITH(*WVTA)&ITALY SPEC
REGULATION COMPLIANCE LABEL & NAME PLATE-WITH(*WVTA)&NORWAY,SWEDEN,FINLAND,DENMARKSPEC
REGULATION COMPLIANCE LABEL & NAME PLATE-WITH(*WVTA)&OTHER WVTA COUNTRY, WITHOUT RSA
REGULATION COMPLIANCE LABEL & NAME PLATE-WITH(*WVTA)&SPAIN,JIB SPEC
REGULATION COMPLIANCE LABEL & NAME PLATE-WITH(*WVTA)&ISRAEL SPEC
REGULATION COMPLIANCE LABEL & NAME PLATE-WITH(*WVTA)&TURKEY SPEC
REGULATION COMPLIANCE LABEL & NAME PLATE-WITH(*WVTA)&OTHER WVTA COUNTRY, WITH RSA
REGULATION COMPLIANCE LABEL & NAME PLATE-WITH(*WVTA)&GERMANY SPEC
main88899-10110iAXAH5#..ARL,SA;AXAA52..X..GCC;MXAA52..RHD..EUR;AXAH54..RHD..G..GEN;AXAA54,MXAA5#..JPP..LHD..X202008-202310
LOW FUEL CONSUMPTION PACKAGE-IDLE STOP & ECO-RUN
88539GGROMMET (FOR COOLER UNIT DRAIN HOSE)
88539JHOSE, DRAIN COOLER
main88539-42070iMXAA54..6F..G..EUR;MXAA54..JPP..CVT..G;AXAA54..LHD..(GCC,GEN);MXAA54..JPP..LHD..(M,V,X);AXAA52,AXAH5#,AXAL5#,MXAA52..LHD..(EUR,GCC,GEN)201811-202410
main88539-42080iAXAH5#..X..ARL;MXAA52..6F..SA;MXAA5#..RHD..CVT;AXAH54..RHD..G..GEN;AXAA54..(M,V,X)..ARL;AXAL5#..RHD..(G,M,P,V)..EUR;AXAA54..RHD..(G,M,X)..(GEN,SA);AXAH5#..RHD..(G,M201811-202410
88548BCASE, AIR FILTER
88625THERMISTOR, COOLER, NO.1
main88620-28050iAXAH52..G..ARL;MXAA52..JPP..6F..X;MXAA52..6F..M..GEN;MXAA54..6F..G..EUR;MXAA52..CVT..X..EUR;MXAA54..JPP..CVT..G;AXAH52..LHD..G..GEN;MXAA54..JPP..(M,V,X);MXAA52..LHD¥0201811-202410
LOW FUEL CONSUMPTION PACKAGE-WITHOUT
REGULATION COMPLIANCE LABEL & NAME PLATE-*NTA LABEL&UKRAINE,MOLDOVA SPEC
REGULATION COMPLIANCE LABEL & NAME PLATE-*NTA LABEL&AZERBAIJAN,GEORGIA SPEC
REGULATION COMPLIANCE LABEL & NAME PLATE-*NTA LABEL&EXCEPT WVTA COUNTRY
REGULATION COMPLIANCE LABEL & NAME PLATE-WITH(*WVTA)&GERMANY SPEC
REGULATION COMPLIANCE LABEL & NAME PLATE-WITH(*WVTA)&FRANCE SPEC
REGULATION COMPLIANCE LABEL & NAME PLATE-WITH(*WVTA)&ITALY SPEC
REGULATION COMPLIANCE LABEL & NAME PLATE-WITH(*WVTA)&ISRAEL SPEC
REGULATION COMPLIANCE LABEL & NAME PLATE-WITH(*WVTA)&NORWAY,SWEDEN,FINLAND,DENMARKSPEC
REGULATION COMPLIANCE LABEL & NAME PLATE-WITH(*WVTA)&OTHER WVTA COUNTRY, WITHOUT RSA
REGULATION COMPLIANCE LABEL & NAME PLATE-WITH(*WVTA)&SPAIN,JIB SPEC
REGULATION COMPLIANCE LABEL & NAME PLATE-WITH(*WVTA)&TURKEY SPEC
REGULATION COMPLIANCE LABEL & NAME PLATE-WITH(*WVTA)&OTHER WVTA COUNTRY, WITH RSA
LOW FUEL CONSUMPTION PACKAGE-IDLE STOP & ECO-RUN
88650NAMPLIFIER ASSY, AIR CONDITIONER
main88650-42720iAXAL5#..ARL;AXAA54..G..ARL;AXAA52..X..GEN;MXAA54..V..GCC;AXAH5#..RHD..M..GEN;MXAA5#..RHD..6F..(ARL,GEN);AXAH5#,AXAL5#..RHD..X..EUR202008-202112
sub88650-42811
main88650-42811iAXAH5#..M,X;AXAA54..V..GCC;MXAA54..RHD..(M,X);AXAH5#..G..(ARL,EUR);MXAA54..G..(EUR,GEN);MXAA54..JPP..LHD..(M,V,X);AXAA54..(G,M,X)..(ARL,SA);AXAL5#,MXAA52..ARL,EUR,S202001-202007
SEAT HEATER-WITH(*DRP:SEAT VENTILATION)
sub88650-42821
SEAT HEATER-WITH(*DRP:SEAT VENTILATION)
sub88650-42831
COLD AREA SPEC,WITH(REAR SEAT HEATER)
SEAT HEATER-WITH(*DRP), W(SEAT VENTILATION)
ISRAEL SPEC&LOW FUEL CONSUMPTION PACKAGE-IDLE STOP & ECO-RUN&ACTIVE SAFETY PACKAGE-TOYOTA SAFETY SENSE&COLD AREA SPEC,WITH(REAR SEAT HEATER)&AUDIO-6SPEAKER 8INCH DA
GERMANY SPEC&LOW FUEL CONSUMPTION PACKAGE-IDLE STOP & ECO-RUN&ACTIVE SAFETY PACKAGE-TOYOTA SAFETY SENSE&COLD AREA SPEC,WITH(REAR SEAT HEATER)&AUDIO-6SPEAKER 8INCH D
FRANCE SPEC&LOW FUEL CONSUMPTION PACKAGE-IDLE STOP & ECO-RUN&ACTIVE SAFETY PACKAGE-TOYOTA SAFETY SENSE&COLD AREA SPEC,WITH(REAR SEAT HEATER)&AUDIO-6SPEAKER 8INCH DA
ITALY SPEC&LOW FUEL CONSUMPTION PACKAGE-IDLE STOP & ECO-RUN&ACTIVE SAFETY PACKAGE-TOYOTA SAFETY SENSE&COLD AREA SPEC,WITH(REAR SEAT HEATER)&AUDIO-6SPEAKER 8INCH DAB
NORWAY,SWEDEN,FINLAND,DENMARK SPEC&LOW FUEL CONSUMPTION PACKAGE-IDLE STOP & ECO-RUN&ACTIVE SAFETY PACKAGE-TOYOTA SAFETY SENSE&COLD AREA SPEC,WITH(REAR SEAT HEATER)&
WVTA COUNTRY, W/O (ROAD SIGN ASSIST)&LOW FUEL CONSUMPTION PACKAGE-IDLE STOP & ECO-RUN&ACTIVE SAFETY PACKAGE-TOYOTA SAFETY SENSE&COLD AREA SPEC,WITH(REAR SEAT HEATER
WVTA COUNTRY,W(ROAD SIGN ASSIST)&LOW FUEL CONSUMPTION PACKAGE-IDLE STOP & ECO-RUN&ACTIVE SAFETY PACKAGE-TOYOTA SAFETY SENSE&COLD AREA SPEC,WITH(REAR SEAT HEATER)&AU
SPAIN,GIBRALTAR SPEC&LOW FUEL CONSUMPTION PACKAGE-IDLE STOP & ECO-RUN&ACTIVE SAFETY PACKAGE-TOYOTA SAFETY SENSE&COLD AREA SPEC,WITH(REAR SEAT HEATER)&AUDIO-6SPEAKER
TURKEY SPEC&LOW FUEL CONSUMPTION PACKAGE-IDLE STOP & ECO-RUN&ACTIVE SAFETY PACKAGE-TOYOTA SAFETY SENSE&COLD AREA SPEC,WITH(REAR SEAT HEATER)&AUDIO-6SPEAKER 8INCH DA
WVTA COUNTRY, W(ROAD SIGN ASSIST), EU&LOW FUEL CONSUMPTION PACKAGE-IDLE STOP & ECO-RUN&ACTIVE SAFETY PACKAGE-TOYOTA SAFETY SENSE&COLD AREA SPEC,WITH(REAR SEAT HEATE
ACTIVE SAFETY PACKAGE-TOYOTA SAFETY SENSE&COLD AREA SPEC,WITH(REAR SEAT HEATER)
main88650-42890iAXAH52..LHD..GEN;MXAA52..EUR,GCC,SA;MXAA52..LHD..6F..GEN;AXAL54..(G,M,P,V)..EUR;AXAH5#,AXAL5#..LHD..X..EUR;AXAA54,AXAH54..V..(EUR,GCC);MXAA54..JPP..LHD..6F..(M,X);M202112-202210
SEAT HEATER-WITH(*DRP), W(SEAT VENTILATION)
ACTIVE SAFETY PACKAGE-TOYOTA SAFETY SENSE&COLD AREA SPEC,WITH(REAR SEAT HEATER)
SEAT HEATER-WITH(*DRP:SEAT VENTILATION)
COLD AREA SPEC,WITH(REAR SEAT HEATER)
ACTIVE SAFETY PACKAGE-TOYOTA SAFETY SENSE&COLD AREA SPEC,WITH(REAR SEAT HEATER)
main88650-42A90iAXAL5#;AXAH52..LHD..M..EUR;AXAH52..(G,P,X)..EUR;AXAH54..LHD..(G,M,P,V)..EUR202310-202410
88897MGROMMET (FOR HEATER PIPE)
main87128-33020iAXAA54..LHD..V;MXAA52..JPP..CVT;AXAH54..(G,P)..GEN;AXAH54..LHD..M..GEN;AXAA54..(M,V,X)..ARL;MXAA52..LHD..6F..GEN;AXAL5#..(G,M,P,V)..EUR;MXAA54..JPP..CVT..(M,X);AXAH201811-202410
88898DGROMMET
88899LPARTS, COOLING UNIT
REGULATION COMPLIANCE LABEL & NAME PLATE-*NTA LABEL&EXCEPT WVTA COUNTRY
LOW FUEL CONSUMPTION PACKAGE-IDLE STOP & ECO-RUN
REGULATION COMPLIANCE LABEL & NAME PLATE-*NTA LABEL&UKRAINE,MOLDOVA SPEC
REGULATION COMPLIANCE LABEL & NAME PLATE-*NTA LABEL&AZERBAIJAN,GEORGIA SPEC
EXCEPT WVTA COUNTRY
LOW FUEL CONSUMPTION PACKAGE-WITHOUT
REGULATION COMPLIANCE LABEL & NAME PLATE-WITH(*WVTA)&GERMANY SPEC
REGULATION COMPLIANCE LABEL & NAME PLATE-WITH(*WVTA)&FRANCE SPEC
REGULATION COMPLIANCE LABEL & NAME PLATE-WITH(*WVTA)&ITALY SPEC
REGULATION COMPLIANCE LABEL & NAME PLATE-WITH(*WVTA)&NORWAY,SWEDEN,FINLAND,DENMARKSPEC
REGULATION COMPLIANCE LABEL & NAME PLATE-WITH(*WVTA)&WVTA COUNTRY, W/O (ROAD SIGNASSIST)
REGULATION COMPLIANCE LABEL & NAME PLATE-WITH(*WVTA)&WVTA COUNTRY,W(ROAD SIGN ASSIST)
REGULATION COMPLIANCE LABEL & NAME PLATE-WITH(*WVTA)&SPAIN,GIBRALTAR SPEC
REGULATION COMPLIANCE LABEL & NAME PLATE-WITH(*WVTA)&ISRAEL SPEC
REGULATION COMPLIANCE LABEL & NAME PLATE-WITH(*WVTA)&TURKEY SPEC
REGULATION COMPLIANCE LABEL & NAME PLATE-WITH(*WVTA)&WVTA COUNTRY, W(ROAD SIGN ASSIST), EU
LOW FUEL CONSUMPTION PACKAGE-IDLE STOP & ECO-RUN
REGULATION COMPLIANCE LABEL & NAME PLATE-WITH(*WVTA)&OTHER WVTA COUNTRY, WITHOUT RSA
REGULATION COMPLIANCE LABEL & NAME PLATE-WITH(*WVTA)&SPAIN,JIB SPEC
REGULATION COMPLIANCE LABEL & NAME PLATE-WITH(*WVTA)&OTHER WVTA COUNTRY, WITH RSA
88899MPLATE, COVER(FOR AIR FILTER)
8719387101
9008015077
9009900968
main90099-00968
9011906951
90119A0105
main90119-A0105
9015960303
9015960383
9015960431
90159A0024
main90159-A0024
9017906282
34 parts on this diagram · 14 diagrams in section