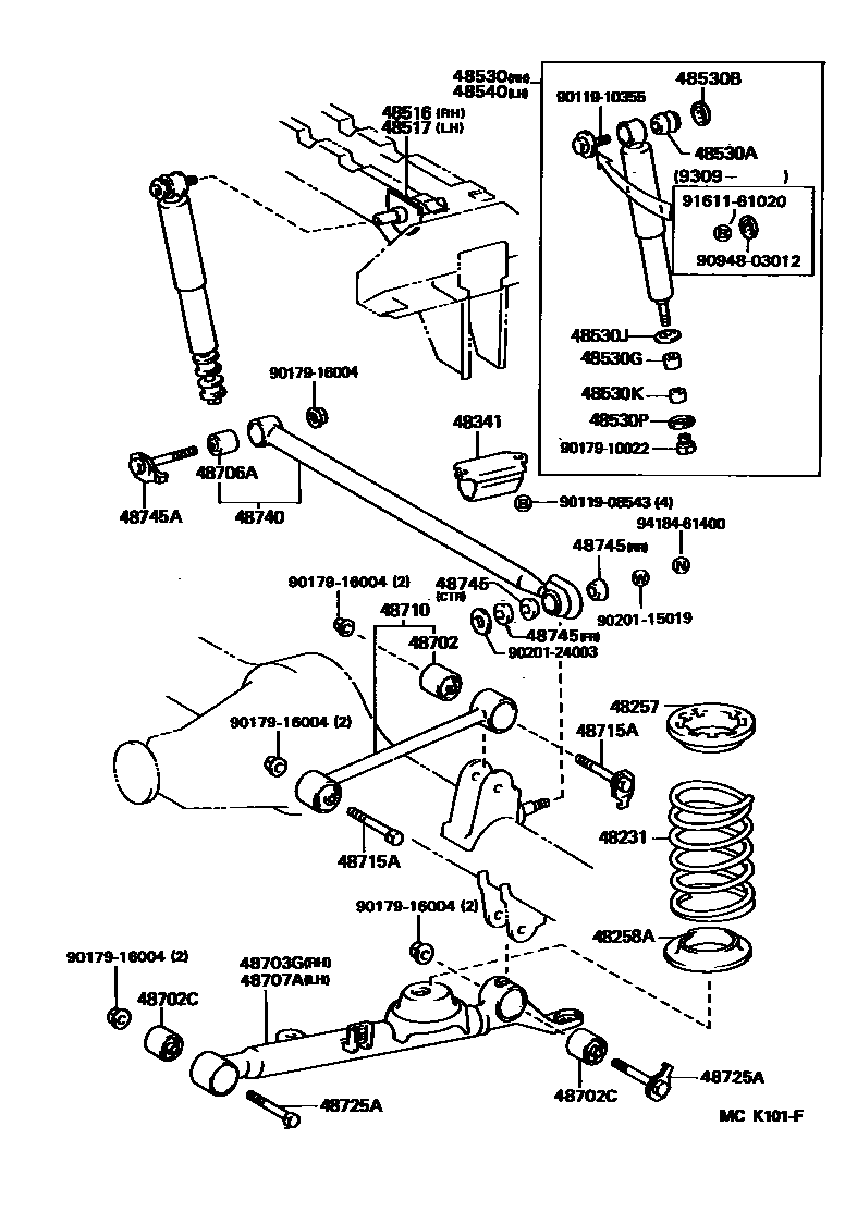
REAR SPRING & SHOCK ABSORBER

48231SPRING, COIL, REAR
sub48231-28031
sub48231-28031
sub48231-28211
RR 2-SEAT W/ARM REST DTACHBL
sub48231-28211
W(SUN ROOF OR CAPTAIN SEAT)
W(SUN ROOF)
W(SUN ROOF OR RR CAPTAIN SEAT)
RR 2-SEAT W/ARM REST DTACHBL
sub48231-28230
W(SUN ROOF & RR CAPTAIN SEAT)
W(SUN ROOF & CAPTAIN SEAT)
W(SUN ROOF OR CAPTAIN SEAT)
W(CAPTAIN SEAT)
W(RR CAPTAIN SEAT)
CHINA SPEC & W(RR CAPTAIN SEAT)
48257INSULATOR, REAR COIL SPRING
48258AINSULATOR, REAR COIL SPRING, LOWER
48516BRACKET, REAR SHOCK ABSORBER, UPPER RH
48517BRACKET, REAR SHOCK ABSORBER, UPPER LH
48530ABSORBER ASSY, SHOCK, REAR RH
sub48531-80656
48530ABUSH(FOR REAR SHOCK ABSORBER)
48530BWASHER, REAR SHOCK ABSORBER CUSHION, NO.1
48530GCUSHION, REAR SHOCK ABSORBER, NO.1
48530JRETAINER, CUSHION, NO.1(FOR REAR SHOCK ABSORBER)
48530KCUSHION, REAR SHOCK ABSORBER, NO.2
48530PRETAINER, CUSHION, NO.2(FOR REAR SHOCK ABSORBER)
48540ABSORBER ASSY, SHOCK, REAR LH
sub48531-80656
48702BUSH SUB-ASSY, UPPER CONTROL ARM
48702CBUSH SUB-ASSY, LOWER CONTROL ARM
CHINA SPEC
48703GARM SUB-ASSY, LOWER CONTROL, RH
48706ABUSH SUB-ASSY, REAR LATERAL CONTROL ROD
CHINA SPEC
48707AARM SUB-ASSY, LWR CONTROL, LH
48715ABOLT, HEXAGON(FOR UPPER CONTROL ARM)
48725ABOLT(FOR LOWER CONTROL ARM)
48740ROD ASSY, REAR LATERAL CONTROL
CHINA SPEC
48745BUSH, LATERAL CONTROL ROD
FRONT & REAR
CENTER
9011908543
main90119-08543
9011910355
main90119-10355
9017910022
main90179-10022
9017916004
main90179-16004
9020115019
main90201-15019
9020124003
main90201-24003
9094803012
main90948-03012
9161161020
main91611-61020
9418461400
main94184-61400
34 parts on this diagram · 1 diagram in section