HEATING & AIR CONDITIONING - COOLER PIPING

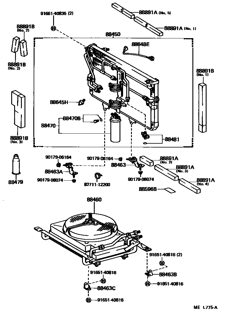
88450CONDENSER ASSY, W/RECEIVER
88460CONDENSER ASSY, COOLER
FLOOR
RADIATOR
88463BRACKET, COOLER CONDENSER, NO.1
88463ABRACKET, COOLER CONDENSER, NO.2
88463BBRACKET, COOLER CONDENSER, NO.3
88463CBRACKET, COOLER CONDENSER, NO.4
88470RECEIVER & DRYER ASSY, COOLER
sub04884-33110
88470BBOLT, FUSE
88479FREON GAS, AIR CONDITIONER (DRUM, COOLER REFRIGERANT)
250G,250G
88481GLASS, SIGHT
W(AIR CONDITIONER)
W(FRONT AIR CONDITIONER)
88596BPLATE, CAUTION, NO.1
W(AIR CONDITIONER)
W(DUAL AIR CON. & RR HEATER)
W(FRONT AIR CONDITIONER)
88645HSWITCH, PRESSURE NO.1
88648EWIRING, COOLER
TUBE
SUCTION
88891APACKING A (FOR COOLER)
NO.2
NO.3
NO.4
NO.5
NO.1
88891BPACKING B (FOR COOLER)
NO.2
NO.3
NO.1
8271112200WIRE, FUSE TO FUSE(FOR COMBUSTION HEATER)
main82711-12200
9017906164
main90179-06164
9017908074
main90179-08074
9165140816
main91651-40816
9166140835
main91661-40835
20 parts on this diagram · 6 diagrams in section