E
EPC Data

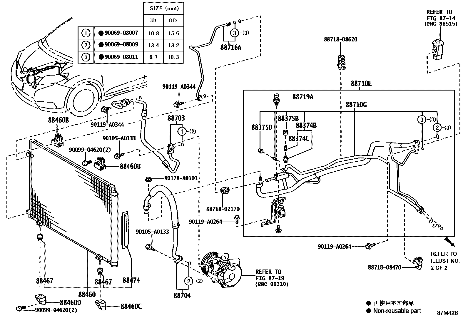
HEATING & AIR CONDITIONING - COOLER PIPING

Parts diagram
8714
8719
88374BVALVE, SERVICE, NO.1
main88374-33070i201001-201608
88374CVALVE, SERVICE, NO.2
main88374-30010i201001-202009
88375BCAP, SERVICE VALVE, NO.1
main88375-02060i201001-202009
main88375-0E020i201602-201608
88375DCAP, SERVICE VALVE, NO.2
main88375-02070i201001-202009
88460CONDENSER ASSY, COOLER
main88460-08020i201001-201608
main88460-08030i201608-202009
main88460-08040i201711-201808
88460BBRACKET, COOLER CONDENSER, NO.1
main88688-08400i201608-202009
main88688-0E080i201001-201608
88460CBRACKET, COOLER CONDENSER, NO.2
main88688-08410i201608-202009
main88688-0E090i201001-201608
88460DBRACKET, COOLER CONDENSER, NO.3
main88688-0E100i201001-201608
88467CUSHION, COOLER CONDENSER, NO.1
main88467-0E020i201001-201608
88474DRYER, COOLER
main88474-08010i201001-201608
main88474-08030i201608-202009
main88474-12010i201711-201808
88703HOSE SUB-ASSY, DISCHARGE
main88703-08060i201001-201409
main88703-08070i201005-201308
main88703-08080i201409-201608
main88703-08090i201608-202009
88704HOSE SUB-ASSY, SUCTION
main88704-08160i201001-201608
main88704-08170i201005-201308
main88704-08180i201608-202009
88710ETUBE & ACCESSORY ASSY, AIR CONDITIONER
main88710-08070i201001-201608
main88710-08120i201608-202009
88710GTUBE & ACCESSORY ASSY, AIR CONDITIONER, NO.2
main88710-08090i201001-201608
88716APIPE, COOLER REFRIGERANT LIQUID, A
main88716-08300i201001-201608
main88716-08330i201608-202009
88719ASENSOR, AIR CONDITIONER PRESSURE
main88719-33020i201001-202009
8871802170PIPE, COOLER REFRIGERANT SUCTION, NO.2
8871808470PIPE, COOLER REFRIGERANT SUCTION, NO.2
8871808620PIPE, COOLER REFRIGERANT SUCTION, NO.2
9006908007
9006908009
9006908011
9009904620
90105A0133
90119A0264
90119A0344
90178A0101

29 parts on this diagram · 6 diagrams in section

HEATING & AIR CONDITIONING - COOLER PIPING — Toyota Parts Diagram with OEM Numbers & Prices | EPC Data