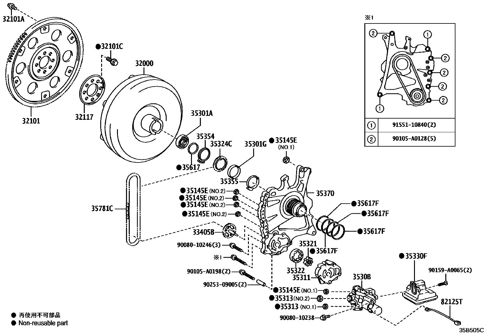
TORQUE CONVERTER, FRONT OIL PUMP & CHAIN (ATM)

32101GEAR SUB-ASSY, DRIVE PLATE & RING
(L)
(J)
32101ABOLT(FOR DRIVE PLATE & TORQUE CONVERTER SETTING)
*9-1.25PX12.4-7.3,BLACK
*9-1.25PX12.4-8.4,SILVER WHITE
32101CBOLT, HEXAGON(FOR DRIVE PLATE SETTING)
*12-1.25PX20.3-14.3
32117SPACER, DRIVE PLATE, REAR
(L)
(J)
33405BSHAFT SUB-ASSY, OIL PUMP DRIVE
35145EGASKET, TRANSAXLE CASE
NO.1:REFER ILLUST.
NO.2:REFER ILLUST.
35301ASEAL, OIL (FOR FRONT OIL PUMP)
35301GBEARING,NEEDLE ROLLER
3530BCOVER SUB-ASSY, FRONT OIL PUMP & SOLENOID
35311BODY, FRONT OIL PUMP
35313GASKET, FRONT OIL PUMP COVER
NO.1:REFER ILLUST.
NO.2:REFER ILLUST.
35321GEAR, FRONT OIL PUMP DRIVE
T=16.66
35322GEAR, FRONT OIL PUMP DRIVEN
T=16.66
35324CSPROCKET, TRANSMISSION OIL PUMP DRIVE
35330FSTRAINER ASSY, OIL
35354WASHER, OIL PUMP SPROCKET THRUST, FRONT
35355WASHER, OIL PUMP SPROCKET THRUST, REAR
35370SHAFT ASSY, STATOR
35617RING, CLUTCH DRUM OIL SEAL
35617FRING, CLUTCH DRUM OIL SEAL
35781CCHAIN, TRANSMISSION DRIVE
82125TWIRE, TRANSMISSION
9008010238
main90080-10238
9008010246
main90080-10246
90105A0128
main90105-A0128
90105A0198
main90105-A0198
90159A0065
main90159-A0065
9025309005
main90253-09005
9155110840
main91551-10840
30 parts on this diagram · 1 diagram in section